Насосы Вихрь СН-100B - инструкция пользователя по применению, эксплуатации и установке на русском языке. Мы надеемся, она поможет вам решить возникшие у вас вопросы при эксплуатации техники.
Если остались вопросы, задайте их в комментариях после инструкции.
"Загружаем инструкцию", означает, что нужно подождать пока файл загрузится и можно будет его читать онлайн. Некоторые инструкции очень большие и время их появления зависит от вашей скорости интернета.

7
ВНИМАНИЕ
!
Конденсаторную
коробку
(
в
зависимости
от
модели
насоса
).
и
розетку
необходимо
разместить
под
навесом
или
в
помещении
,
защитив
их
от
возможного
воздействия
брызг
воды
и
атмосферных
осадков
.
Для
исключения
возможности
засорения
насосной
части
,
рекомендуется
установить
обратный
клапан
на
выходе
насоса
.
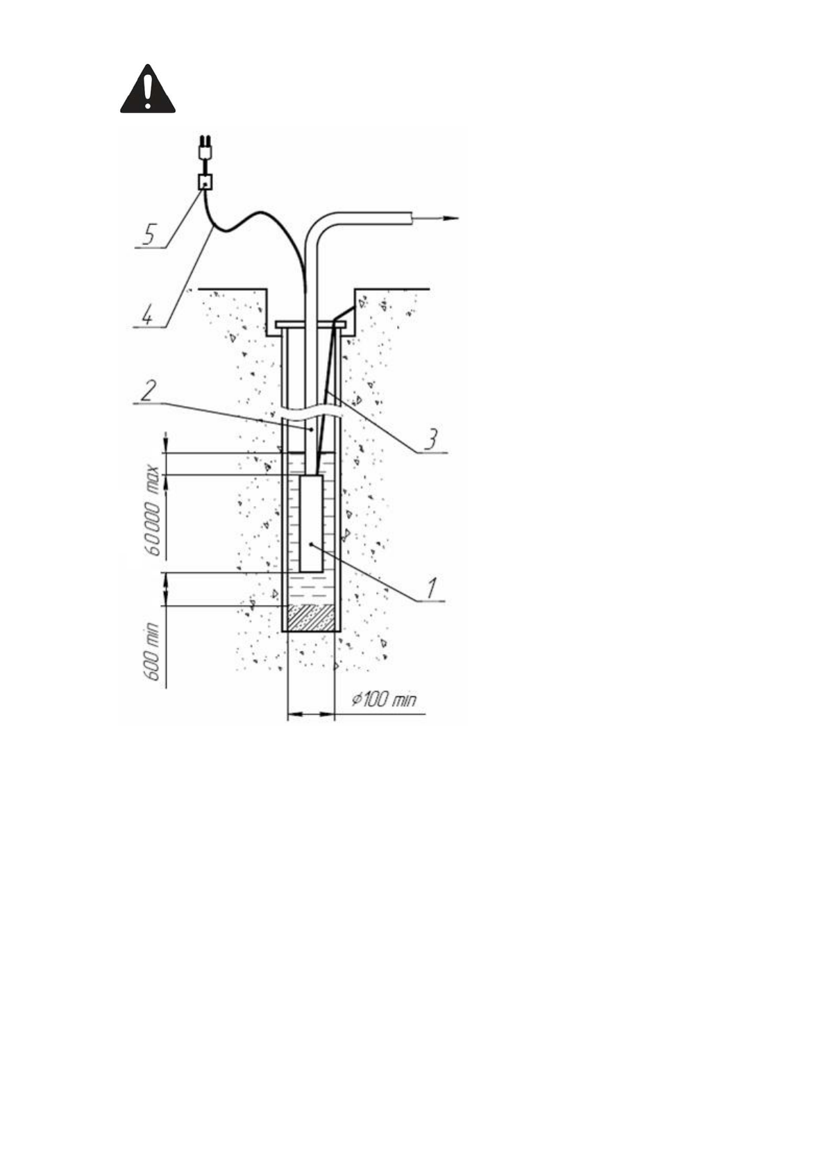
Схема
установки
электронасоса
1 -
электронасос
;
2 -
трубопровод
;
3 -
трос
;
4 -
шнур
сетевого
питания
;
5 -
коробка
конденсаторная
(
в
зависимости
от
модели
насоса
).
Порядок
работы
Перед
включением
электронасоса
в
сеть
,
убедитесь
в
его
полном
погружении
.
Подключите
электронасос
к
сети
с
помощью
штепсельной
вилки
.
Внимание
!
Эксплуатируйте
электронасос
только
в
разработанной
и
очищенной
скважине
.
В
случае
появления
загрязненной
воды
электронасос
следует
выключить
и
еще
раз
проверить
положение
насоса
относительно
дна
водоема
или
скважины
.
Помните
,
что
перекачивание
воды
с
повышенным
содержанием
механических
примесей
приводит
к
сокращению
срока
службы
электронасоса
и
лишает
права
на
гарантийный
ремонт
.
Производительность
электронасоса
зависит
от
глубины
залегания
воды
,
длины
,
диаметра
и
типа
используемого
трубопровода
и
т
.
д
.
Для
предотвращения
выкачивания
воды
из
скважины
,
колодца
,
согласуйте
производительность
последних
с
объемной
подачей
насоса
при
помощи
перекрытия
вентиля
,
установленного
на
выходе
трубопровода
из
скважины
,
колодца
.
При
этом
объемная
подача
не
должна
быть
менее
400
л
/
час
.
Дальнейшее
уменьшение
объемной
подачи
и
полное
перекрытие
вентиля
могут
привести
к
перегреву
и
выходу
электронасоса
из
строя
.
Содержание
Характеристики
Остались вопросы?Не нашли свой ответ в руководстве или возникли другие проблемы? Задайте свой вопрос в форме ниже с подробным описанием вашей ситуации, чтобы другие люди и специалисты смогли дать на него ответ. Если вы знаете как решить проблему другого человека, пожалуйста, подскажите ему :)