Насосы UNIPUMP AUTO JET 100 S - инструкция пользователя по применению, эксплуатации и установке на русском языке. Мы надеемся, она поможет вам решить возникшие у вас вопросы при эксплуатации техники.
Если остались вопросы, задайте их в комментариях после инструкции.
"Загружаем инструкцию", означает, что нужно подождать пока файл загрузится и можно будет его читать онлайн. Некоторые инструкции очень большие и время их появления зависит от вашей скорости интернета.

5
Те
хниче
ская по
ддер
жка
—
+ 7
495 734-91-97
RU
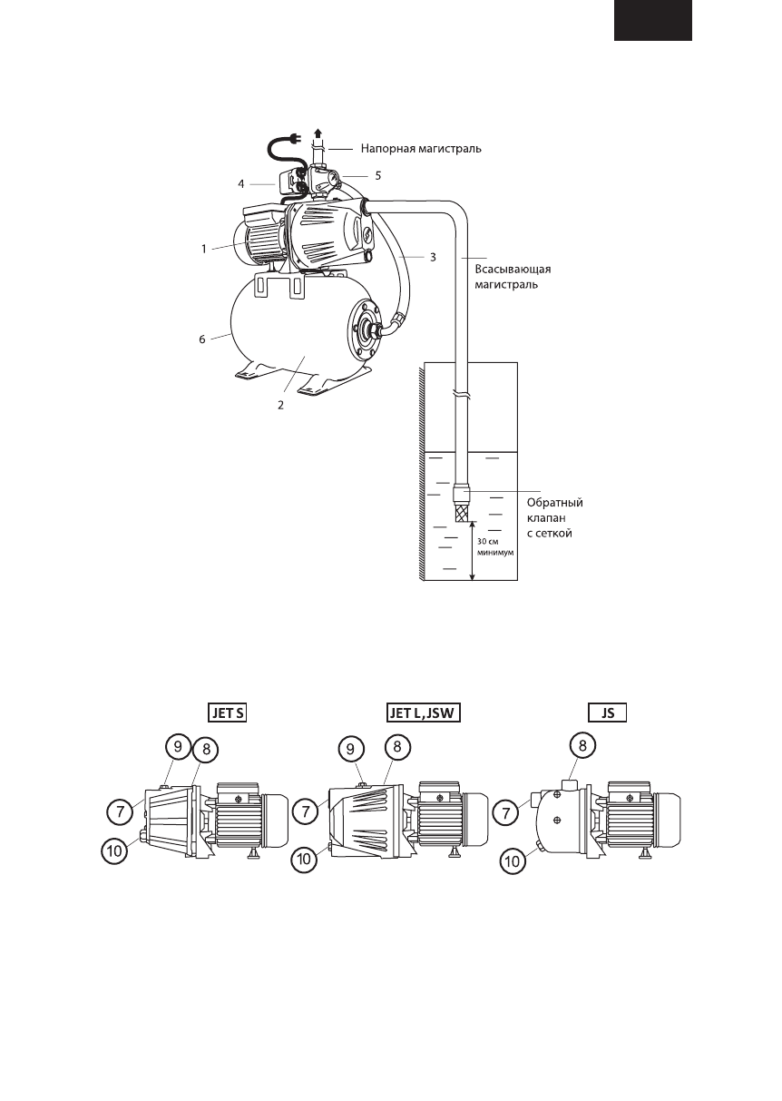
Устройство и принцип работы станции
Насос имеет входное (7) и выходное (8)
отверстия, а также заливное (9) и сливное
(10) отверстия. У насосов серии JS залив
воды осуществляется через выходное
отверстие насоса (8).
Принцип действия станции заключается
Станция состоит из насоса (1),
гидроаккумулятора (2), соединительного
шланга (3) и блока автоматики,
состоящего из реле давления (4) и
в том, что водопроводная сеть всегда
находится под давлением. Если Вы
откроете кран или другое устройство,
давление в системе начнет падать. Когда
давление упадет ниже 0,15 МПа (1,5 атм),
реле давления автоматически включит
манометра (5). Гидроаккумулятор имеет
во внутренней полости мембрану из
пищевой резины и пневмоклапан (6)
для регулировки давления воздуха.
www.unipump.ru
www.unipump.ru
www.unipump.ru
Характеристики
Остались вопросы?Не нашли свой ответ в руководстве или возникли другие проблемы? Задайте свой вопрос в форме ниже с подробным описанием вашей ситуации, чтобы другие люди и специалисты смогли дать на него ответ. Если вы знаете как решить проблему другого человека, пожалуйста, подскажите ему :)













