Насосы Aurora AMP 100 С - инструкция пользователя по применению, эксплуатации и установке на русском языке. Мы надеемся, она поможет вам решить возникшие у вас вопросы при эксплуатации техники.
Если остались вопросы, задайте их в комментариях после инструкции.
"Загружаем инструкцию", означает, что нужно подождать пока файл загрузится и можно будет его читать онлайн. Некоторые инструкции очень большие и время их появления зависит от вашей скорости интернета.

- подсоединить к всасывающему шлангу фильтр;
Напор и производительность мотопомпы зависят от оборотов двигателя.
На конце всасывающего шланга устанавливается сетчатый фильтр 15, предотвращающий
попадание крупных предметов и камней в качающийся узел.
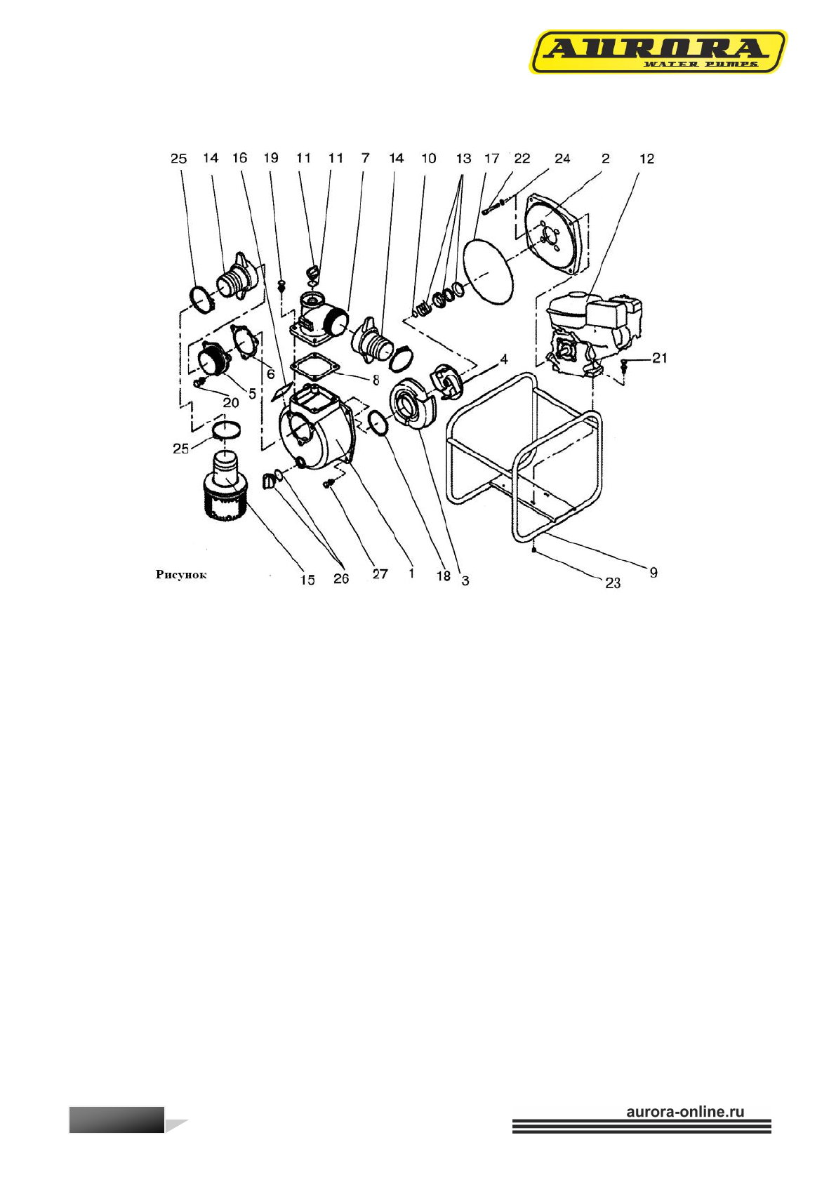
4. ПОДГОТОВКА МОТОПОМПЫ К РАБОТЕ
4.1. Распаковывать мотопомпу, проверить комплектацию и сверить номера на двигателе и в
гарантийном талоне.
4.2. Убедиться в отсутствии посторонних предметов в внутренних полостях патрубков
насоса.
4.3. Смонтировать детали всасывающего, а подающего тракта:
- подсоединить всасывающий и напорный шланги к патрубкам.
Всасывающий шланг должен быть несжимаемым (гофрированным), поскольку работает на
сжатие.
4.4. Закрепить шланги хомутами.
При монтаже соблюдать следующие требования:
1) под хомутами крепления не должно быть складок стенок рукавов;
2) затяжка хомутами не должна превышать 40% толщины стенки рукава;
3) расстояние между торцом рукава и торцом хомута должно быть не менее 4 мм.
4.5. Провести внешний осмотр мотопомпы. Проверить надежность подсоединения
всасывающего и напорного рукавов.
4.6. Подготовьте к запуску двигатель согласно «Инструкции по эксплуатации двигателя»
(заправить маслом, топливом и т.д.).
4.7. Установить мотопомпу вблизи водоема (емкости); опустить фильтр всасывающего рукава
в водоем, обеспечив вертикальное положение фильтра, как показано на рис.5; отвернуть пробку
11; залить через воронку чистую воду до полного заполнения внутренних полостей насоса.
Напорный рукав патрубка при этом должен быть выше на 70-100 мм от корпуса насоса.
Стр. 6












