Мойки высокого давления Lavor PRO TUCSON XL 2515 LP с барабаном 8.672.0003 - инструкция пользователя по применению, эксплуатации и установке на русском языке. Мы надеемся, она поможет вам решить возникшие у вас вопросы при эксплуатации техники.
Если остались вопросы, задайте их в комментариях после инструкции.
"Загружаем инструкцию", означает, что нужно подождать пока файл загрузится и можно будет его читать онлайн. Некоторые инструкции очень большие и время их появления зависит от вашей скорости интернета.

Ph. 3
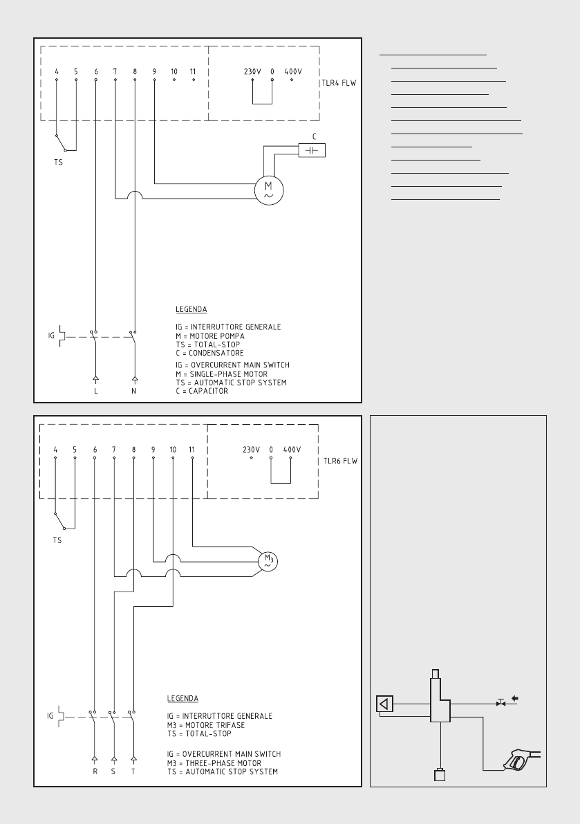
SCHEMA ELETTRICO
- ELECTRIC DIAGRAM
- SCHEMA ELECTRIQUE
- ELEKTROSCHEMA
- ESQUEMA ELÉCTRICO
- ELEKTRICITEITSSCHEMA
- ΗΛΕΚΤΡΙΚΟ ΔΙΑΓΡΑΜΜΑ
- SÄHKÖKAAVIO
- ЭЛЕКТРОСХЕМА
- ESQUEMA ELÉCTRICO
- ELEKTRIČNA SHEMA
- ELEKTRIČNA SHEMA
Ph. 1
SCHEMA IDRICO
- WATER DIAGRAM
- SCHEMA HYDRAULIQUE
- WASSERUMLAUFSCHEMA
- ESQUEMA HÍDRICO
- WATERSCHEMA
- ΣΧΕΔΙΟ ΥΔΡΕΥΣΗΣ
- VEDENKYTKENTÄKAAVIO
- ГИДРАВЛИЧЕСКАЯ СХЕМА
- ESQUEMA HIDRÁULICO
- SHEMA VODENOG KRUGA
- VODOVODNA SHEMA
H
2
O
100













