Мойки высокого давления Kranzle Quadro 800 TST - инструкция пользователя по применению, эксплуатации и установке на русском языке. Мы надеемся, она поможет вам решить возникшие у вас вопросы при эксплуатации техники.
Если остались вопросы, задайте их в комментариях после инструкции.
"Загружаем инструкцию", означает, что нужно подождать пока файл загрузится и можно будет его читать онлайн. Некоторые инструкции очень большие и время их появления зависит от вашей скорости интернета.
Загружаем инструкцию

26
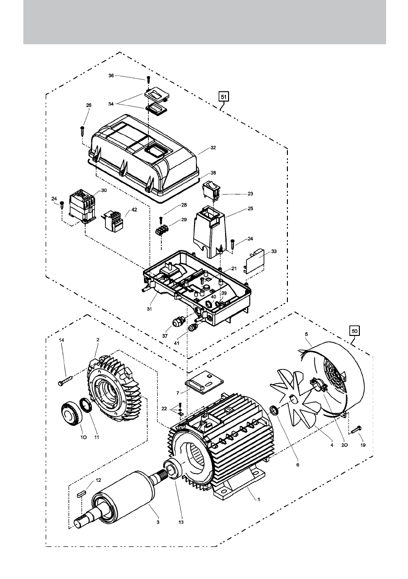
Двигатель насоса
Содержание
- 2 Технические данные
- 3 Описание; Содержание
- 5 Распылительная трубка с распылительным пистолетом
- 6 Шланг высокого давления и распылительное устройство; Клапан регулирования давления-предохранительный клапан
- 8 Подключение к электросети
- 9 Краткое руководство по эксплуатации:; Стояночный тормоз
- 11 Монтаж и оснащение аппарата
- 12 Пуск в эксплуатацию
- 13 Внешнее всасывание
- 14 Снятие с эксплуатации; Снятие с эксплуатации:; Защита от мороза; Засасывание моющего
- 15 Указания по технике безопасности
- 19 с дополнительными принадлежностями KRÄNZLE
- 21 Клапаны загрязнены или залипли!
- 36 Старлет II
- 37 Турбокиллер
- 39 Общие инструкции
- 40 аппратов фирмы KRÄNZLE для чистки под высок. давлением; Указания руководства по эксплуатации являются составной; Протокол испытаний; Очистители высокого давления должны через каждые 12
- 41 Гарантия
- 43 Свидетельство о соответствии













