Мойки высокого давления Kranzle К 1050 Р 49.501 - инструкция пользователя по применению, эксплуатации и установке на русском языке. Мы надеемся, она поможет вам решить возникшие у вас вопросы при эксплуатации техники.
Если остались вопросы, задайте их в комментариях после инструкции.
"Загружаем инструкцию", означает, что нужно подождать пока файл загрузится и можно будет его читать онлайн. Некоторые инструкции очень большие и время их появления зависит от вашей скорости интернета.
Загружаем инструкцию

25
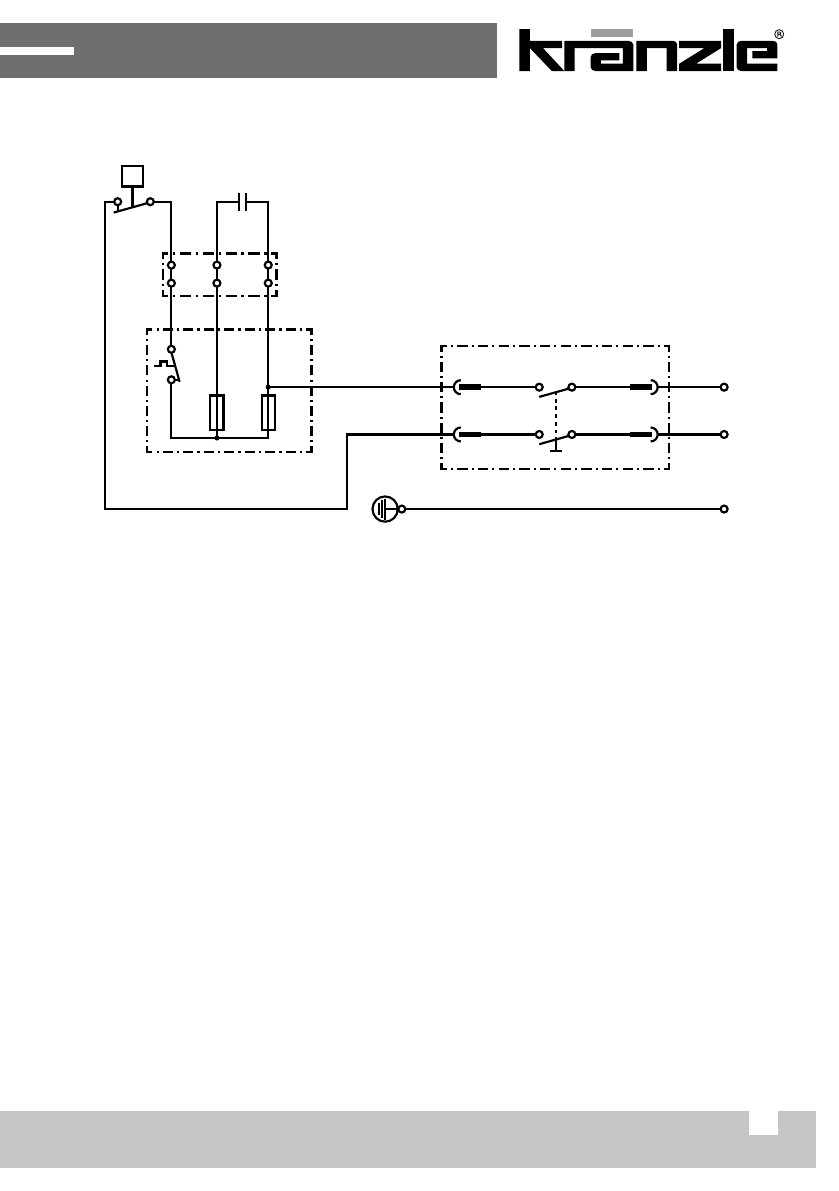
Электросхема
P2
P1
N
L1
Hi
Ha
P
PE
Электродвигатель
с выключателем,
срабатывающим при перегреве
Клемма
Конденсатор 35 мкФ
Содержание
- 2 Технические данные
- 3 Содержание
- 4 Описание устройства; Построение
- 5 Всё это Вы купили; Копье-грязекиллер с трубкой
- 6 Используемые символы; Символы, используемые в руководстве по эксплуатации
- 7 Общие инструкции; Область использования; Соблюдать инструкции по защите окружающей среды, утилизации; Испытания; Промышленные очистители высокого давления должны через; Предупреждение несчастных случаев; Утечки масла
- 8 Указания по технике безопасности
- 11 Указания по эксплуатации; На что Вам обязательно следует обращать внимание:; Если замеренное количество воды слишком мало, то Вам следует; Снабжение водой
- 12 Проблема недостатка электроэнергии; Проверьте размер своего силового предохранителя и в случае; Подключение к электросети
- 13 аппарата только при включенном предохранительном рычаге
- 15 Пуск в эксплуатацию
- 16 Соединительную муфту и соединительный ниппель перед
- 17 Перед каждым пуском в работу
- 19 Снятие с эксплуатации; Компактные и переносные аппараты
- 20 Небольшой ремонт сделай сам без затруднений; Высока вероятность, что на входе забито сито или сопло.
- 21 Bозможно, что забиты или заклеились клапаны.
- 22 При утечке гарантия вследствие косвенных убытков; Возможная причина No 1:
- 23 При повреждении насоса от неисправных уплотнительных колец; Возможная причина No 2:; Дефектный обратный клапан.
- 24 Свидетельство о соответствии ЕС; директива по электромагнитной; директор
- 26 Гарантия
- 33 Замена масла