Мойки высокого давления Kranzle 2160 TST - инструкция пользователя по применению, эксплуатации и установке на русском языке. Мы надеемся, она поможет вам решить возникшие у вас вопросы при эксплуатации техники.
Если остались вопросы, задайте их в комментариях после инструкции.
"Загружаем инструкцию", означает, что нужно подождать пока файл загрузится и можно будет его читать онлайн. Некоторые инструкции очень большие и время их появления зависит от вашей скорости интернета.

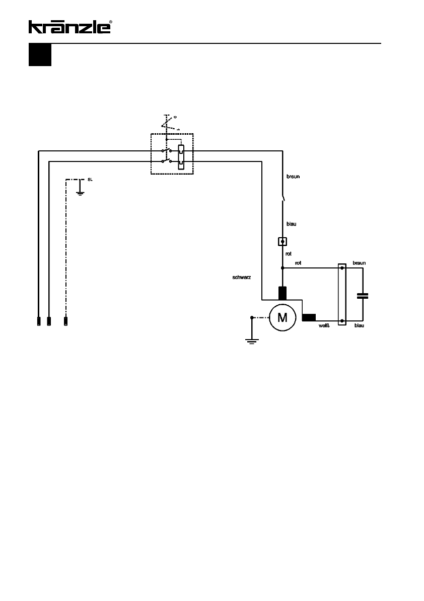
46
Электросхема
Kränzle 2160 / 2195,
230 V, 50 Hz
Включатель/выключатель
с защитой от перегрузки
на 14,5 Ампер
Реле давления
Двигатель насоса
230 V / 50 Hz
Питающая
линия через
3 x 1,5 mm
2
,
230 V / 50 Hz
Содержание
- 2 Описание устройства
- 3 Содержание; Cторон
- 4 Технические данные
- 6 Всё это Вы купили
- 7 Общие инструкции; Область использования; Промышленные очистители высокого давления должны; Предупреждение несчастных случаев; Утечки масла: При выходе масла сразу же обратиться в
- 8 Указания по технике безопасности
- 10 Подключение воды
- 11 Подключение к электросети; Проблема недостатка электроэнергии
- 12 Техника Kränzle; Система для воды и чистки; Распылительная трубка с распылительным; Клапан регулирования давления-предохранительный
- 14 Установка – Месторасположение; Аппарат не разрешается устанавливать и; Пуск в эксплуатацию
- 15 Соблюдать осторожность в случае горячей воды на входе!; При работе с горячей входной водой, имеющей
- 17 Прямое всасывание; Перед первым процессом всасывания насос или
- 18 Всасывание добавок; С засасыванием средства для чистки:
- 19 Снятие с эксплуатации; Хранение с экономией места
- 20 Небольшой ремонт; сделай сам без затруднений; Манометр показывать полное давление, а из сопла вода не; Внимание! При каждом ремонте вытягивать
- 21 Манометр показывает слишком малое давление, из сопла
- 22 Внимание! При утечке гарантия вследствие
- 23 Внимание! При повреждении насоса от
- 26 Свидетельство о соответствии ЕС
- 27 Гарантийное заявление
- 28 Универсальность благодаря
- 40 Привод насоса
- 43 Шланговый барабан
- 46 Электросхема