Мойки высокого давления Karcher SB Wash 5 10 Fp AK N - инструкция пользователя по применению, эксплуатации и установке на русском языке. Мы надеемся, она поможет вам решить возникшие у вас вопросы при эксплуатации техники.
Если остались вопросы, задайте их в комментариях после инструкции.
"Загружаем инструкцию", означает, что нужно подождать пока файл загрузится и можно будет его читать онлайн. Некоторые инструкции очень большие и время их появления зависит от вашей скорости интернета.

-
8
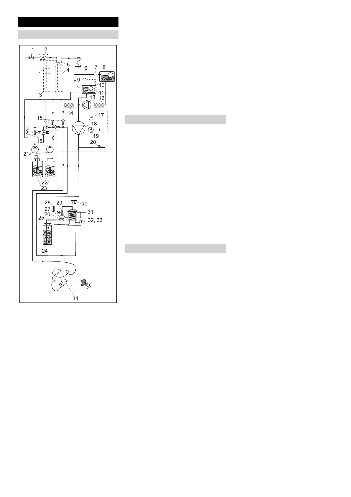
1 Priklju
č
ak na vodovodnu mrežu (postoje
ć
i)
2 Rastavlja
č
cijevi (opcija)
3 Spremnik za sol (opcija)
4 Izmjenjiva
č
lužine (opcija)
5 Upravlja
č
ka glava (opcija)
6 Rashladna zavijena cijev elektromotora
7 Ventil plovka
8 Posuda s plovkom za zaštitu od smrza-
vanja
9 Ventil plovka
10 Ure
đ
aj za doziranje omekšiva
č
a (RM
110, opcija)
11 Posuda s plovkom za svježu vodu
12 Filtar pumpe za zaštitu od smrzavanja
13 Centrifugalna pumpa
14 Mrežica
15 Povratni udarni ventil
16 Ventili za doziranje sredstva za pranje
17 Prigušnica *)
18 Visokotla
č
na pumpa
19 Manometar *)
20 Preljevni ventil *)
21 Dozirna pumpa
22 Filtar sredstva za pranje
23 Spremnik sredstva za pranje
24 Spremnik za gorivo
25 Vodovi za gorivo
26 Ventilator plamenika
27 Pumpa za gorivo s premosnim ventilom
28 Kontrolnik protoka
29 Ventil za gorivo
30 Nadzor plamena
31 Plamenik s proto
č
nim grija
č
em
32 Grani
č
nik temperature
33 Regulator temperature
34 Ru
č
na prskalica
*) smješten u glavi cilindra visokotla
č
ne
pumpe.
Pri pranju voda te
č
e preko sljede
ć
ih kom-
ponenata:
–
Priklju
č
ak za vodu
–
Izmjenjiva
č
lužine (opcija)
–
Rashladna zavijena cijev elektromotora
–
Visokotla
č
na pumpa
–
Proto
č
ni grija
č
–
do ru
č
ne prskalice.
U slu
č
aju opasnosti od smrzavanja voda se
preusmjerava u sljede
ć
i kružni tok:
–
Posuda s plovkom za zaštitu od smrza-
vanja
–
Centrifugalna pumpa
–
Visokotla
č
no crijevo
–
Ru
č
na prskalica
–
Posuda s plovkom za zaštitu od smrza-
vanja
Ukoliko je kapacitet omekšavanja izmjenji-
va
č
a lužine opao za 80%, onda se u sljede-
ć
oj no
ć
i vrši regeneracija.
Ukoliko plamenik ne zapali gorivo ili ako se
plamen pri radu ugasi, onda nadzor plame-
na isklju
č
uje dovod goriva.
Ukoliko se pri radu pusti poluga ru
č
ne pr-
skalice, otvara se ventil kružnog toka, a vi-
sokotla
č
na pumpa ostaje u pogonu. Pri
ponovnom otvaranju ru
č
ne prskalice viso-
kotla
č
ni mlaz stoji odmah na raspolaganju.
Sprje
č
ava da se plamenik uklju
č
i u slu
č
aju
nedostatka vode.
Prekida strujni krug motora u slu
č
aju krat-
kog spoja ili preoptere
ć
enja.
Prekida strujni krug motora u slu
č
aju pre-
grijavanja motora.
Regulira temperaturu vode ovisno o pode-
šenosti.
Isklju
č
uje plamenik pri temperaturama
iznad 75°C.
Uklju
č
uje kružni tok zaštite od smrzavanja
ako postoji opasnost od smrzavanja (ispod
3°C).
Funkcija
Shema cirkulacije
Opis funkcije
Nadzorni i sigurnosni elementi
Senzor tvrdo
ć
e u izmjenjiva
č
u lužine
(opcija)
Nadzor plamena
Preljevni ventil
Kontrolnik protoka
Zaštitna sklopka motora
Termostat na glavi s namotajima
Regulator temperature
Grani
č
nik temperature
Termostat zaštite od smrzavanja
415
HR












