Мойки высокого давления IPC Portotecnica N.ELITE-C I 1813 P T (NEW ELITE ISHH 2840 T) 40420 IDAF - инструкция пользователя по применению, эксплуатации и установке на русском языке. Мы надеемся, она поможет вам решить возникшие у вас вопросы при эксплуатации техники.
Если остались вопросы, задайте их в комментариях после инструкции.
"Загружаем инструкцию", означает, что нужно подождать пока файл загрузится и можно будет его читать онлайн. Некоторые инструкции очень большие и время их появления зависит от вашей скорости интернета.

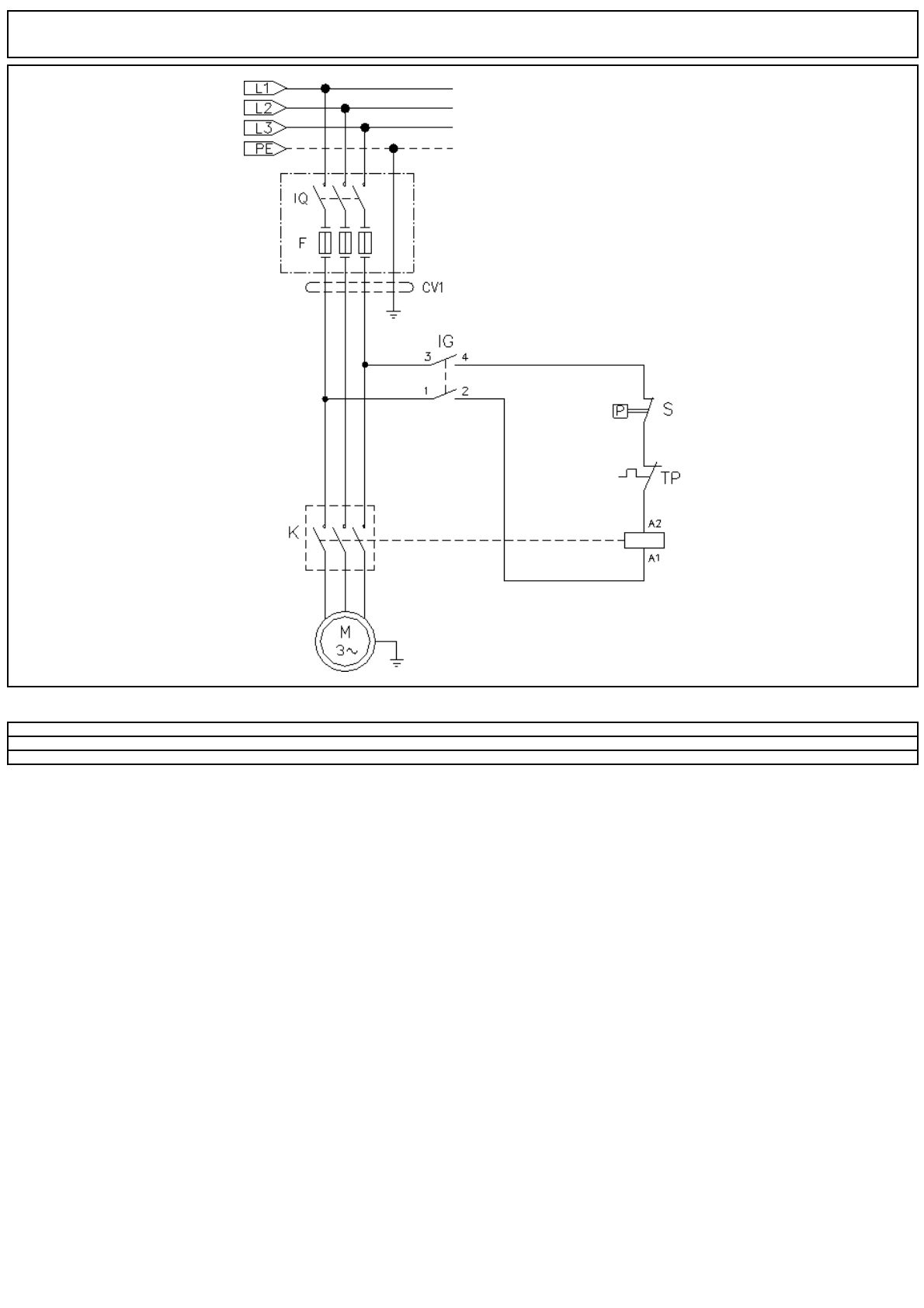
Tаблица: SCHEMA ELETTRICO
Порядковый Hомер: 2
Дата: 05/02/2015
Bыбранная Запчасть: IDAF40420
Cтраница: 2
C-ка K N. з/ч.
N. з/ч. Клиента
Oписание
Кол-во
Действителен:
C По
Цена
K
METT40664
ПУЛЬТ ДИСТАНЦИОННОГО УПРАВЛЕНИЯ SIE 3RT 1017 1AV01
1,00
--
IG
MECI40022
BЫКЛЮЧАТЕЛЬ BRM BP. 0-1 20A
1,00
--
CV1
MECB40002
КАБЕЛЬ H07 RNF 4X1.5 L=6.500
1,00
--
Содержание
- 4 Tаблица: SCHEMA ELETTRICO
- 5 Tаблица: РУКОЯТКА
- 7 Tаблица: НАСОС
- 10 Tаблица: КЛАПАН
Характеристики
Остались вопросы?Не нашли свой ответ в руководстве или возникли другие проблемы? Задайте свой вопрос в форме ниже с подробным описанием вашей ситуации, чтобы другие люди и специалисты смогли дать на него ответ. Если вы знаете как решить проблему другого человека, пожалуйста, подскажите ему :)













