Мотоциклы Yamaha FZ8 SA 2012 - инструкция пользователя по применению, эксплуатации и установке на русском языке. Мы надеемся, она поможет вам решить возникшие у вас вопросы при эксплуатации техники.
Если остались вопросы, задайте их в комментариях после инструкции.
"Загружаем инструкцию", означает, что нужно подождать пока файл загрузится и можно будет его читать онлайн. Некоторые инструкции очень большие и время их появления зависит от вашей скорости интернета.

6
6-33
ПЕРИОДИЧЕСКОЕ ОБСЛУЖИВАНИЕ И РЕГУЛИРОВКИ
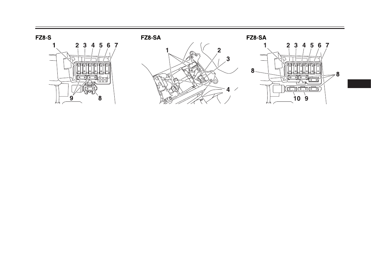
1. Блок плавких предохранителей
2. Предохранитель системы зажигания
3. Предохранитель сигнальной системы
4. Предохранитель заднего габаритного фонаря
5. Резервный предохранитель (часов и системы блокировки)
6. Предохранитель вентилятора правого радиатора
7. Предохранитель вентилятора левого радиатора
8. Предохранитель фары головного света
9. Запасной предохранитель
1. Блок плавких предохранителей
2. Плавкий предохранитель системы впрыска топлива
3. Запасной плавкий предохранитель системы впрыска то-
плива
4. Главный предохранитель
1. Блок плавких предохранителей
2. Предохранитель системы зажигания
3. Предохранитель сигнальной системы
4. Предохранитель фары головного света
5. Резервный предохранитель (часов и системы блокировки)
6. Предохранитель электромагнитной катушки антиблоки-
ровочной системы
7. Предохранитель мотора антиблокировочной системы
8. Запасной предохранитель
9. Предохранитель управляющего блока антиблокировоч-
ной системы
10. Предохранитель вентилятора правого радиатора



