Мотоблоки Ресанта МБ-13000-12 - инструкция пользователя по применению, эксплуатации и установке на русском языке. Мы надеемся, она поможет вам решить возникшие у вас вопросы при эксплуатации техники.
Если остались вопросы, задайте их в комментариях после инструкции.
"Загружаем инструкцию", означает, что нужно подождать пока файл загрузится и можно будет его читать онлайн. Некоторые инструкции очень большие и время их появления зависит от вашей скорости интернета.

8
4.
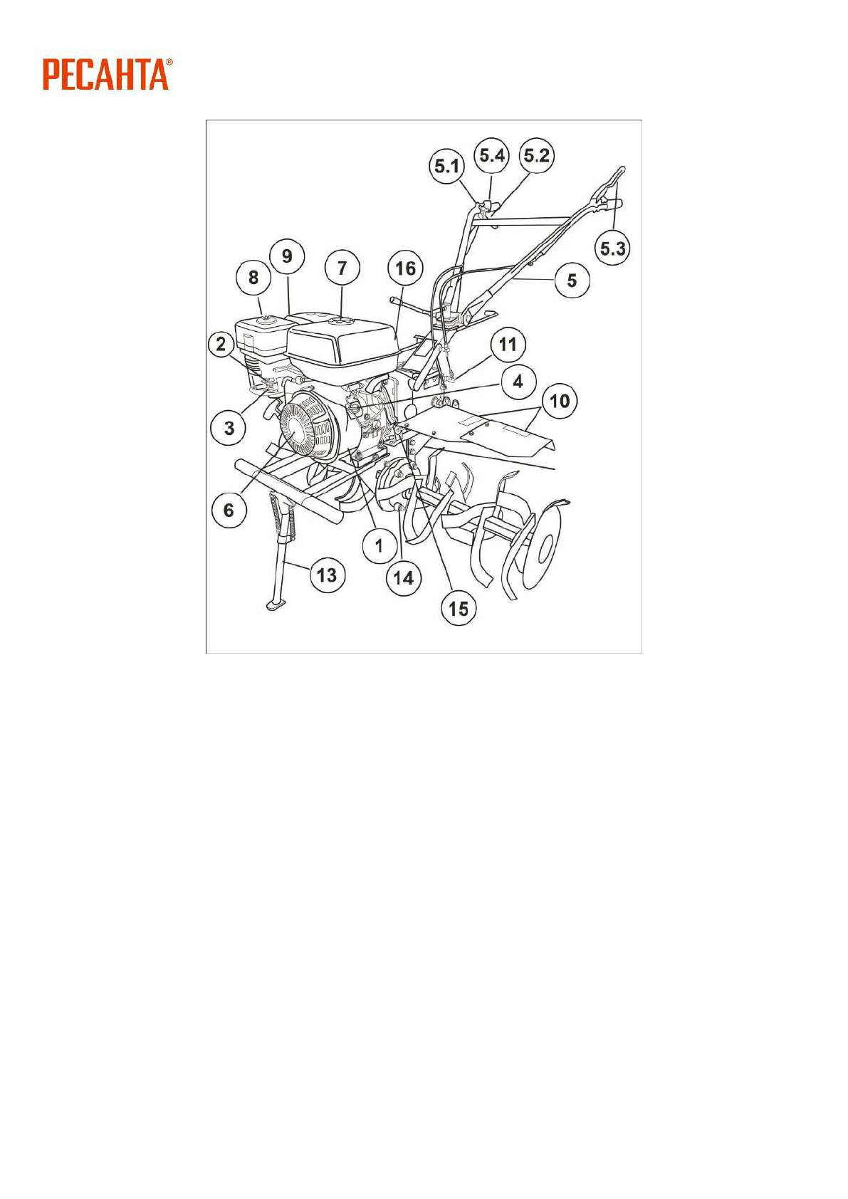
ОБЩИЙ ВИД УСТРОЙСТВА
Рис. 1. Общий вид
Основные узлы:
1.
Двигатель в сборе
2.
Воздушная заслонка
3.
Топливный кран
4.
Ручка включения/выключения зажигания
5.
Ручка управления
5.1.
Рычаг газа
5.2.
Ручка заднего хода (правая)
5.3.
Ручка сцепления переднего хода (левая)
5.4.
Выносная кнопка включения
/
выключения зажигания
6.
Ручка стартера
7.
Горловина топливного бака
8.
Корпус воздушного фильтра
9.
Свеча зажигания
10.
Защитные крылья
11.
Кронштейн для крепления навесного оборудования (плуг, сошник, окучник и прочее)
12.
Сошник
13.
Подножка
14.
Редуктор
15.
Маслоналивная горловина двигателя и щуп.
16.
Маслоналивная горловина редуктора
Содержание
- 4 СОДЕРЖАНИЕ
- 5 ОБЩИЕ СВЕДЕНИЯ
- 6 ПРАВИЛА БЕЗОПАСНОСТИ
- 8 ОБЩИЙ ВИД УСТРОЙСТВА
- 9 сельскохозяйственной машины (далее СМ; СБОРКА И РЕГУЛИРОВКА; Используя специальный болт из комплекта; МБ
- 10 основной ручке выключения зажигания; Соединение клеммы выносной кнопки стартера; При помощи болтов из комплекта соберите фрезы; Фреза в сборе
- 13 Нормальный уровень масла; Для проверки уровня масла необходимо, чтобы устройство; MIN
- 14 Что бы залить/долить масло в; двигатель; необходимо выполнить следующие; Откручивание крышки наливной горловины двигателя; проверьте уровень масла по отметке на щупе.; Заливка масла в двигатель; последующие каждые
- 15 Топливо; В качестве топлива используйте бензин с октановым числом 92; Открытие крышки бензобака; Воздушный фильтр; необходимости; . Извлечение воздушного
- 16 ЗАПУСК ДВИГАТЕЛЯ; Для запуска двигателя необходимо выполнить следующие действия:; Открытие топливного крана; Закройте; Закрытие воздушной заслонки
- 17 Включите зажигание; Включение зажигания; Поверните рычаг газа в минимальное положение; Установка рычага газа в минимальное положение; Потяните рукоятку стартера до тех пор, пока вы не почувствуете; Запуск двигателя ручкой стартера
- 18 Перевод; назад
- 19 Установите ручку газа в максимальное положение; Перевод ручки газа в максимальное положение; Остановка двигателя
- 20 При нормальных условиях; Дождитесь охлаждения двигателя (2; Выключение зажигания
- 21 струю воды под давлением.; Очистка воздушного фильтра (проверка производится перед каждым; Открытие крышки корпуса
- 22 Перед началом работы всегда проверяйте уровень масла
- 23 Опасность взрыва при воспламенении паров бензина.
- 24 Неисправность
- 27 ГАРАНТИЙНЫЙ ТАЛОН; Сельскохозяйственная машина «РЕСАНТА»
Характеристики
Остались вопросы?Не нашли свой ответ в руководстве или возникли другие проблемы? Задайте свой вопрос в форме ниже с подробным описанием вашей ситуации, чтобы другие люди и специалисты смогли дать на него ответ. Если вы знаете как решить проблему другого человека, пожалуйста, подскажите ему :)