Мотоблоки Ресанта МБ-11000 - инструкция пользователя по применению, эксплуатации и установке на русском языке. Мы надеемся, она поможет вам решить возникшие у вас вопросы при эксплуатации техники.
Если остались вопросы, задайте их в комментариях после инструкции.
"Загружаем инструкцию", означает, что нужно подождать пока файл загрузится и можно будет его читать онлайн. Некоторые инструкции очень большие и время их появления зависит от вашей скорости интернета.

8
4.
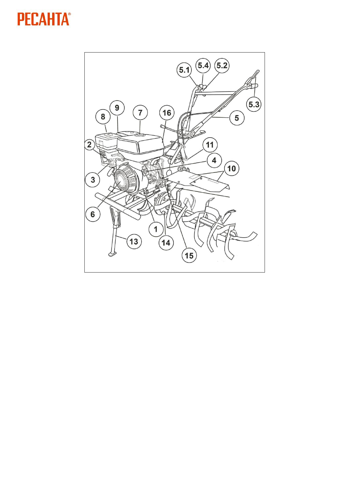
ОБЩИЙ ВИД УСТРОЙСТВА
Рис. 1. Общий вид
Основные узлы:
1.
Двигатель в сборе
2.
Воздушная заслонка
3.
Топливный кран
4.
Ручка включения/выключения зажигания
5.
Ручка управления
5.1.
Рычаг газа
5.2.
Ручка заднего хода (правая)
5.3.
Ручка сцепления переднего хода (левая)
5.4.
Выносная кнопка включения/выключения зажигания
6.
Ручка стартера
7.
Горловина топливного бака
8.
Корпус воздушного фильтра
9.
Свеча зажигания
10.
Защитные крылья
11.
Кронштейн для крепления навесного оборудования (плуг, сошник, окучник и прочее)
12.
Сошник
13.
Подножка
14.
Редуктор
15.
Маслоналивная горловина двигателя и щуп.
16.
Маслоналивная горловина редуктора
Содержание
- 4 СОДЕРЖАНИЕ
- 5 ОБЩИЕ СВЕДЕНИЯ; ознакомьтесь с данным руководством по эксплуатации.
- 6 ПРАВИЛА БЕЗОПАСНОСТИ
- 8 ОБЩИЙ ВИД УСТРОЙСТВА
- 10 основной ручке выключения зажигания; Рис. 4. Соединение клеммы выносной кнопки стартера; При помощи болтов из комплекта соберите фрезы. Лезвия необходимо
- 11 на кронштейне рукоятки; Рис. 7. Установка рукоятки переключения передач; болты и гайки из комплекта; Рис. 8. Установка задней балки крепления крыльев
- 12 для этого болты и гайки из комплекта; Рис. 9. Установка кронштейна крепления крыльев
- 14 Заливка масла в; редуктор; сельскохозяйственной машины.; Что бы залить/долить масло в; двигатель; необходимо выполнить следующие; Рис. 15. Откручивание крышки наливной горловины двигателя; MIN
- 15 последующие каждые 25 моточасов работы.; Топливо
- 16 Воздушный фильтр; воздушного фильтра
- 17 ЗАПУСК ДВИГАТЕЛЯ; Поверните рычаг топливного крана в положение «Открыто».
- 18 Поверните рычаг газа в минимальное положение.; Рис. 24. Установка рычага газа в минимальное положение; Потяните рукоятку стартера до тех пор, пока вы не почувствуете; Рис. 25. Запуск двигателя ручкой стартера
- 19 Для начала движения; вперед; Рис. 26. Перевод ручки газа в максимальное положение; Для движения; назад; необходимо сделать следующее:
- 20 Установите ручку газа в максимальное положение; Рис. 28. Перевод ручки газа в максимальное положение; Остановка двигателя
- 21 Рис. 32. Установка рычага газа в минимальное положение; Дождитесь охлаждения двигателя (2-3 минуты на малых оборотах без
- 22 ЧИСТКА И ОБСЛУЖИВАНИЕ; водой и протрите ветошью.; особенно редуктора, струю воды под давлением.; Очистка воздушного фильтра (проверка производится перед каждым; извлеките и воздушный фильтр.; Полностью высушите фильтр перед установкой.
- 23 фильтра; Проверка топливной системы также производится перед каждым
- 24 ХРАНЕНИЕ; Опасность взрыва при воспламенении паров бензина.
- 25 ВОЗМОЖНЫЕ НЕИСПРАВНОСТИ И СПОСОБЫ ИХ УСТРАНЕНИЯ; Неисправность
- 27 ГАРАНТИЙНЫЕ ОБЯЗАТЕЛЬСТВА
- 28 ГАРАНТИЙНЫЙ ТАЛОН
Характеристики
Остались вопросы?Не нашли свой ответ в руководстве или возникли другие проблемы? Задайте свой вопрос в форме ниже с подробным описанием вашей ситуации, чтобы другие люди и специалисты смогли дать на него ответ. Если вы знаете как решить проблему другого человека, пожалуйста, подскажите ему :)