Мотоблоки Huter MK-8000 - инструкция пользователя по применению, эксплуатации и установке на русском языке. Мы надеемся, она поможет вам решить возникшие у вас вопросы при эксплуатации техники.
Если остались вопросы, задайте их в комментариях после инструкции.
"Загружаем инструкцию", означает, что нужно подождать пока файл загрузится и можно будет его читать онлайн. Некоторые инструкции очень большие и время их появления зависит от вашей скорости интернета.

8
4.
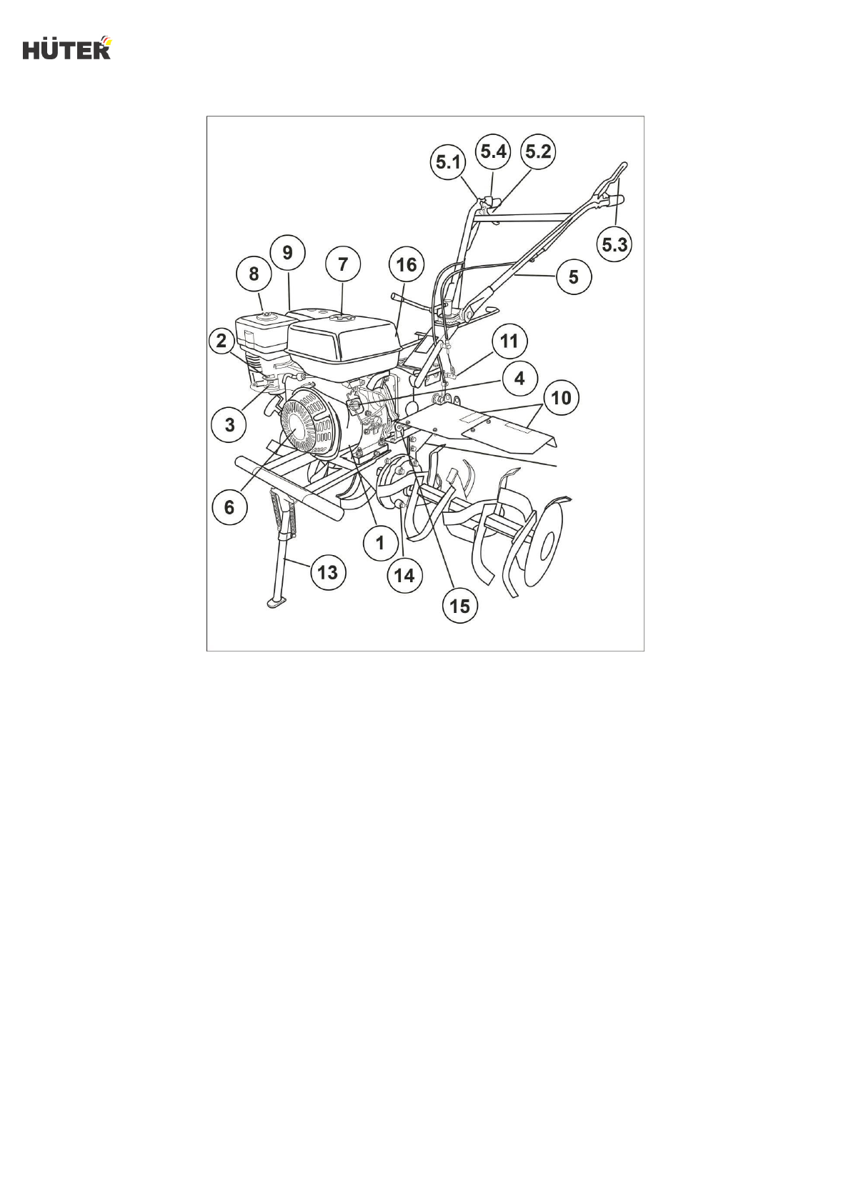
ОБЩИЙ ВИД УСТРОЙСТВА
Рис. 1. Общий вид
Основные узлы:
1.
Двигатель в сборе
2.
Воздушная заслонка
3.
Топливный кран
4.
Ручка включения/выключения зажигания
5.
Ручка управления
5.1.
Рычаг газа
5.2.
Ручка заднего хода (правая)
5.3.
Ручка сцепления переднего хода (левая)
5.4.
Выносная кнопка включения/выключения зажигания
6.
Ручка стартера
7.
Горловина топливного бака
8.
Корпус воздушного фильтра
9.
Свеча зажигания
10.
Защитные крылья
11.
Кронштейн для крепления навесного оборудования (плуг, сошник, окучник и прочее)
12.
Сошник
13.
Подножка
14.
Редуктор
15.
Маслоналивная горловина двигателя и щуп.
16.
Маслоналивная горловина редуктора
Характеристики
Остались вопросы?Не нашли свой ответ в руководстве или возникли другие проблемы? Задайте свой вопрос в форме ниже с подробным описанием вашей ситуации, чтобы другие люди и специалисты смогли дать на него ответ. Если вы знаете как решить проблему другого человека, пожалуйста, подскажите ему :)