Мотоблоки HUTER МК-8000/135 - инструкция пользователя по применению, эксплуатации и установке на русском языке. Мы надеемся, она поможет вам решить возникшие у вас вопросы при эксплуатации техники.
Если остались вопросы, задайте их в комментариях после инструкции.
"Загружаем инструкцию", означает, что нужно подождать пока файл загрузится и можно будет его читать онлайн. Некоторые инструкции очень большие и время их появления зависит от вашей скорости интернета.

8
3
. КОМПЛЕКТНОСТЬ
Двигатель сельскохозяйственной машины в сборе с рамой.
Рукоятка управления
Комплект кронштейнов и лезвий для фрез в разборе
Рукоятка переключения передач
Комплект инструмента для сборки
Крепежный комплект
Защитные крылья в разборе
Кронштейны для крепления крыльев
Паспорт изделия
4.
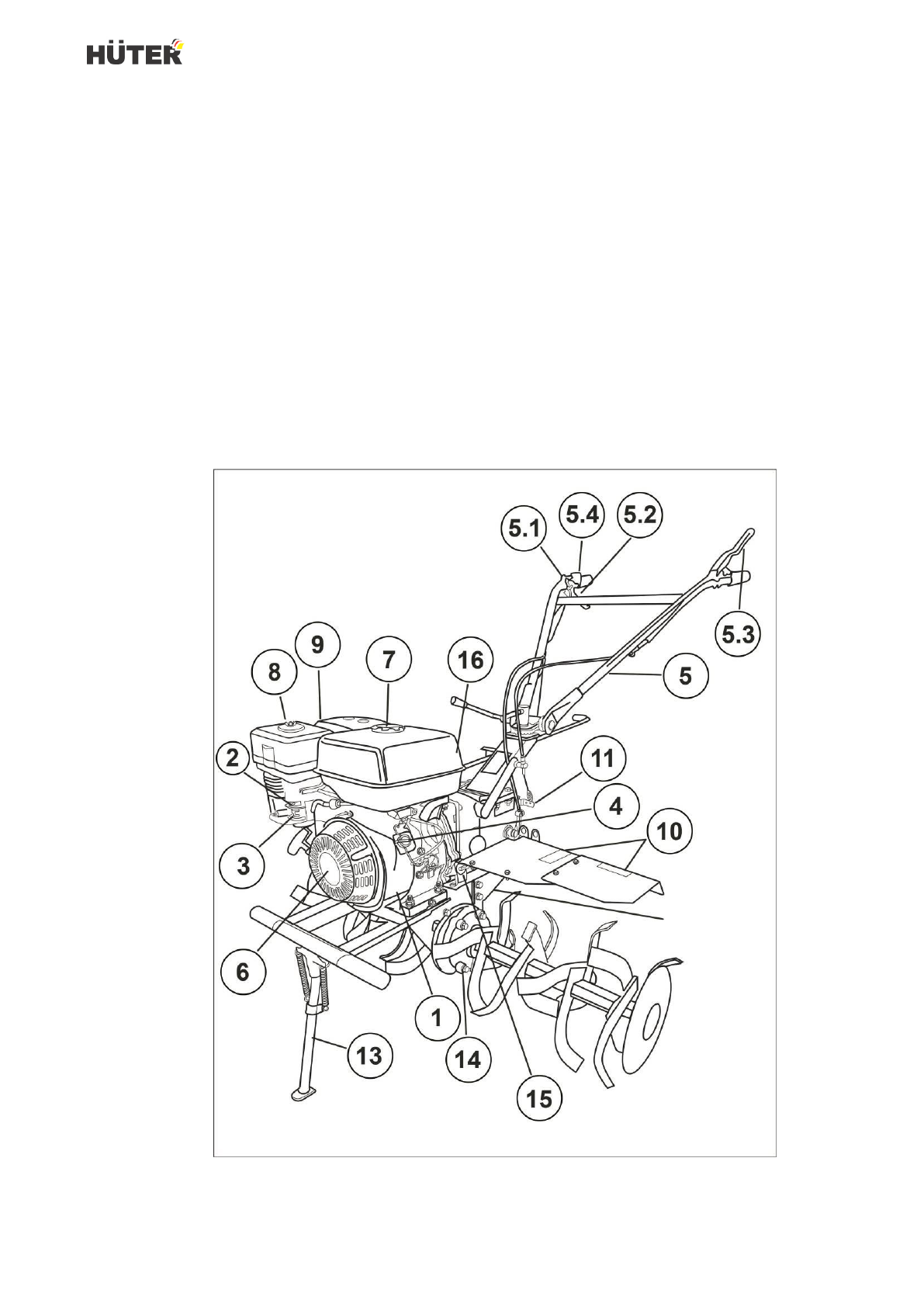
ОБЩИЙ ВИД УСТРОЙСТВА
Рис. 1. Общий вид
Содержание
- 3 СОДЕРЖАНИЕ
- 4 ОБЩИЕ СВЕДЕНИЯ
- 5 ПРАВИЛА БЕЗОПАСНОСТИ
- 6 . Не заправляйте и не рабо
- 7 ОБЩИЙ ВИД УСТРОЙСТВА
- 8 ТЕХНИЧЕСКИЕ ХАРАКТЕРИСТИКИ; Изготовитель оставляет за собой право вносить изменения в; BIG FOOT
- 9 СБОРКА И РЕГУЛИРОВКА
- 10 Рис. 4. Соединение клеммы выносной кнопки стартера; При помощи болтов из комплекта соберите фрезы. Лезвия
- 14 MIN
- 15 Для проверки уровня масла необходимо, чтобы устройство было; двигатель; необходимо выполнить; Рис. 15. Откручивание крышки наливной горловины двигателя; Вставьте щуп в заливную горловину не заворачивая его. Затем
- 16 Рис. 18 Масло «HUTER»; Рекомендуется использовать моторное масло вязкостью 10W40; Топливо; В качестве топлива используйте бензин с октановым числом 92.
- 17 Воздушный фильтр; Обязательно проверьте наличие воздушного фильтра перед; воздушного фильтра; После проверки обязательно залейте масло в масляную ванну
- 18 ЗАПУСК ДВИГАТЕЛЯ; Для запуска двигателя необходимо выполнить следующие
- 19 Поверните рычаг газа в минимальное положение.; Рис. 24. Установка рычага газа в минимальное положение; Поставьте коробку передач в нейтральное положение «О» с; Рис. 25. Запуск двигателя ручкой стартера
- 20 Рис. 26. Перевод ручки газа в максимальное положение
- 21 назад; Рис. 28. Перевод ручки газа в максимальное положение
- 22 Во избежание попадания масла в камеру сгорания во время; Начало движения; При нормальных условиях для остановки двигателя, выполняйте; Рис. 32. Установка рычага газа в минимальное положение
- 23 ЧИСТКА И ОБСЛУЖИВАНИЕ; После работы устройство необходимо почистить. Прочистите
- 25 Перед началом работы всегда проверяйте уровень масла.; ХРАНЕНИЕ; Опасность взрыва при воспламенении паров бензина.
- 26 Неисправность
- 27 ГАРАНТИЙНЫЕ ОБЯЗАТЕЛЬСТВА
Характеристики
Остались вопросы?Не нашли свой ответ в руководстве или возникли другие проблемы? Задайте свой вопрос в форме ниже с подробным описанием вашей ситуации, чтобы другие люди и специалисты смогли дать на него ответ. Если вы знаете как решить проблему другого человека, пожалуйста, подскажите ему :)