Мотоблоки Huter МК-17000M - инструкция пользователя по применению, эксплуатации и установке на русском языке. Мы надеемся, она поможет вам решить возникшие у вас вопросы при эксплуатации техники.
Если остались вопросы, задайте их в комментариях после инструкции.
"Загружаем инструкцию", означает, что нужно подождать пока файл загрузится и можно будет его читать онлайн. Некоторые инструкции очень большие и время их появления зависит от вашей скорости интернета.

8
4.
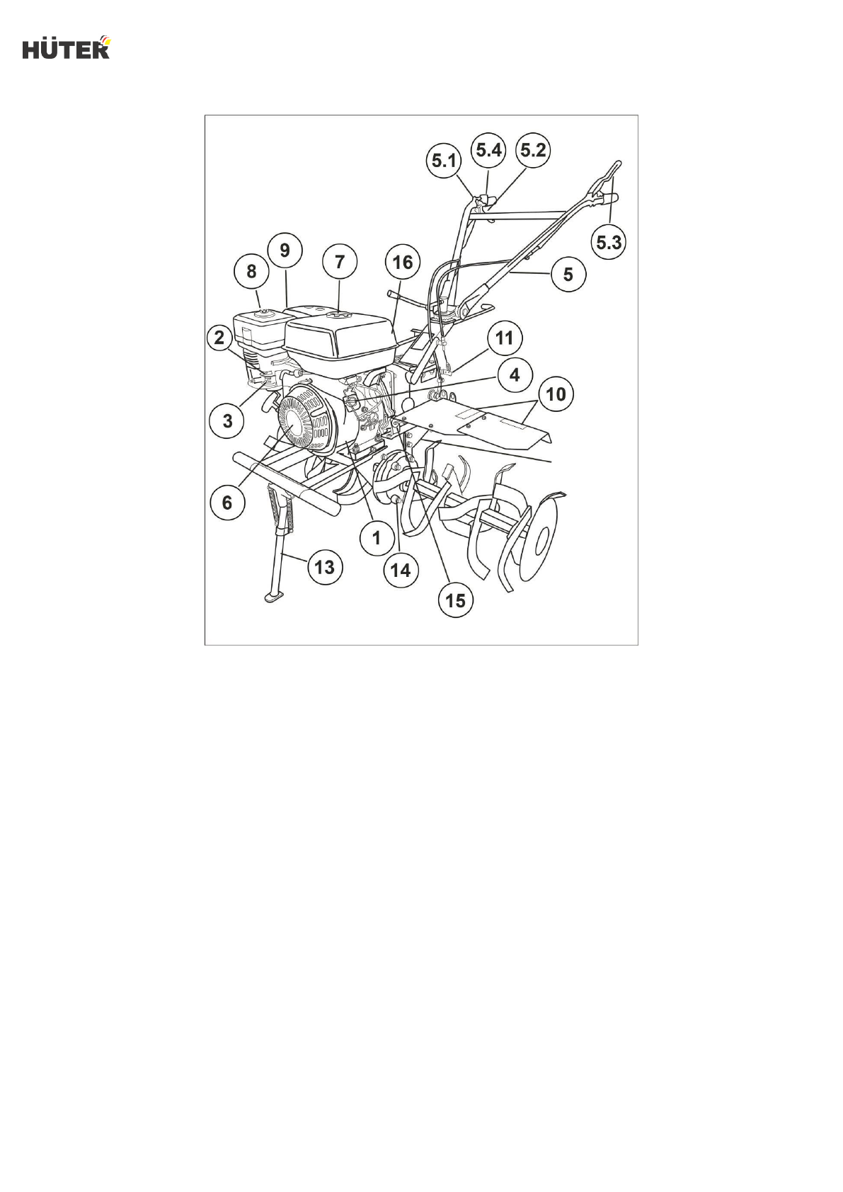
ОБЩИЙ ВИД УСТРОЙСТВА
Рис. 1. Общий вид
Основные узлы:
1.
Двигатель в сборе
2.
Воздушная заслонка
3.
Топливный кран
4.
Ручка включения/выключения зажигания
5.
Ручка управления
5.1.
Рычаг газа
5.2.
Ручка заднего хода (правая)
5.3.
Ручка сцепления переднего хода (левая)
5.4.
Выносная кнопка включения/выключения зажигания
6.
Ручка стартера
7.
Горловина топливного бака
8.
Корпус воздушного фильтра
9.
Свеча зажигания
10.
Защитные крылья
11.
Кронштейн для крепления навесного оборудования (плуг, сошник, окучник и прочее)
12.
Сошник
13.
Подножка
14.
Редуктор
15.
Маслоналивная горловина двигателя и щуп.
16.
Маслоналивная горловина редуктора
Содержание
- 5 ОБЩИЕ СВЕДЕНИЯ; ознакомьтесь с данным руководством по эксплуатации.
- 6 ПРАВИЛА БЕЗОПАСНОСТИ
- 8 ОБЩИЙ ВИД УСТРОЙСТВА
- 9 ТЕХНИЧЕСКИЕ ХАРАКТЕРИСТИКИ; BIG FOOT
- 10 СБОРКА И РЕГУЛИРОВКА; основной ручке выключения зажигания; Рис. 4. Соединение клеммы выносной кнопки стартера
- 11 Рис. 7. Установка рукоятки переключения передач
- 12 и гайки из комплекта; Рис. 8. Установка задней балки крепления крыльев; для этого болты и гайки из комплекта; Рис. 9. Установка кронштейна крепления крыльев
- 13 Установите кронштейн сошника (сцепку) на прицепное устройство и
- 14 Установите сошник на сцепку и зафиксируйте пальцем и шплинтом; ПОДГОТОВКА К РАБОТЕ; сельскохозяйственной машины.; двигатель; MIN
- 15 Что бы залить/долить масло в; необходимо выполнить следующие; Рис. 15. Откручивание крышки наливной горловины двигателя
- 16 Рис. 18 Масло «HUTER»; последующие каждые 25 моточасов работы.; Топливо
- 17 Воздушный фильтр; воздушного фильтра
- 18 ЗАПУСК ДВИГАТЕЛЯ; Поверните рычаг топливного крана в положение «Открыто».
- 19 Поверните рычаг газа в минимальное положение.; Рис. 24. Установка рычага газа в минимальное положение; Потяните рукоятку стартера до тех пор, пока вы не почувствуете; Рис. 25. Запуск двигателя ручкой стартера
- 20 Для начала движения; вперед; Рис. 26. Перевод ручки газа в максимальное положение; Для движения; назад; необходимо сделать следующее:
- 21 Установите ручку газа в максимальное положение; Рис. 28. Перевод ручки газа в максимальное положение; Остановка двигателя
- 22 Рис. 32. Установка рычага газа в минимальное положение; Дождитесь охлаждения двигателя (2-3 минуты на малых оборотах без
- 23 струю воды под давлением. Отчистите двигатель щёткой или ветошью.; Очистка воздушного фильтра (проверка производится перед каждым; Проверка топливной системы также производится перед каждым
- 24 Опасность взрыва при воспламенении паров бензина.
- 25 ВОЗМОЖНЫЕ НЕИСПРАВНОСТИ И СПОСОБЫ ИХ УСТРАНЕНИЯ; Неисправность
- 27 ГАРАНТИЙНЫЕ ОБЯЗАТЕЛЬСТВА
- 28 ГАРАНТИЙНЫЙ ТАЛОН
Характеристики
Остались вопросы?Не нашли свой ответ в руководстве или возникли другие проблемы? Задайте свой вопрос в форме ниже с подробным описанием вашей ситуации, чтобы другие люди и специалисты смогли дать на него ответ. Если вы знаете как решить проблему другого человека, пожалуйста, подскажите ему :)