Мотоблоки HUTER MK-15000 - инструкция пользователя по применению, эксплуатации и установке на русском языке. Мы надеемся, она поможет вам решить возникшие у вас вопросы при эксплуатации техники.
Если остались вопросы, задайте их в комментариях после инструкции.
"Загружаем инструкцию", означает, что нужно подождать пока файл загрузится и можно будет его читать онлайн. Некоторые инструкции очень большие и время их появления зависит от вашей скорости интернета.

8
3
. КОМПЛЕКТНОСТЬ
Двигатель сельскохозяйственной машины в сборе с рамой.
Рукоятка управления
Комплект кронштейнов и лезвий для фрез в разборе
Рукоятка переключения передач
Комплект инструмента для сборки
Крепежный комплект
Защитные крылья в разборе
Кронштейны для крепления крыльев
Паспорт изделия
4.
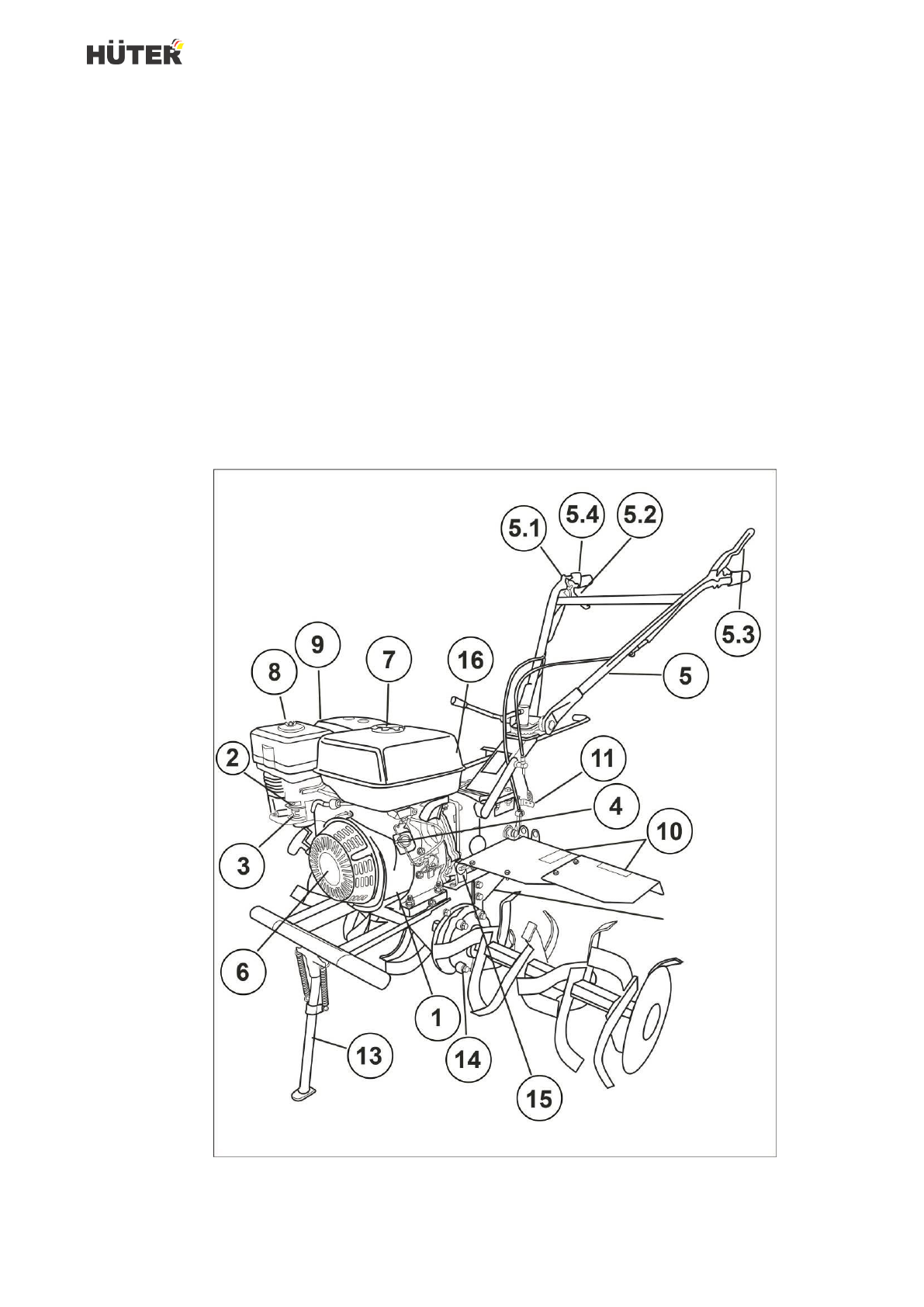
ОБЩИЙ ВИД УСТРОЙСТВА
Рис. 1. Общий вид
Характеристики
Остались вопросы?Не нашли свой ответ в руководстве или возникли другие проблемы? Задайте свой вопрос в форме ниже с подробным описанием вашей ситуации, чтобы другие люди и специалисты смогли дать на него ответ. Если вы знаете как решить проблему другого человека, пожалуйста, подскажите ему :)