Морозильные камеры Frostor-Gellar FG 500 С - инструкция пользователя по применению, эксплуатации и установке на русском языке. Мы надеемся, она поможет вам решить возникшие у вас вопросы при эксплуатации техники.
Если остались вопросы, задайте их в комментариях после инструкции.
"Загружаем инструкцию", означает, что нужно подождать пока файл загрузится и можно будет его читать онлайн. Некоторые инструкции очень большие и время их появления зависит от вашей скорости интернета.

Самостоятельно производить какие-либо действия связанные с ремонтом.
Включать морозильник в электросеть, не соответствующую должным параметрам.
Эксплуатировать изделие с открытой решеткой агрегатного
Удалять снеговую шубу внутри морозильника механическим
Прикасаться одновременно к морозильнику
производить влажную уборку в зоне работающего морозильника.
Производить оттаивание, уборку изделия внутри и снаружи, перемещение
от электросети.
В случае предполагаемой неисправности изделия, перед
исправность предохранителей, наличие напряжения в электросети.
Если проверка вышеуказанных пунктов не дала ни каких результатов,
сообщив серийный номер и модель изделия, указанные на табличке
1.
Морозильный ларь - 1 шт.
2.
Картонная упаковка – 1 шт.
3.
Поддон – 1шт.
4.
Руководство по эксплуатации -1 шт.
Колеса, корзины, ручки комплектуются в зависимости от исполнения изделия.
Морозильники горизонтальные и бонеты
Морозильники горизонтальные FROSTOR
СООТВЕТСТВИИ Техническим Регламентам ТАМОЖЕННОГО СОЮЗА Т
Морозильники горизонтальные GELLAR
Регламентам ТАМОЖЕННОГО СОЮЗА ТС № RU Д-
Производитель оставляет за собой право вносить технические изменения в изделия без предварительного уведомления.
Условные обозначения:
F – низкотемпературный;
G – модельный ряд «GELLAR»;
C – серия “Classiс”(классик) - морозильник горизонтальный
E – серия “Elegance” (элегант) - морозильник горизонтальный
S – серия “Standart” (стандарт) - морозильник горизонтальный
В – бонета с прямым стеклом;
ВЕ – бонета с гнутым стеклом;
SD - две глухие крышки (стандарт дабл)
ST – климатический класс – субтропический (4+);
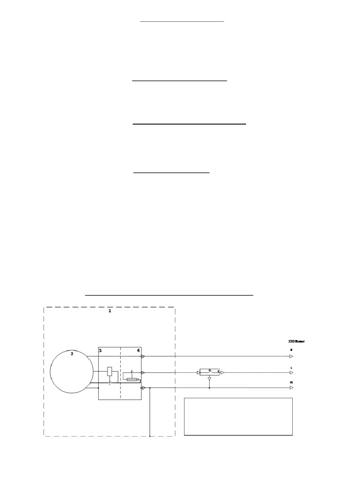
Принципиальная
4.Категорически запрещается
либо действия связанные с ремонтом.
не соответствующую должным параметрам.
Эксплуатировать изделие с открытой решеткой агрегатного отсека, тянуть изделие за провод электроснабжения.
Удалять снеговую шубу внутри морозильника механическим способом используя острые и металлические инструменты.
Прикасаться одновременно к морозильнику и к приборам, имеющим естественное заземление (отопительные трубы, газовые
производить влажную уборку в зоне работающего морозильника.
ия внутри и снаружи, перемещение изделия на другое место, уборку под
5.Неисправности и их устранение
В случае предполагаемой неисправности изделия, перед вызовом персонала технического обслуживания проверьте подключение
напряжения в электросети.
Если проверка вышеуказанных пунктов не дала ни каких результатов, в случае гарантийного ремонта обратитесь в Единый Сервисный центр,
изделия, указанные на табличке.
6. В базовый комплект поставки входит:
зависимости от исполнения изделия.
7. Технические параметры
FROSTOR/ GELLAR:
– морозильные лари и бонеты соответствуют ТУ 5151-001-17728361
Регламентам ТАМОЖЕННОГО СОЮЗА ТC № RU Д-RU .AГ03.В.76909 от 28.05.2015.
соответствуют ТУ 5151-005-17728361-2016. ДЕКЛАРАЦИЯ О СООТВЕТСТВИИ Техническим
-RU.АВ29.В.20868. Дата регистрации декларации о соответствии
Производитель оставляет за собой право вносить технические изменения в изделия без предварительного уведомления.
морозильник горизонтальный с прямым стеклом (стеклянная прямая крышка);
морозильник горизонтальный с гнутым стеклом (стеклянная гнутая крышка);
морозильник горизонтальный с глухой крышкой (глухая крышка);
две глухие крышки (стандарт дабл);
субтропический (4+);
Принципиальная электрическая схема морозильного ларя
1 – корпус морозильного ларя
2 – компрессор
3 – пусковое реле
4 – реле защиты
5 - терморегулятор
отсека, тянуть изделие за провод электроснабжения.
способом используя острые и металлические инструменты.
имеющим естественное заземление (отопительные трубы, газовые плиты),
зделия на другое место, уборку под морозильником не отключив
вызовом персонала технического обслуживания проверьте подключение морозильника к электросети,
обратитесь в Единый Сервисный центр,
В базовый комплект поставки входит:
17728361-2013. ДЕКЛАРАЦИЯ О
Г03.В.76909 от 28.05.2015.
ДЕКЛАРАЦИЯ О СООТВЕТСТВИИ Техническим
Дата регистрации декларации о соответствии 25.03.2016.
Производитель оставляет за собой право вносить технические изменения в изделия без предварительного уведомления.
стеклянная прямая крышка);
стеклянная гнутая крышка);
глухая крышка);
электрическая схема морозильного ларя
корпус морозильного ларя
Характеристики
Остались вопросы?Не нашли свой ответ в руководстве или возникли другие проблемы? Задайте свой вопрос в форме ниже с подробным описанием вашей ситуации, чтобы другие люди и специалисты смогли дать на него ответ. Если вы знаете как решить проблему другого человека, пожалуйста, подскажите ему :)











