Морозильные камеры Liebherr GN 3735-20 001 - инструкция пользователя по применению, эксплуатации и установке на русском языке. Мы надеемся, она поможет вам решить возникшие у вас вопросы при эксплуатации техники.
Если остались вопросы, задайте их в комментариях после инструкции.
"Загружаем инструкцию", означает, что нужно подождать пока файл загрузится и можно будет его читать онлайн. Некоторые инструкции очень большие и время их появления зависит от вашей скорости интернета.

ВНИМАНИ
Е
обозначает опасную ситуацию,
которая, если не будет устранена,
может привести к повреждению
имущества.
Указание
обозначает полезные указания и
советы.
3 Органы управления и инди-
кации
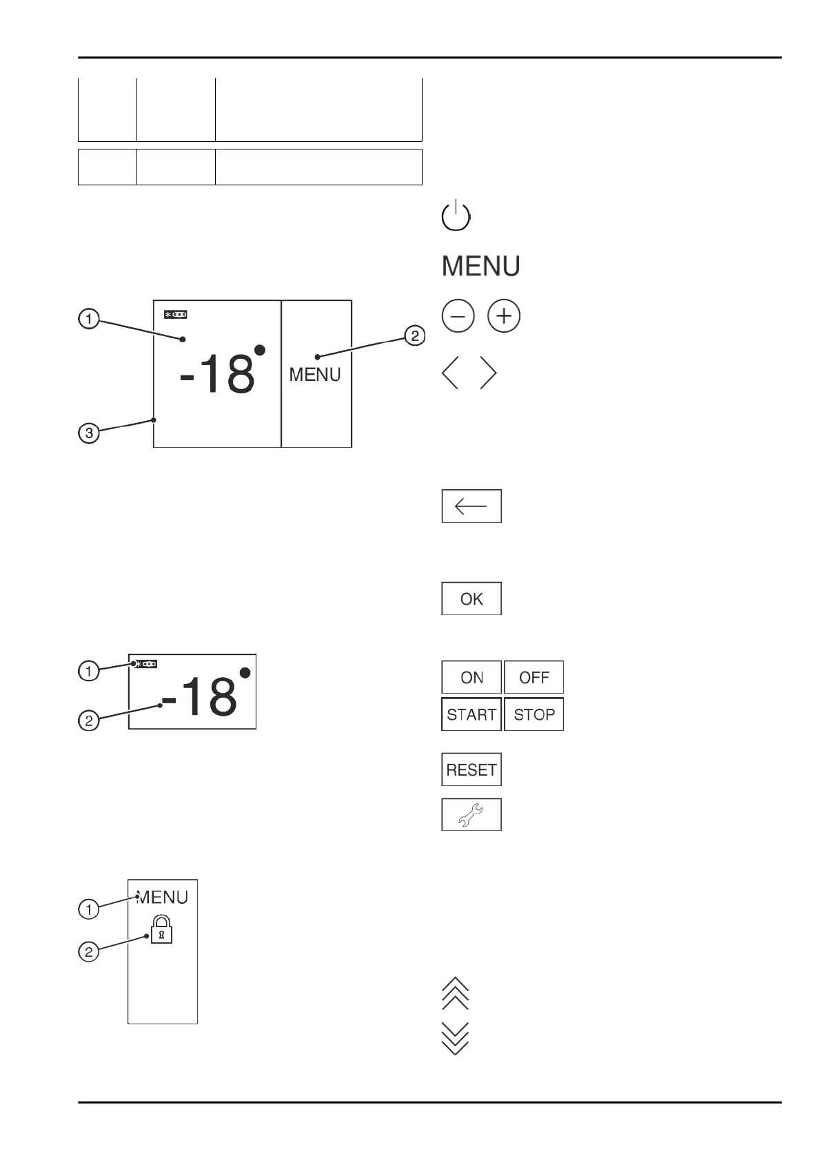
3.1 Основной экран
Fig. 3
(1) Поле морозильного
отделения
(3) Экран
(2) Поле меню
Основной экран представляет собой индикатор выходных
параметров для пользователя. Отсюда предпринимаются
все регулировки.
Путем нажатия на экран можно вызывать функции и изме-
нять параметры.
3.2 Структура управления
Поле морозильного отделения
Fig. 4
(1) Символ для морозиль-
ного отделения
(2) Индикатор температуры
морозильного отделения
В
поле
морозильного
отделения
отображается
настроенная температура морозильного отделения.
Можно предпринимать следующие настройки.
-
Настройки температуры.
-
Устройство выключить, экран остается работающим.
Поле меню
Fig. 5
(1) Главное меню
(2) Активированная опция
Поле меню обеспечивает доступ к опциям и настройкам
устройства. В дополнение к этому отображаются активные
опции.
3.3 Навигация
Доступ к отдельным опциям происходит путем нажатия на
меню. После подтверждения опции или настройки
раздается звуковой сигнал. Индикатор переходит в режим
основного экрана.
Обслуживание устройства происходит через следующие
символы.
Режим готовности к работе:
включение устройства и темпера-
турной зоны.
Меню:
вызов опций.
Минус/плюс:
изменение настройки (например,
регулировка температуры).
Навигационная стрелка левая/
правая:
выбор опций и навигация по меню.
С
помощью
навигационных
стрелок можно по очереди перехо-
дить к отдельным опциям. После
последней опции снова появл-
яется первая.
Назад:
отмена выбора.
Индикатор
переходит
на
ближайший
более
высокий
уровень или к главному экрану.
OK:
Подтверждение выбора.
После подтверждения индикатор
переходит к основному экрану.
ON / OFF, START / STOP
Активация/деактивация опции.
После активации или деактивации
опции индикатор переходит к
основному экрану.
RESET:
Сброс таймера.
Доступ только для сервисной
службы
Указание
Если выбор не происходит за 1 минуту, индикатор пере-
ходит к основному экрану.
3.4 Символы индикации
Символы индикации дают представление о текущем
состоянии устройства.
Восходящие стрелки:
температура повышается.
Нисходящие стрелки:
температура понижается.
Органы управления и индикации
6
* Наличие в зависимости от модели и комплектации













