Морозильные камеры KitchenAid KCBSX 60600 - инструкция пользователя по применению, эксплуатации и установке на русском языке. Мы надеемся, она поможет вам решить возникшие у вас вопросы при эксплуатации техники.
Если остались вопросы, задайте их в комментариях после инструкции.
"Загружаем инструкцию", означает, что нужно подождать пока файл загрузится и можно будет его читать онлайн. Некоторые инструкции очень большие и время их появления зависит от вашей скорости интернета.

22
Размеры упаковки
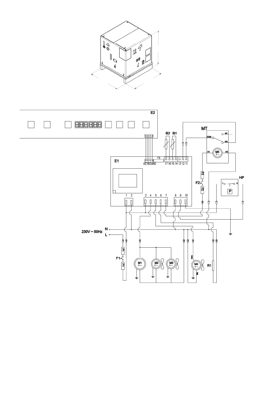
Электрическая схема
Обозначения:
B1 = Датчик температуры воздуха в камере
B2 = Термощуп
E1 = Плата питания
E2 = Плата управления
F1 = Предохранитель в цепи питания
F2 = Предохранитель электродвигателя привода нижней дверцы
HP = Реле давления в линии высокого давления
M1 = Компрессор
M2/M3 = Электромотор вентилятора конденсатора
M4 = Электромотор вентилятора внутри камеры
M5 = Электродвигатель привода нижней дверцы
R1 = Нагревательный элемент
660
685
755
Вес брутто = 60 г













