Моноблоки Lenovo Yoga A940-27ICB - инструкция пользователя по применению, эксплуатации и установке на русском языке. Мы надеемся, она поможет вам решить возникшие у вас вопросы при эксплуатации техники.
Если остались вопросы, задайте их в комментариях после инструкции.
"Загружаем инструкцию", означает, что нужно подождать пока файл загрузится и можно будет его читать онлайн. Некоторые инструкции очень большие и время их появления зависит от вашей скорости интернета.

-73-
Информация о совместимости
Самая последняя информация в электронном виде о совместимости и
безопасности для окружающей среды доступна на веб-сайтах Lenovo.
Чтобы ознакомиться с информацией о совместимости, посетите веб-сайт
https://www.lenovo.com/compliance
.
Чтобы загрузить сведения о защите окружающей среды, посетите веб-сайт
https://www.lenovo.com/ecodeclaration
.
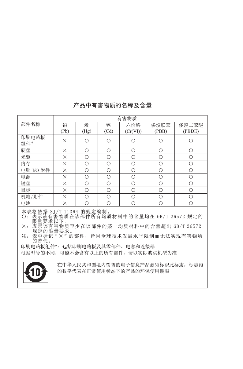
Директива RoHS Китая