Мониторы ViewSonic VX2363Smhl-W White - инструкция пользователя по применению, эксплуатации и установке на русском языке. Мы надеемся, она поможет вам решить возникшие у вас вопросы при эксплуатации техники.
Если остались вопросы, задайте их в комментариях после инструкции.
"Загружаем инструкцию", означает, что нужно подождать пока файл загрузится и можно будет его читать онлайн. Некоторые инструкции очень большие и время их появления зависит от вашей скорости интернета.

4
Краткое руководство по установке
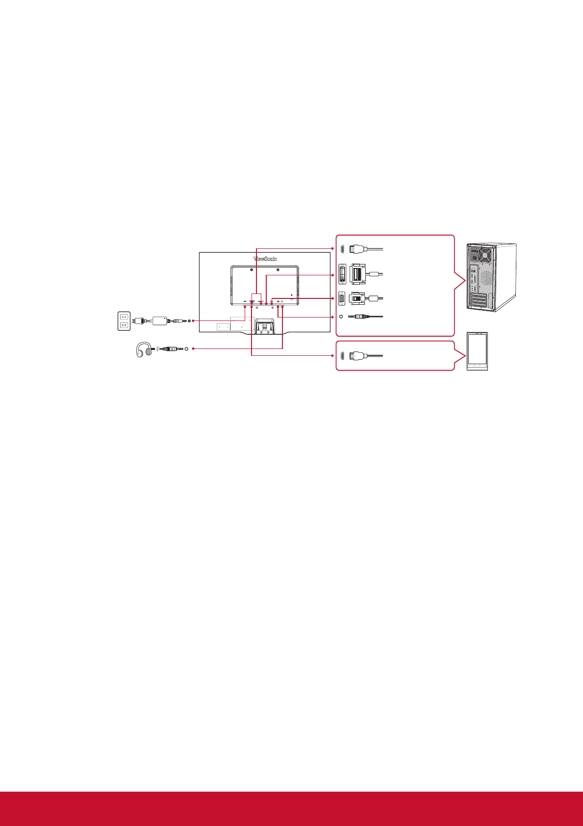
1. Подсоедините видеокабель
• Выключите как ЖК-дисплей, так и компьютер.
• При необходимости откройте заднюю панель
• Подсоедините видеокабель от монитора LCD display к компьютеру
Примечание: Для пользователей Macintosh (моделей ранее G3) требуется
адаптер. Подсоедините адаптер к компьютеру, а затем подсоедините
видеокабель к адаптеру. Для заказа адаптера обращайтесь в Службу
поддержки корпорации ViewSonic
®
.
2. Подсоедините кабель питания (и при необходимости сетевой блок
питания)
Кабель
питания
Аудиовыход
HDMI
DVI
D-Sub
Аудиовход
MHL
ПРИМЕЧАНИЕ:
HDMI (только для VX2363Smhl-W/VX2363Smhl-S)
DVI (только для VX2363S/VX2363S-W)
Аудиовход (только для VX2363Smhl-W/VX2363Smhl-S)
MHL (только для VX2363Smhl-W/VX2363Smhl-S)
3. Включите монитор LCD Display и компьютер
Включите питание монитора LCD display, затем включите питание
компьютера. Очень важно соблюдать указанную последовательность
включения (сначала монитор LCD display, затем компьютер).
ПРИМЕЧАНИЕ: Пользователи Windows могут получить запрос на установку
файла INF. Данный файл находится в папке «:\CD\vsfiles».
4. Поместите компакт-диск ViewSonic в привод для компакт-дисков
компьютера.
Если в компьютере отсутствует дисковод компакт-дисков, позвоните в
корпорацию ViewSonic (См. раздел “Служба поддержки” ).
5. Пользователи Windows: Установите частоту синхронизации
(например: 1024x768)
Инструкции по изменению разрешения и частоты обновления приведены в
Руководстве пользователя графической карты.
6. Установка завершена. ваш новый монитор LCD display корпорации
ViewSonic готов к эксплуатации.
Установка дополнительного ПО (необязательно)
1.
Поместите компакт-диск ViewSonic в привод для CD/DVD-дисков.
2.
Дважды щелкните папку «Software» и выберите требуемое приложение.
3.
Дважды щелкните файл «Setup.exe» и следуйте простым инструкциям на
экрана для выполнения установки.
Содержание
- 3 Соответствие СЕ для европейских стран
- 5 Декларация про соответствие RoHS2
- 6 Предостережения и предупреждения
- 8 Содержание; Данные по Авторским правам
- 10 Регистрация изделия; Справочная информация
- 11 Подготовка к работе; Комплект поставки
- 13 Установка арматуры для настенного монтажа
- 14 Установка режима синхронизации
- 15 Настройка изображения
- 17 Управление энергопотреблением
- 18 Прочая информация; Технические характеристики
- 19 Чистка монитора LCD Display
- 20 Поиск и устранение неисправностей
- 21 Служба поддержки
- 22 Ограниченная гарантия













