Мониторы ACER EB490QK (UM.SE0EE.001) - инструкция пользователя по применению, эксплуатации и установке на русском языке. Мы надеемся, она поможет вам решить возникшие у вас вопросы при эксплуатации техники.
Если остались вопросы, задайте их в комментариях после инструкции.
"Загружаем инструкцию", означает, что нужно подождать пока файл загрузится и можно будет его читать онлайн. Некоторые инструкции очень большие и время их появления зависит от вашей скорости интернета.

8
Установка
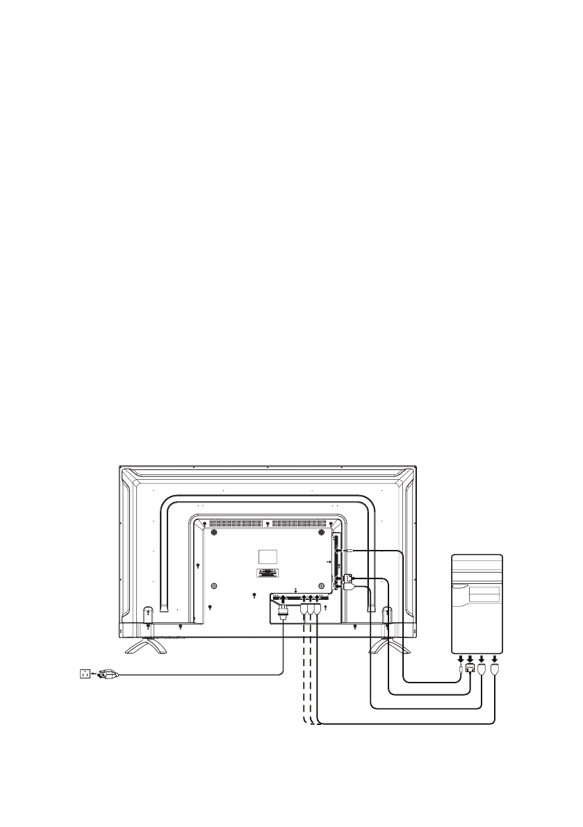
Для установки монитора в компьютерную систему выполните приведенные ниже шаги:
Шаги
1. Подсоедините видеокабель.
a. Удостоверьтесь, что компьютер и монитор выключены.
b. Подключите к компьютеру кабель видеосигнала VGA.
c. Подсоедините кабель HDMI (только для моделей с входом HDMI).
(1) Убедитесь, что компьютер и монитор выключены.
(2) Подсоедините один конец 19-контактного кабеля HDMI к задней части монитора, а
другой — к разъему на ПК.
d. Подсоедините цифровой кабель (только для моделей с DisplayPort).
(1) Убедитесь, что компьютер и монитор выключены.
(2) Подсоедините один конец 20-контактного кабеля DisplayPort к задней части монитора,
а другой — к разъему на ПК.
2. Подсоедините кабель питания.
Подсоедините кабель питания к монитору, а затем вставьте его в правильно заземленную
розетку.
3. Дополнительно: Соедините аудиовход (разъем AUDIO IN) ЖК-монитора и линейный выход
компьютера с помощью аудиокабеля.
4. Включите монитор и компьютер.
Сначала включите монитор, а затем компьютер. Последовательность крайне важна.
5. Если монитор не работает или работает неправильно, обратитесь к разделу «Устранение
неисправностей» для диагностики проблемы.
HDMI
DP
VGA
Содержание
- 4 Защите органов слуха
- 5 Обслуживание прибора; Потенциально взрывоопасные среды; Дополнительная информация о безопасности
- 7 Советы и рекомендации по удобному; Нахождение наиболее удобной зоны
- 8 Приобретение полезных привычек во время работы
- 12 Распаковка
- 13 Установка/ демонтаж основания
- 14 Канал данных дисплея (Display Data Channel –
- 15 Назначение контактов разъема; 9-контактный сигнальный кабель цветного дисплея
- 16 0-контактный сигнальный кабель цветного дисплея*
- 17 5-контактный сигнальный кабель цветного дисплея
- 18 Стандартная таблица синхронизации
- 19 Установка; Шаги
- 20 Использование оперативного меню; ЭЛЕМЕНТЫ УПРАВЛЕНИЯ ДЛЯ ПОЛЬЗОВАТЕЛЯ; Power
- 21 Настройка параметров; Acer eColor Management; Operation instructions; Возможности и преимущества
- 22 Регулировка настроек в экранном меню; Регулировка качества изображения
- 23 Настройка параметров экранного меню
- 24 Регулировка настроек
- 25 Сведения об изделии
- 26 Устранение неполадок; Режим VGA
Характеристики
Остались вопросы?Не нашли свой ответ в руководстве или возникли другие проблемы? Задайте свой вопрос в форме ниже с подробным описанием вашей ситуации, чтобы другие люди и специалисты смогли дать на него ответ. Если вы знаете как решить проблему другого человека, пожалуйста, подскажите ему :)












