Микроволновые печи WEISSGAUFF HMT-206 - инструкция пользователя по применению, эксплуатации и установке на русском языке. Мы надеемся, она поможет вам решить возникшие у вас вопросы при эксплуатации техники.
Если остались вопросы, задайте их в комментариях после инструкции.
"Загружаем инструкцию", означает, что нужно подождать пока файл загрузится и можно будет его читать онлайн. Некоторые инструкции очень большие и время их появления зависит от вашей скорости интернета.

1
2
ИНСТРУКЦИЯ ПО УСТАНОВКЕ
Пожалуйста, внимательно прочитайте данное руководство перед установкой.
Обратите внимание на следующие пункты:
ПОДКЛЮЧЕНИЕ ЭЛЕКТРОПИТАНИЯ
Печь оснащена электрической вилкой и должна подключаться только к правильно установ
-
ленной и заземленной розетке.
Установка розетки и замена кабеля может производиться только квалифицированным элек
-
триком или специалистом авторизованного сервисного центра.
Напряжение сети должно соответствовать напряжению, указанному на маркировке прибора.
Только квалифицированный электрик может устанавливать розетку и заменять соединитель
-
ный кабель.
Если после установки вилка становится труднодоступной, отключающее устройство должно
быть расположено со стороны установки, с контактным зазором не менее 3 мм.
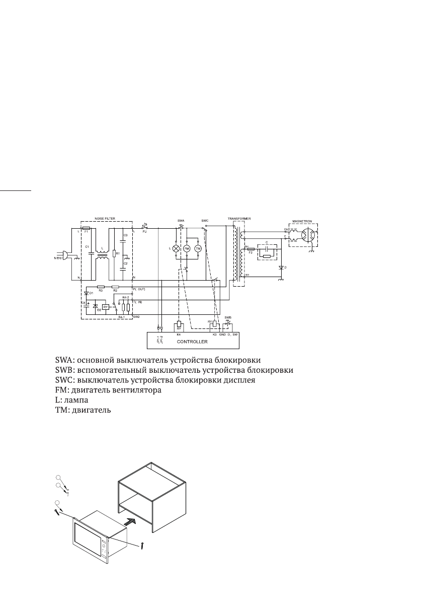
СХЕМАТИЧЕСКАЯ ДИАГРАММА
(При октрытой дверце и выключенном приборе)
Примечание: схема дана для справки, различные модификации СВЧ могу быть измене
-
ны производителем без дополнительного уведомления.
УСТАНОВКА
ǂǂǂ
Cloc
k/Time
r
Auto
Men
u
Micro
/Defr
ost
Start/R
eset
Содержание
- 2 ОСНОВНЫЕ
- 5 Не превышайте время проверки - не более 1 минуты!
- 7 ИНСТРУКЦИЯ ПО ЭКСПЛУАТАЦИИ
- 8 УСТАНОВКА ЧАСОВ
- 9 УСТАНОВКА ТАЙМЕРА; ОБЫЧНОЕ ПРИГОТОВЛЕНИЕ; МИКРОВОЛНЫ
- 10 АВТОМАТИЧЕСКОЕ МЕНЮ
- 11 Выявление неисправностей:; Нормальное состояние; УТИЛИЗАЦИЯ
- 12 ИНСТРУКЦИЯ ПО УСТАНОВКЕ; ПОДКЛЮЧЕНИЕ ЭЛЕКТРОПИТАНИЯ; СХЕМАТИЧЕСКАЯ ДИАГРАММА; УСТАНОВКА












