Микроволновые печи Saturn ST-MW1171 - инструкция пользователя по применению, эксплуатации и установке на русском языке. Мы надеемся, она поможет вам решить возникшие у вас вопросы при эксплуатации техники.
Если остались вопросы, задайте их в комментариях после инструкции.
"Загружаем инструкцию", означает, что нужно подождать пока файл загрузится и можно будет его читать онлайн. Некоторые инструкции очень большие и время их появления зависит от вашей скорости интернета.

22
УВАГА
-
Встановіть
спочатку
кільце
обертання, і потім
- Поставте скляний піддон на вісь
обертання та перевірте, щоб він був
правильно встановлений.
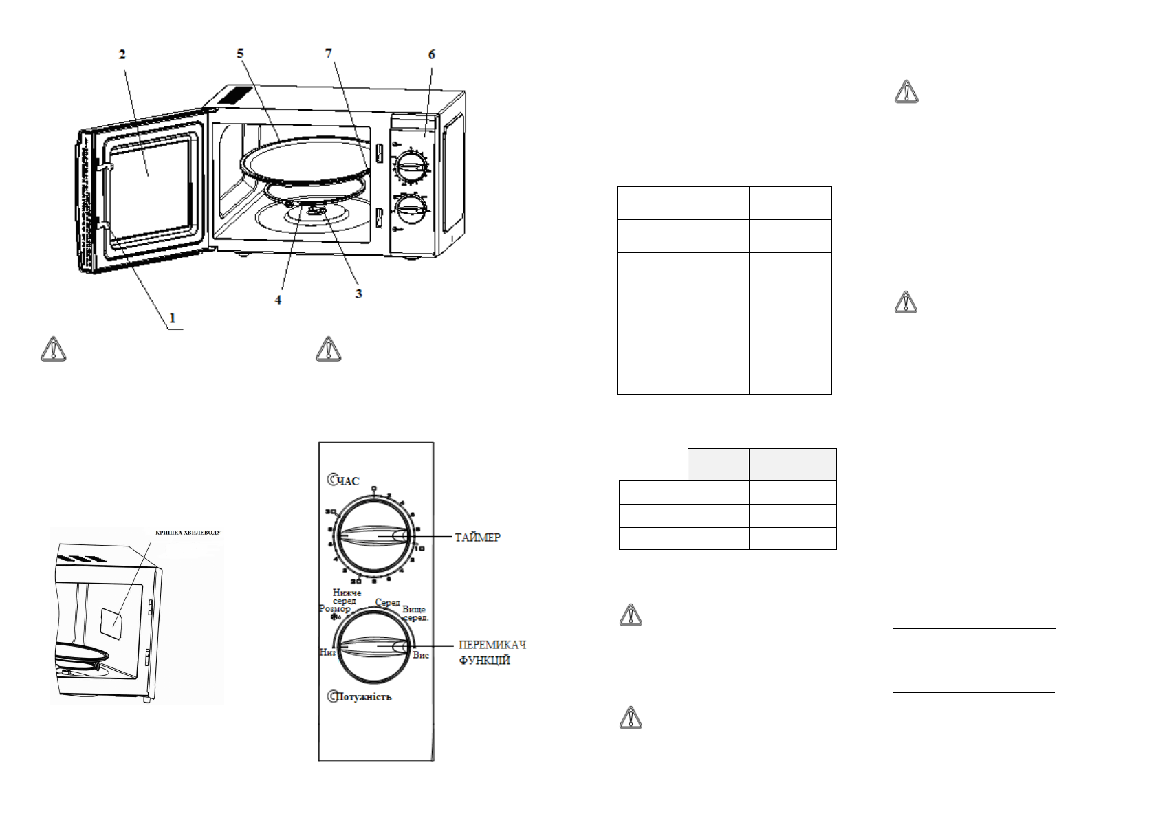
6)
Панель керування
Див.
нижче
докладну
інформацію
(панель керування може мінятися без
попереднього повідомлення).
7)
Кришка хвилеводу
Вона
знаходиться
всередині
мікрохвильової печі, поруч зі стінкою
панелі керування, будь ласка, див. на
малюнку нижче.
ПОПЕРЕДЖЕННЯ
8)
Ніколи
не
знімайте
кришку
хвилеводу.
ВИКОРИСТАННЯ
ПАНЕЛІ
КЕРУ-
ВАННЯ
2
3
1)
Таймер
- Максимальний час приготування, на
який можна встановити таймер, 30
хвилин.
- Кожна поділка - це 2 хвилини.
- Коли час таймера минає та таймер
доходить до «0», звучить звуковий
сигнал.
2) Ручка перемикача функцій/
вмикання-вимикання
Для приготування в мікрохвильовій
печі передбачено 6 рівнів потужності:
У
наступній
таблиці
міститься
інформація з розморожування для
різних продуктів:
ДІАПА-
ЗОН
ВАГИ
ЧАС
РОЗМОРО-
ЖУВАННЯ
М'ясо
0.1~1.0
кг
1:30~26:00
Птиця
0.2~1.0
кг
2:30~22:00
Море-
продукти
0.1~0.9
кг
1:30~14:00
ЕКСПЛУАТАЦІЯ
1)
Увімкніть
штепсельну
вилку
мікрохвильової печі в мережу.
УВАГА
- Перед вмиканням, переконайтеся,
що таймер встановлений у положення
“0”.
- Не блокуйте вентиляційні отвори.
2)
Поставте посуд із продуктами на
скляний
піддон
і
закрийте
дверцята.
УВАГА
- Продукти повинні знаходитися в
посуді.
3)
Виберіть
бажаний
рівень
потужності.
4)
Встановіть таймер.
УВАГА
Якщо час приготування становить
менше 10 хвилин, спочатку встановіть
таймер
у
положення
більше
10
хвилин, потім встановіть потрібний
час.
5)
Як
тільки
потрібний
час
встановлений,
почнеться
процес
приготування.
Якщо
потрібно
призупинити роботу мікрохвильової
печі, просто відкрийте дверцята в
будь-який час і закрийте їх, щоб
продовжити процес.
6) Коли час приготування закінчиться,
і час таймера мине, буде чутний
звуковий
сигнал,
підсвічування
всередині
мікрохвильової
печі
автоматично згасне.
УВАГА
7)
Щоб
уникнути
вмикання
печі
вхолосту, відразу після виймання
посуду з їжею встановіть таймер
назад у положення “0”.
ВКАЗІВКИ
ЩОДО
РОЗМОРОЖУВАННЯ
Мікрохвилі проникають приблизно на
4 см всередину більшості продуктів,
для отримання максимального ефекту
розморожування рекомендується таке:
1)
Для
отримання
рівномірного
нагрівання продуктів, перевертайте
їх постійно під час приготування,
якщо шматки великі.
2)
Під час приготування продуктів із
масою
більше
0.5
кг,
рекомендується перевернути їх як
мінімум 2 рази.
3)
Розморожені
продукти
слід
приготувати
якнайшвидше,
не
рекомендується знову класти їх у
холодильник
і
повторно
заморожувати.
ВКАЗІВКИ ЩОДО ПРИГОТУВАННЯ
Такі фактори можуть впливати на
результат приготовленої їжі:
Розміщення продуктів у печі
Рівномірно
розподіляйте
продукти,
розташовуйте великі шматки по краях
блюда, а більш тонкі шматки – ближче
до центра. Намагайтеся не класти їх
шарами.
Тривалість приготування їжі
Починайте готувати, увімкнувши піч
на короткий час, потім перевірте
готовність і при необхідності додайте
ще час. Передержування під час
приготування
може
в
результаті
ВИСОКА
100%
потуж-
ність
швидке
приготуван
ня
ВИЩЕ
СЕРЕД-
НЬОЇ
потуж-
ність
85%
звичайне
приготуван
ня
СЕРЕДНЯ
потуж-
ність
66%
повільне
приготуван
ня
НИЖЧЕ
СЕРЕД-
НЬОЇ
потуж-
ність
40%
напої
або
суп
РОЗМО-
РОЖУВАН
НЯ
потуж-
ність
37%
розморожу
вання
продуктів
НИЗЬКА
потуж-
ність
17%
підтримува
ння
в
теплому
стані