Метеостанции Oregon Scientific WMR300 - инструкция пользователя по применению, эксплуатации и установке на русском языке. Мы надеемся, она поможет вам решить возникшие у вас вопросы при эксплуатации техники.
Если остались вопросы, задайте их в комментариях после инструкции.
"Загружаем инструкцию", означает, что нужно подождать пока файл загрузится и можно будет его читать онлайн. Некоторые инструкции очень большие и время их появления зависит от вашей скорости интернета.

6
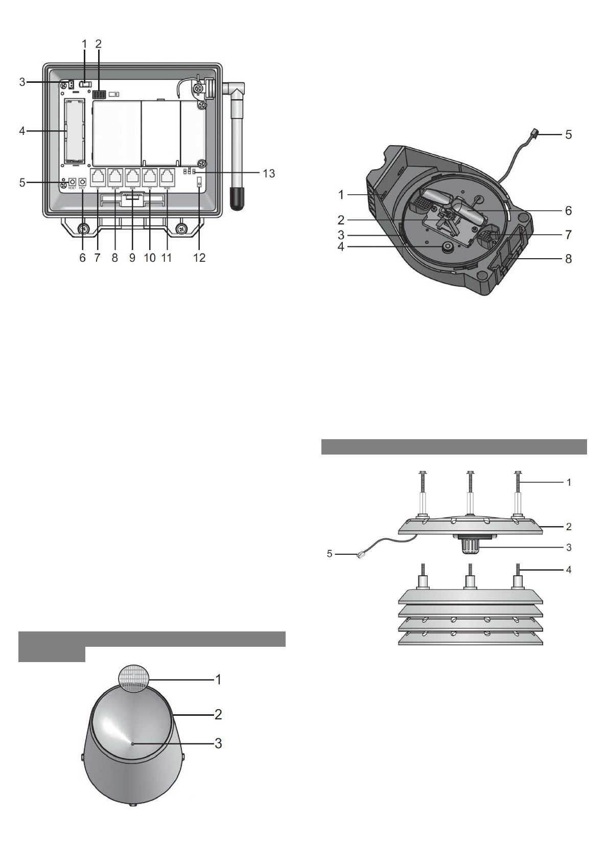
1. Гнездо подключения сетевого адаптера
(опционально).
2. Переключатель каналов.
3. Коннектор для подключения солнечной
панели.
4. Отсек для аккумулятора.
5. Кнопка
СБРОС
НАСТРОЕК
(RESET)
:
используется для возврата настройкам
заводских значений.
6. Кнопка
КЛЮЧ (KEY)
: калибровка датчика
скорости и направления ветра.
7. Гнездо
для
подключения
УФ-датчика
(недоступно
для
текущей
версии
устройства).
8. Гнездо
для
подключения
сенсора
солнечной радиации (недоступно для
текущей версии устройства).
9. Гнездо
для
подключения
датчика
выпавших осадков.
10. Гнездо
для
подключения
датчика
температуры и влажности.
11. Гнездо для подключения датчика скорости
и направления ветра.
12. Переключатель
SW4
.
13. Светодиоды (синий / зеленый / красный).
ДАТЧИК
УРОВНЯ
ВЫПАВШИХ
ОСАДКОВ
1. Пластиковый фильтр.
2. Воронка.
3. Отверстие.
1. Отверстия для винтов.
2. Датчик.
3. Установочное отверстие.
4. Индикатор балансировки.
5. Провод.
6. Опрокидывающаяся тележка.
7. Сливные отверстия.
8. Площадка для крепежа.
ДАТЧИК ТЕМПЕРАТУРЫ И ВЛАЖНОСТИ
1. Винты (тип «В»).
2. Крышка корпуса датчика.
3. Датчик.
4. Винты (уже установлены).
5. Провод.




