Maunfeld MWH80W02 - Инструкция по эксплуатации

Maunfeld MWH80W02

Водонагреватель Maunfeld MWH80W02 - инструкция пользователя по применению, эксплуатации и установке на русском языке. Мы надеемся, она поможет вам решить возникшие у вас вопросы при эксплуатации техники.

Если остались дополнительные вопросы — свяжитесь с нами через контактную форму.

1 Страница 1
2 Страница 2
3 Страница 3
4 Страница 4
5 Страница 5
6 Страница 6
7 Страница 7
8 Страница 8
9 Страница 9
10 Страница 10
11 Страница 11
12 Страница 12
13 Страница 13
14 Страница 14
15 Страница 15
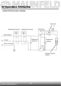
16 Страница 16
17 Страница 17
18 Страница 18
19 Страница 19
20 Страница 20
21 Страница 21
22 Страница 22
23 Страница 23
24 Страница 24
25 Страница 25
26 Страница 26
27 Страница 27
Страница: / 27
Загрузка инструкции

ПОДРОБНАЯ ИНСТРУКЦИЯ

ПО ЭКСПЛУАТАЦИИ

ЭЛЕКТРИЧЕСКОГО ВОДОНАГРЕВАТЕЛЯ

MWH30W02 / MWH50W02

MWH80W02 / MWH100W02

Ver.01

www.maunfeld.ru

"Загрузка инструкции" означает, что нужно подождать пока файл загрузится и можно будет его читать онлайн. Некоторые инструкции очень большие и время их появления зависит от вашей скорости интернета.

Характеристики