Страница 2 - МЕРЫ БЕЗОПАСНОСТИ
9 мест загрузки Специальная функция – ½ загрузки Прочтите настоящую инструкцию Настоящая инструкция состоит из разделов «Меры безопасности», «Указания по эксплуатации», «Указания по установке» и «Устранение неполадок». Внимательное прочтение настоящей инструкции перед использованием посудомоечной ма...
Страница 3 - ИНСТРУКЦИЯ ПО ИСПОЛЬЗОВАНИЮ; ПАНЕЛЬ УПРАВЛЕНИЯ
Не допускается использование машины маленькими детьми или инвалидами без присмотра. Моющие средства для посудомоечной машины являются сильной щелочью, они могут быть чрезвычайно опасными, если их проглотить. Избегайте их попадания на кожу и глаза. Держите детей как можно дальше от посудомоечной ...
Страница 4 - Перед первым включением посудомоечной машинки, необходимо:; РЕГУЛИРОВКА ПОТРЕБЛЕНИЯ СОЛИ
СОСТАВНЫЕ ЧАСТИ ПОСУДОМОЕЧНОЙ МАШИНЫ 1.Верхняя решетка. 2.Внутренний шланг. 3.Нижняя решетка. 4.Контейнер для соли 5.Диспенсер средства для полоскания. 6.Полка для чашек. 7.Форсунки 8.Основной фильтр. 9.Соединение для подключения воды. 10.Соединение для стока воды. 11.Регулировщик 4. ВКЛЮЧЕНИЕ МАШИН...
Страница 5 - СМЯГЧИТЕЛЬ ВОДЫ
В посудомоечной машине есть возможность регулировки потребления соли в зависимости от жестко¬сти воды. Это сделано для оптимизации уровня расхода соли и настройки уровня потребления соли. 1) Откройте дверцу, включите прибор 2) Нажмите на кнопку на 5 секунд для наполнения смягчителем воды. Через 60 с...
Страница 6 - ЗАГРУЗКА СОЛИ; Если немного воды выльется из контейнера для соли - это нормально.; ДЕЙСТВИЕ СРЕДСТВА ДЛЯ ПОЛОСКАНИЯ.
ЗАГРУЗКА СОЛИ Пользуйтесь только солью, предназначенной для посудомоечных машин. Использование любой другой соли, особенно столовой соли, может привести к поломке машины. Производитель не предоставляет никакой гарантии на прибор в случае его поломки в результате использования соли, не предназначенно...
Страница 7 - Индикатор Ополаскивателя
КОГДА СЛЕДУЕТ НАПОЛНИТЬ ДИСПЕНСЕР ДЛЯ ОПОЛАСКИВАТЕЛЯ ЗАНОВО. Когда заканчивается ополаскиватель, на контрольной панели загорается индикатор. Вы можете контролировать количество ополаскивателя при помощи цветного индикатора уровня. Вы можете рассчитать необходимое количество средства следующим образо...
Страница 8 - Наполните диспенсер средством для полоскания. Не перелейте его!
Полный ●, ¾, ½, ¼ - необходима заправка, пусто 0 Для того, чтобы открыть крышку диспенсера, поверните ее влево (позиция «открыто») в указанном стрелкой направлении и снимите ее. Наполните диспенсер средством для полоскания. Не перелейте его! Закройте крышку, повернув ее направо (позиция «закрыто») в...
Страница 9 - РЕГУЛИРОВКА ДИСПЕНСЕРА ДЛЯ ОПОЛАСКИВАТЕЛЯ; МОЮЩЕЕ СРЕДСТВО; Обычные алкалиновые чистящие средства, содержащие щелочь.; МОЮЩИЕ СРЕДСТВА В ТАБЛЕТКАХ
РЕГУЛИРОВКА ДИСПЕНСЕРА ДЛЯ ОПОЛАСКИВАТЕЛЯ Определенное количество ополаскивающей жидкости используется во время последнего полоскания. Как и в случае с моющим средством, количество средства для полоскания зависит от жесткости воды в месте Вашего проживания. Слишком большое количество средства привед...
Страница 10 - КОЛИЧЕСТВО МОЮЩЕГО СРЕДСТВА
достаточно для одной загрузки машины. Чем более загрязнена посуда, тем больше требуется мою-щего средства. Моющее средство всегда следует загружать до включения машины, иначе порошок может намокнуть и не раствориться полностью. КОЛИЧЕСТВО МОЮЩЕГО СРЕДСТВА ПРИМЕЧАНИЕ: Если крышка закрыта: нажмите защ...
Страница 11 - НАПОЛНЕНИЕ ДИСПЕНСЕРА ДЛЯ МОЮЩЕГО СРЕДСТВА; Закройте крышку и надавите на нее, пока она не встанет на место.
НАПОЛНЕНИЕ ДИСПЕНСЕРА ДЛЯ МОЮЩЕГО СРЕДСТВА Наполните диспенсер моющим средством. Дозировка обозначена при помощи отметок (рисунок справа). Отсек для моющего средства для основного цикла мойки, минимальное наполнение около 20 гр. Отсек для моющего средства для цикла замачивания, наполнение около 5 гр...
Страница 12 - ВИДЫ МОЮЩИХ СРЕДСТВ; Существует 3 вида моющих средств:
ВИДЫ МОЮЩИХ СРЕДСТВ Существует 3 вида моющих средств: 1. С фосфатом и хлором 2. С фосфатом, но без хлора 3. Без фосфата и без хлора Обычно новые порошковые моющие средства не содержат фосфат. Моющие средства без фосфата не обладают функцией фосфата смягчения воды. В этом случае рекомендуется добавля...
Страница 13 - Овальные тарелки; РЕГУЛИРОВКА ВЕРХНЕЙ КОРЗИНЫ
ИЗВЛЕЧЕНИЕ ПОСУДЫ Чтобы избежать стекания воды с верхней решетки на нижнюю при извлечении посуды, рекомендуется сначала освободить от посуды нижнюю решетку, затем верхнюю. ЗАГРУЗКА ВЕРХНЕЙ КОРЗИНЫ Верхняя корзина предназначена для наиболее легкой и хрупкой посуды, например, стаканы, кофей¬ные и чайн...
Страница 14 - Верхнее положение корзины Нижнее положение корзины; ЗАГРУЗКА НИЖНЕЙ КОРЗИНЫ
Верхнее положение корзины Нижнее положение корзины ЗАГРУЗКА НИЖНЕЙ КОРЗИНЫ Рекомендуется ставить в нижнюю корзину самую крупную посуду, которую труднее всего мыть (кастрюли, крышки, подносы и прочую крупную посуду), как показано на рисунке ниже. Предпочтительнее класть под¬носы и крышки на края реше...
Страница 15 - СКЛАДЫВАЮЩИЕСЯ СКОБЫ
Внутрь На нижней решетке имеется много направляющих, чтобы в нее помещалось больше посуды или умещалась посуда большего размера. Овальные тарелки Мелкие тарелки Суповые тарелки Десертные тарелки Корзина для столовых приборов. СКЛАДЫВАЮЩИЕСЯ СКОБЫ Для того, чтобы зафиксировать кастрюли и ...
Страница 16 - КОРЗИНА ЯЩИК ДЛЯ СТОЛОВЫХ ПРИБОРОВ; НЕ ПОДЛЕЖАТ МЫТЬЮ В ПОСУДОМОЕЧНОЙ МАШИНЕ
КОРЗИНА ЯЩИК ДЛЯ СТОЛОВЫХ ПРИБОРОВ Столовые приборы должны помещаться в корзину ручками вниз. Если на решетке есть боковые корзины, то ложки следует размещать отдельно в соответствующих лотках. Особенно длинные приборы следует размещать в горизонтальном положении на переднем крае верхней решетки. 1 ...
Страница 17 - ЗАВЕРШЕНИЕ ЦИКЛА МОЙКИ
ЗАГРУЗКА ПОСУДЫ И СТОЛОВЫХ ПРИБОРОВ Перед загрузкой посуды: Удалите крупные остатки пищи. Удалите пригоревшую пищу с кастрюль и сковородок. ПРИ ЗАГРУЗКЕ ПОСУДЫ И СТОЛОВЫХ ПРИБОРОВ: Посуда и столовые приборы не должны мешать вращению форсунок. Ставьте глубокую посуду, такую как чашки, стаканы, ка...
Страница 18 - ЗАПУСК ПРОГРАММЫ МОЙКИ; ТАБЛИЦА РАБОЧИХ ЦИКЛОВ МОЙКИ; ИЗМЕНЕНИЕ ПРОГРАММЫ МОЙКИ
6. ЗАПУСК ПРОГРАММЫ МОЙКИ ТАБЛИЦА РАБОЧИХ ЦИКЛОВ МОЙКИ Программа Информация для выбора режима Описание режима Расход моющего средства, пре/основное Средство для полоскания/ Продол жител ь но сть ра бот ы (мин уты ) Инт енси вн ая Для самой грязной посуды, такой как кастрюли, сотейники и тарелки с пр...
Страница 19 - СИСТЕМА ФИЛЬТРОВ
случае при изменении программы необходимо наполнить кювету моющим средством еще раз (см. раздел «Загрузка моющего средства»). Откройте дверцу, нажмите кнопку запущенной программы и удерживайте ее более 3 секунд, чтобы отменить ее. Выберите другую программу мойки (см. раздел «Начало цикла мойки»). За...
Страница 20 - ВНИМАНИЕ: НЕ ПЕРЕВОРАЧИВАЙТЕ ТОНКИЙ ФИЛЬТР СНИЗУ ВВЕРХ.
Для Вашего удобства мы поместили сливной насос и систему фильтров в легкодоступном месте внутри отсека. Фильтрующая система состоит из трех компонентов: основной фильтр, грубый фильтр и тонкий фильтр. 5. 1.Основной фильтр. 6. Остатки пищи и грязи, улавливаемые этим филь¬тром, размываются струей воды...
Страница 21 - СБОРКА ФИЛЬТРОВ
ПОСЛЕДОВАТЕЛЬНО ПРОДЕЛАВ ВСЕ ТРИ ШАГА, ВЫ МОЖЕТЕ ИЗВЛЕЧЬ СИСТЕМУ ФИЛЬТРОВ. ПРОДЕЛАВ ВСЕ ТРИ ШАГА В ОБРАТНОМ ПОРЯДКЕ, ВЫ МОЖЕТЕ УСТАНОВИТЬ СИСТЕМУ ФИЛЬТРОВ. СБОРКА ФИЛЬТРОВ Для достижения наилучших результатов и наивысшего качества система фильтров должна регулярно очищаться. Фильтры эффективно удаля...
Страница 22 - УХОД ЗА МАШИНОЙ; ЗАЩИТА ОТ ЗАМЕРЗАНИЯ; Отключите электропитание посудомоечной машины.
НИ В КОЕМ СЛУЧАЕ НЕ ПОЛЬЗУЙТЕСЬ ПОСУДОМОЕЧНОЙ МАШИНОЙ БЕЗ УСТАНОВЛЕН¬НЫХ ФИЛЬТРОВ. ПРИ ОЧИСТКЕ ФИЛЬТРОВ НЕ СТУЧИТЕ ПО НИМ. ИСКРИВЛЕНИЕ ФИЛЬТРОВ МОЖЕТ ПРИВЕСТИ К СБОЯМ В РАБОТЕ МАШИНЫ. ЧИСТКА РАЗБРЫЗГИВАЮЩИХ КОРОМЫСЕЛ Необходимо регулярно очищать разбрызгивающие коромысла, так как химикаты жесткой во...
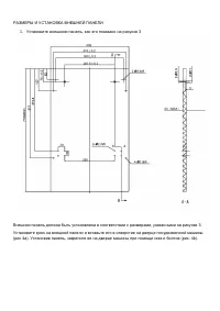
Страница 25 - РИСУНОК 1; Размеры кухонной стойки; РИСУНОК 2
РИСУНОК 1 Размеры кухонной стойки Менее 5 мм между верхней частью машины и кухонной стойкой. Дверца должна быть вровень с кухонной стойкой. РИСУНОК 2 Минимальное пространство, необходимое для открытия двери.
Страница 29 - НАСТРОЙКА УПРУГОСТИ ПРУЖИНЫ ДВЕРЦЫ ПОСУДОМОЕЧНОЙ МАШИНЫ; РИСУНОК 5
НАСТРОЙКА УПРУГОСТИ ПРУЖИНЫ ДВЕРЦЫ ПОСУДОМОЕЧНОЙ МАШИНЫ Упругость пружины для дверцы посудомоечной машины регулируется на заводе. Если вы установили внешнюю панель, необходимо отрегулировать упругость пружины. Вращая регулирующий винт, ослабьте или затяните стальной кабель (рис. 5). Пружина отрегули...
Страница 30 - РИСУНОК 6; УСТАНОВКА ПОСУДОМОЕЧНОЙ МАШИНЫ; Подсоедините всасывающий шланг к источнику подачи воды.
РИСУНОК 6 УСТАНОВКА ПОСУДОМОЕЧНОЙ МАШИНЫ 1.Прикрепите к дверце посудомоечной машины внешнюю дверцу, сочетающуюся с окружающей мебелью, при помощи предлагающихся скоб. На рисунке показан образец крепления скоб. 2.Отрегулируйте упругость пружин дверцы посудомоечной машины, затянув левую и правую пружи...
Страница 31 - МАКСИМАЛЬНАЯ РЕГУЛИРУЕМАЯ ВЫСОТА НОЖЕК 60 ММ.
РИСУНОК 7. Для нормальной работы машина должна быть расположена ровно. Положите на дверцу машины и внутрь кюветы уровень, чтобы проверить, ровно ли расположена машина. Выровняйте машину, регулируя каждую опорную ножку отдельно. Выравнивая положение машины, старайтесь не опрокинуть ее. МАКСИМАЛЬНАЯ Р...
Страница 32 - ТРЕБОВАНИЯ К ЭЛЕКТРИЧЕСКОМУ ПОДКЛЮЧЕНИЮ
ПОДСОЕДИНЕНИЕ К ЭЛЕКТРОСЕТИ ВНИМАНИЕ! ЭТО КАСАЕТСЯ ВАШЕЙ ЛИЧНОЙ БЕЗОПАСНОСТИ: НЕ ПОЛЬЗУЙТЕСЬ СОВМЕСТНО ЭТИМ УСТРОЙСТВОМ УДЛИНИТЕЛЯМИ ИЛИ ПЕРЕХОДНИКАМИ. НИ ПРИ КАКИХ ОБСТОЯТЕЛЬСТВАХ НЕ ОТСОЕДИНЯЙТЕ ТРЕТИЙ ЗАЗЕМЛЯЮЩИЙ ПРОВОД СЕТЕВОГО ШНУРА. ТРЕБОВАНИЯ К ЭЛЕКТРИЧЕСКОМУ ПОДКЛЮЧЕНИЮ Пожалуйста, ознакомьт...
Страница 33 - О БЕЗОПАСНОМ ВПУСКНОМ ШЛАНГЕ
ПРЕЖДЕ, ЧЕМ ПРИСТУПИТЬ К ЭКСПЛУАТАЦИИ, ОБЕСПЕЧЬТЕ ПРАВИЛЬНОЕ ЗАЗЕМЛЕНИЕ. ИНСТРУКЦИЯ ПО ЗАЗЕМЛЕНИЮ Прибор должен быть заземлен. В случае поломки или сбоя в работе заземление снизит риск поражения электрическим током. Прибор оснащен шнуром со штепсельной вилкой и кабелем заземления . штепсельную вилку...
Страница 35 - УСТРАНЕНИЕ НЕПОЛАДОК
5. Должно быть включено электропитание 6. Всасывающие и дренажные шланги не должны быть спутаны 7. Все упаковочные материалы должны быть удалены. ПОСЛЕ УСТАНОВКИ СОХРАНИТЕ ИНСТРУКЦИЮ. ОНА МОЖЕТ БЫТЬ ВАМ ПОЛЕЗНА В БУДУЩЕМ. 9. УСТРАНЕНИЕ НЕПОЛАДОК Рекомендации по устранению неполадок. Проверьте машину...
Страница 36 - Пена в отстойнике
Пена в отстойнике Неправильно выбрано моющее средство Разлился ополаскиватель Пользуйтесь только специальными моющими средствами. В случае появления пены откройте машину и дайте пене осесть. Добавьте 4,5 л холодной воды в отстойник. Закройте и защелкните дверцу, затем выкачайте воду, медленно повора...
Страница 39 - З А Г Р У З К А П О С У Д О М О Е Ч Н О Й М А Ш И Н Ы В С О О Т В Е Т С Т В И И С Н О Р М А М И E N 5 0 2 4 2 :; Тарелки для супа
З А Г Р У З К А П О С У Д О М О Е Ч Н О Й М А Ш И Н Ы В С О О Т В Е Т С Т В И И С Н О Р М А М И E N 5 0 2 4 2 : В е р х н я я К о р з и н а 1.Чашки 2.Блюдца 3.Стаканы 4.Небольшие чашки 5.Средние чашки 6.Большие чашки Н и ж н я я К о р з и н а 7.Десертные тарелки 8. Тарелки для ужина 9. Тарелки для с...
Страница 41 - ОКРУЖАЮЩАЯ СРЕДА
ОКРУЖАЮЩАЯ СРЕДА Упаковочные материалы могут представлять опасность для детей. По окончании срока службы изделия не выбрасывайте его вместе с остальными бытовыми отходами. Утилизируйте прибор отдельно от бытовых отходов в соответствии с нормами и правилами, принятыми в месте вашего проживания. Отреж...
Страница 42 - Гарантийная карта
Гарантийная карта МАРКА: ……………………………………… МОДЕЛЬ: …………………………………… СЕРИЯ: ……………………………………… Дата продажи ……………….. Печать торгующей организации ГАРАНТИЙНЫЕ ОБЯЗАТЕЛЬСТВА Гарантия на изделие – 24 месяца с даты продажи Гарантия не распространяется на изделия, имеющие механические повреждения, либо поврежден...
Страница 43 - Гарантия не действительна в результате:
Гарантия не действительна в результате: механических повреждений, загрязнений, переделок, конструкторских изменений, неправильной установки оборудования, неправильной эксплуатации оборудования, действий, связанных с неправильным содержанием и чисткой оборудования, аварий, стихийных бедствий, химичес...