Материнские платы GIGABYTE GA P67X UD3R B3 rev 1 0 - инструкция пользователя по применению, эксплуатации и установке на русском языке. Мы надеемся, она поможет вам решить возникшие у вас вопросы при эксплуатации техники.
Если остались вопросы, задайте их в комментариях после инструкции.
"Загружаем инструкцию", означает, что нужно подождать пока файл загрузится и можно будет его читать онлайн. Некоторые инструкции очень большие и время их появления зависит от вашей скорости интернета.

- 8 -
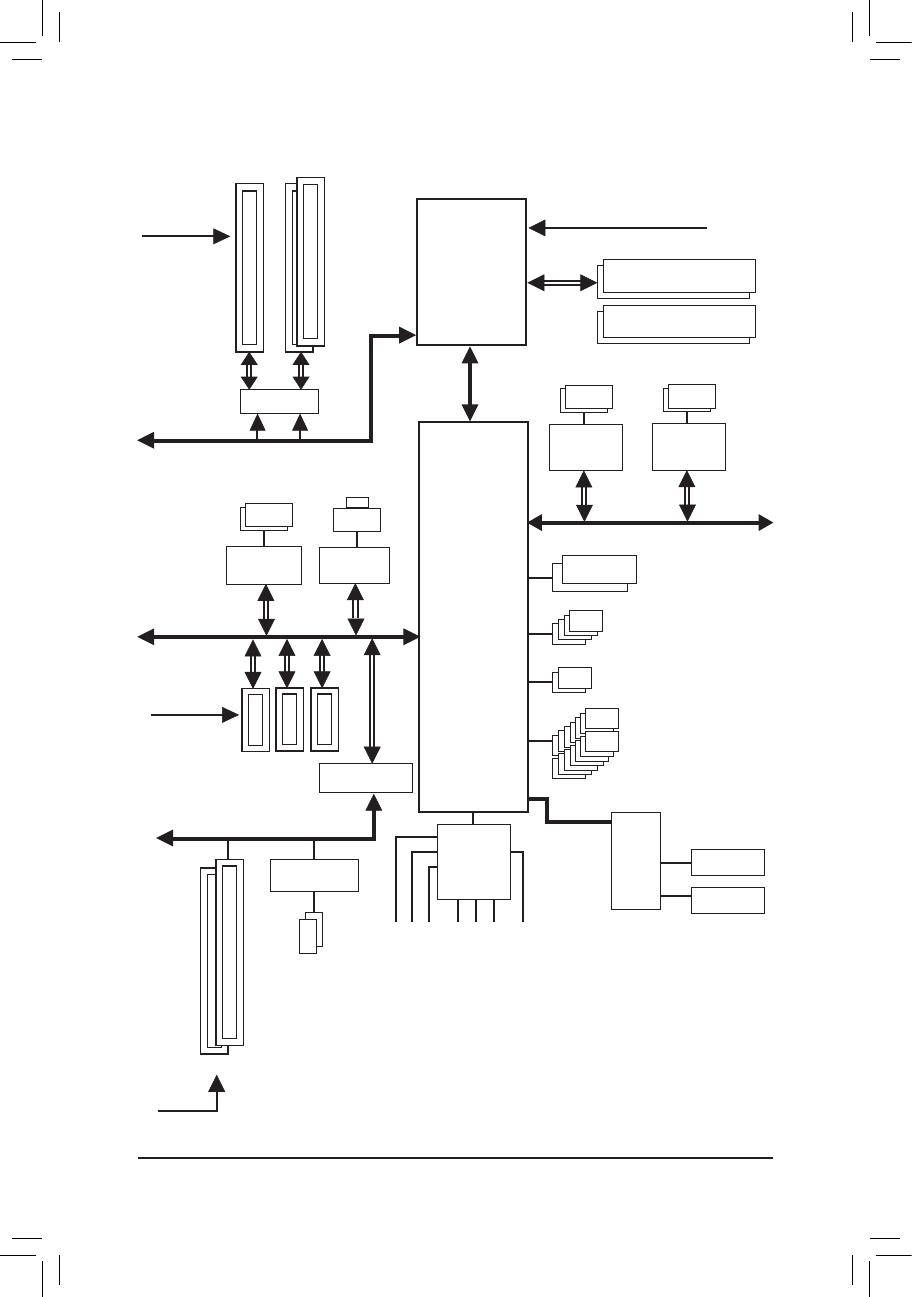
GA-P67X-UD3R-B3 Motherboard Block Diagram
Center/Subwoofer Speaker Out
Line Out
MIC
Line In
S/PDIF Out
Side Speaker Out
Surround Speaker Out
PS/2 KB/Mouse
LGA1155
CPU
DMI
Interface
PCI Express Bus
CPU CLK+/- (100 MHz)
2 SATA 6Gb/s
Dual BIOS
14 USB 2.0/1.1
DDR3 2133/1866/1600/1333/1066 MHz
Dual Channel Memory
COM Port
LPC Bus
Intel
®
P67
x1
2 USB 3.0/2.0
Etron
EJ168
iTE
IT8728
PCIe CLK
(100 MHz)
Switch
x8
x16
1 PCI Express x16
2 PCI Express x8
or
x1
2 USB 3.0/2.0
Etron
EJ168
4 SATA 3Gb/s
PCI Express Bus
PCI Express Bus
PCIe CLK
(100 MHz)
3 PCI Express x1
x1
x1
2 PCI
PCI Bus
PCI CLK
(33 MHz)
PCIe to PCI Bridge
x1
CODEC
2 SATA 6Gb/s
LAN
RJ45
x1
x1
Marvell
88SE9172
Realtek
RTL8111E
VIA VT6308
2 IEEE 1394a
x1