Материнские платы GIGABYTE GA P67A UD3R rev 1 0 - инструкция пользователя по применению, эксплуатации и установке на русском языке. Мы надеемся, она поможет вам решить возникшие у вас вопросы при эксплуатации техники.
Если остались вопросы, задайте их в комментариях после инструкции.
"Загружаем инструкцию", означает, что нужно подождать пока файл загрузится и можно будет его читать онлайн. Некоторые инструкции очень большие и время их появления зависит от вашей скорости интернета.

- 8 -
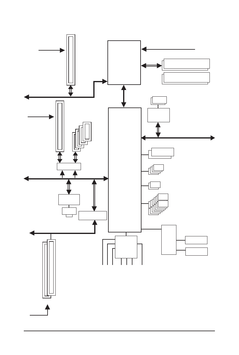
GA-P67A-UD3R Motherboard Block Diagram
Center/Subwoofer Speaker Out
Line Out
MIC
Line In
S/PDIF Out
Side Speaker Out
Surround Speaker Out
LGA1155
CPU
DMI
Interface
PCI Express Bus
CPU CLK+/- (100 MHz)
2 SATA 6Gb/s
Dual BIOS
14 USB 2.0/1.1
DDR3 2133/1866/1600/1333/1066 MHz
Dual Channel Memory
LPC Bus
Intel
®
P67
x1
2 USB 3.0/2.0
Renesas
D720200
PCIe CLK
(100 MHz)
x16
1 PCI Express x16
4 SATA 3Gb/s
PCI Express Bus
PS/2 KB/Mouse
COM Port
iTE
IT8728
PCI Express Bus
LAN
RJ45
x1
4 PCI Express x1
PCIe CLK
(100 MHz)
Switch
x1
x4
1 PCI Express x4
or
Realtek
RTL8111E
2 PCI
PCI Bus
PCI CLK
(33 MHz)
x1
iTE IT8892 Bridge
CODEC