Материнские платы GIGABYTE GA P55A UD3R rev 2 0 - инструкция пользователя по применению, эксплуатации и установке на русском языке. Мы надеемся, она поможет вам решить возникшие у вас вопросы при эксплуатации техники.
Если остались вопросы, задайте их в комментариях после инструкции.
"Загружаем инструкцию", означает, что нужно подождать пока файл загрузится и можно будет его читать онлайн. Некоторые инструкции очень большие и время их появления зависит от вашей скорости интернета.

- 8 -
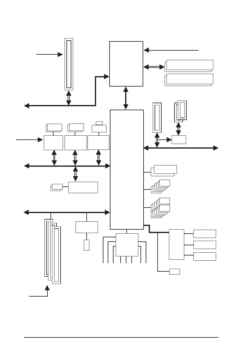
GA-P55A-UD3P/GA-P55A-UD3R Motherboard Block Diagram
j
Only for GA-P55A-UD3P.
(Note) This feature is optional due to different regional policy.
TPM
(Note)
j
PCIe CLK
(100 MHz)
x16
1 PCI Express x16
Center/Subwoofer Speaker Out
Line Out
MIC
Line In
S/PDIF In S/PDIF Out
Side Speaker Out
Surround Speaker Out
CODEC
PS/2 KB/Mouse
LGA1156
CPU
DMI
Interface
3 PCI
PCI Bus
PCI CLK
(33 MHz)
PCI Express Bus
CPU CLK+/- (133 MHz)
6 SATA 3Gb/s
Dual BIOS
14 USB 2.0/1.1
DDR3 2200/1333/1066/800 MHz
Dual Channel Memory
PCI Express Bus
2 SATA 3Gb/s
COM Port
LPC Bus
PCIe CLK
(100 MHz)
2 PCI Express x1
PCI Express Bus
LAN
RJ45
x4
1 PCI Express x4
Floppy
x1
2 USB 3.0/2.0
x1
Marvell 9128
2 SATA 6Gb/s
Intel
®
P55
ATA-133/100/66/33
IDE Channel
x1
x1
Switch
x1
Realtek
RTL8111E
NEC
D720200F1
JMicron
JMB362
iTE
IT8720
iTE
IT8213