Материнские платы GIGABYTE GA MA785GMT US2H rev 1 1 - инструкция пользователя по применению, эксплуатации и установке на русском языке. Мы надеемся, она поможет вам решить возникшие у вас вопросы при эксплуатации техники.
Если остались вопросы, задайте их в комментариях после инструкции.
"Загружаем инструкцию", означает, что нужно подождать пока файл загрузится и можно будет его читать онлайн. Некоторые инструкции очень большие и время их появления зависит от вашей скорости интернета.

- 8 -
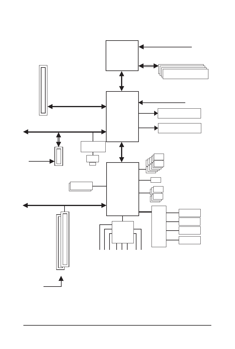
Block Diagram
AM3 CPU
Hyper Transport 3.0
AMD 760G
PCIe CLK
(100 MHz)
PCI Express Bus
CPU CLK+/- (200 MHz)
1 PCI Express x1
DDR3 1666 (O.C.)/1333/1066 MHz
PCIe CLK
(100 MHz)
1 PCI Express x16
x1
GFX CLK (100 MHz)
D-Sub
DVI-D or HDMI
(Note)
PCI Express x16
(Note) Simultaneous output for DVI-D and HDMI is not supported.
Dual Channel Memory
PS/2 KB or Mouse
AMD SB710
IT8718
Floppy
ATA-133/100/66/33 IDE Channel
COM Port
12 USB Ports
LPC
Bus
6 SATA 3Gb/s
LPT Port
Center/Subwoofer Speaker Out
Line Out
MIC
Line In
S/PDIF In
S/ PDIF Out
Side Speaker Out
Surround Speaker Out
CODEC
2 PCI
PCI Bus
PCI CLK
(33 MHz)
Dual BIOS
Realtek
RTL8111D/E
LAN
RJ45