Материнские платы GIGABYTE GA MA770T UD3P rev 3 1 - инструкция пользователя по применению, эксплуатации и установке на русском языке. Мы надеемся, она поможет вам решить возникшие у вас вопросы при эксплуатации техники.
Если остались вопросы, задайте их в комментариях после инструкции.
"Загружаем инструкцию", означает, что нужно подождать пока файл загрузится и можно будет его читать онлайн. Некоторые инструкции очень большие и время их появления зависит от вашей скорости интернета.

- 6 -
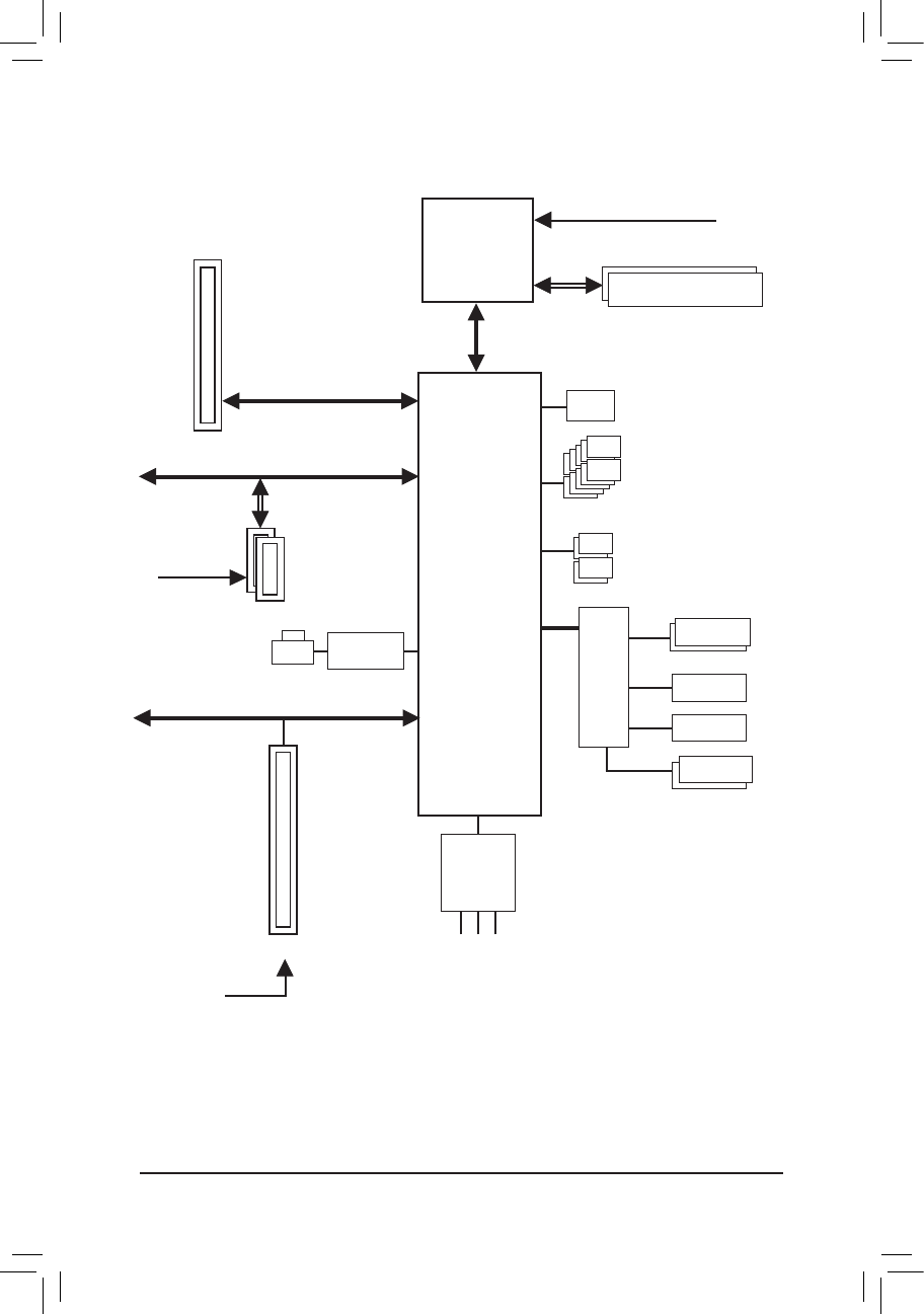
GA-M68MT-D3P/GA-M68MT-S2P Motherboard Block Diagram
AM3+/AM3 CPU
Hyper Transport Bus
NVIDIA
®
GeForce
7025/nForce 630a
1PCI
PCI Bus
PCI CLK
(33 MHz)
PCIe CLK
(100 MHz)
PCI Express Bus
iTE
IT8720
CPU CLK+/- (200 MHz)
Dual BIOS
COM Port
LPC
Bus
2 PCI Express x1
PCIe CLK
(100 MHz)
1 PCI Express x16
4 SATA 3Gb/s
LAN RJ45
x1
PCI Express x16
PS/2 KB/Mouse
10 USB 2.0/1.1
Line Out
MIC
Line In
CODEC
1 D-Sub
Realtek
RTL8211CL
LPT Port
Dual Channel Memory
DDR3 1600/1333/1066/800 MHz
Характеристики
Остались вопросы?Не нашли свой ответ в руководстве или возникли другие проблемы? Задайте свой вопрос в форме ниже с подробным описанием вашей ситуации, чтобы другие люди и специалисты смогли дать на него ответ. Если вы знаете как решить проблему другого человека, пожалуйста, подскажите ему :)