Материнские платы GIGABYTE GA MA74GMT S2 rev 1 0 - инструкция пользователя по применению, эксплуатации и установке на русском языке. Мы надеемся, она поможет вам решить возникшие у вас вопросы при эксплуатации техники.
Если остались вопросы, задайте их в комментариях после инструкции.
"Загружаем инструкцию", означает, что нужно подождать пока файл загрузится и можно будет его читать онлайн. Некоторые инструкции очень большие и время их появления зависит от вашей скорости интернета.

- 8 -
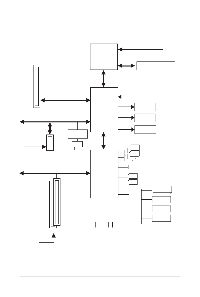
GA-MA74GMT-S2H/GA-MA74GMT-S2 Motherboard
Block Diagram
j
Only for GA-MA74GMT-S2H
(Note) Simultaneous output for DVI-D and HDMI is not supported.
AM3 CPU
Hyper Transport Bus
AMD 740G
AMD SB710
2 PCI
PCI Bus
PCI CLK
(33 MHz)
PCIe CLK
(100 MHz)
PCI Express Bus
iTE
IT8718
Floppy
CPU CLK+/- (200 MHz)
ATA-133/100/66/33 IDE Channel
Dual BIOS
COM Port
LPC
Bus
1 PCI Express x1
DDR3 1333(O.C.)/1066/800 MHz
Dual Channel Memory
PCIe CLK
(100 MHz)
1 PCI Express x16
4 SATA 3Gb/s
x1
GFX CLK (100 MHz)
PCI Express x16
PS/2 KB/Mouse
12 USB Ports
Line Out
MIC
Line In
S/PDIF In S/PDIF Out
CODEC
D-Sub
DVI-D
(Note)
HDMI
j
(Note)
Realtek
RTL8111D/E
LAN
RJ45