Материнские платы GIGABYTE GA H55M S2V rev 1 3 - инструкция пользователя по применению, эксплуатации и установке на русском языке. Мы надеемся, она поможет вам решить возникшие у вас вопросы при эксплуатации техники.
Если остались вопросы, задайте их в комментариях после инструкции.
"Загружаем инструкцию", означает, что нужно подождать пока файл загрузится и можно будет его читать онлайн. Некоторые инструкции очень большие и время их появления зависит от вашей скорости интернета.

- 8 -
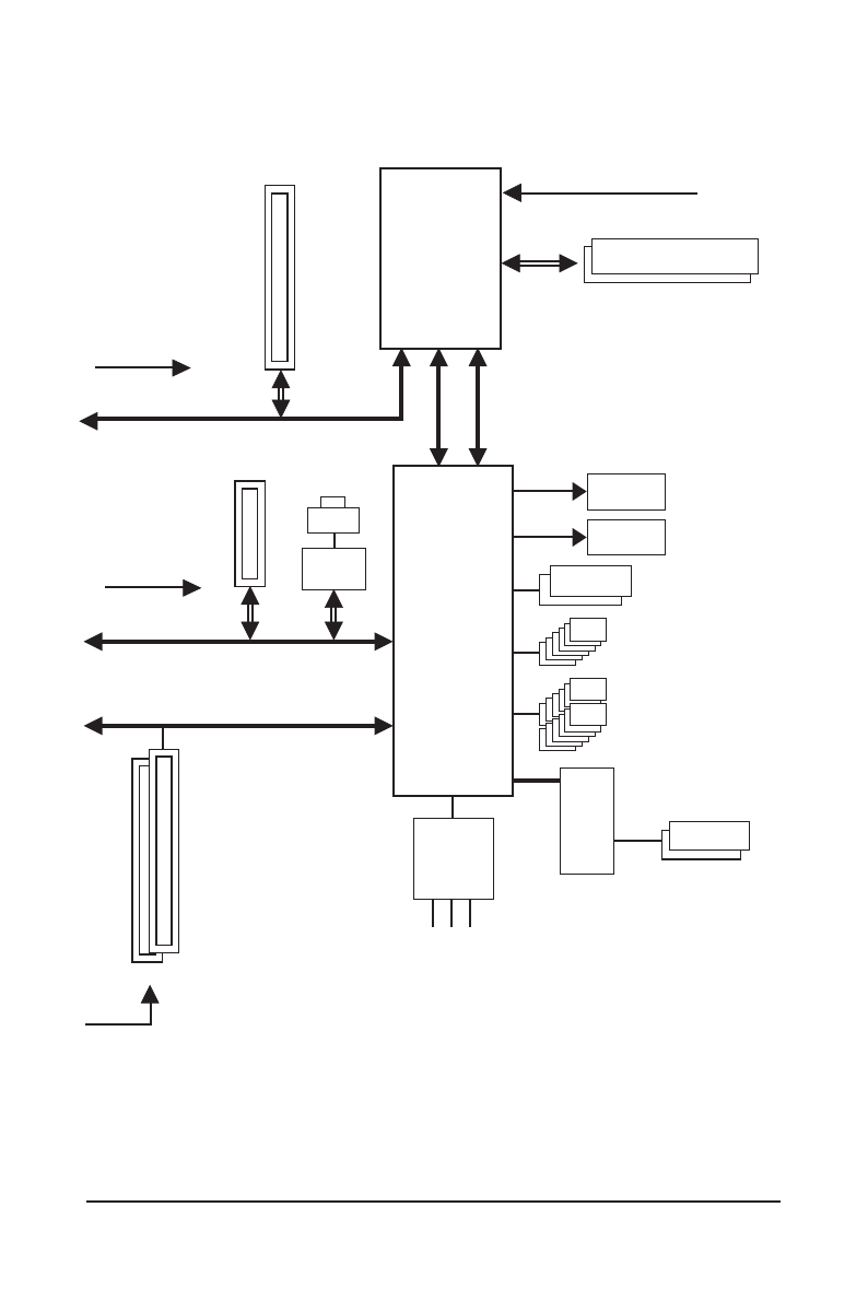
GA-H55M-S2V/GA-H55M-S2 Motherboard Block Diagram
CODEC
PS/2 KB/Mouse
LGA1156
CPU
DMI Interface
Intel
®
H55
2 PCI
PCI Bus
PCI CLK
(33 MHz)
PCIe CLK
(100 MHz)
PCI Express Bus
iTE
IT8720
CPU CLK+/- (133 MHz)
6 SATA 3Gb/s
1 PCI Express x16
Dual BIOS
12 USB 2.0/1.1
LPC
Bus
DDR3 1666 (O.C.)/1333/1066/800 MHz
Dual Channel Memory
x1
LAN
RJ45
Realtek
RTL8111E
x1
1 PCI Express x1
PCI Express Bus
x16
PCIe CLK
(100 MHz)
D-Sub
FDI Interface
Line In (Rear Speakcer Out )
Line Out (Front Speakcer Out )
MIC (Center/Subwoofer Speakcer Out )
DVI
j
j
Only for GA-H55M-S2V.