Материнские платы GIGABYTE GA 945GCMX S2 rev 6 6 - инструкция пользователя по применению, эксплуатации и установке на русском языке. Мы надеемся, она поможет вам решить возникшие у вас вопросы при эксплуатации техники.
Если остались вопросы, задайте их в комментариях после инструкции.
"Загружаем инструкцию", означает, что нужно подождать пока файл загрузится и можно будет его читать онлайн. Некоторые инструкции очень большие и время их появления зависит от вашей скорости интернета.

- 10 -
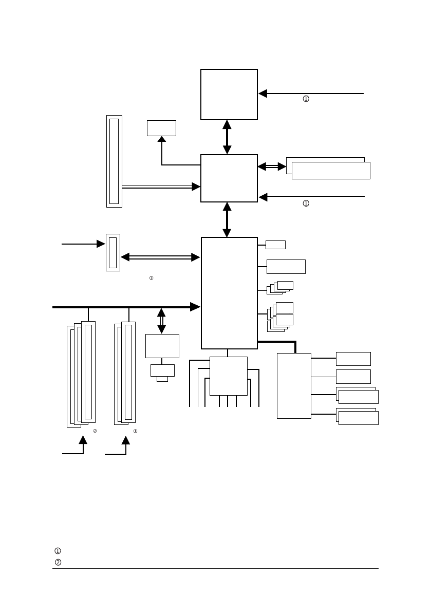
Block Diagram
Center/Subwoofer Speaker Out
LGA775
Processor
Host
Interface
Intel
®
945
3 PCI
PCI Bus
Dual Channel Memory
PCI CLK
(33 MHz)
PCIe CLK
(100 MHz)
PCI Express x16
IT8718
F l o p p y
PS/2 KB/Mouse
LPT Port
Line-Out
MIC
Line-In
SPDIF In
SPDIF Out
Side Speaker Out
Surround Speaker Out
CODEC
LAN
COM Ports
R T L
8110SC
RJ45
ATA-33/66/100 IDE Channel
BIOS
4 SATA 3Gb/s
8 USB Ports
CPU CLK+/-
(333
(Note 1)
/266/200/133 MHz)
GMCH CLK
(333
(Note 1)
/266/200/133 MHz)
DDRII 667/533 MHz
DIMM
(Note 2)
D-Sub
Intel
®
ICH7
1 PCI Express x4
PCIe CLK
(100 MHz)
PCI Express x4
2 PCI
PCI CLK
(33 MHz)
(Note 1) Enable use of a Core
TM
2 CPU with 1333 MHz FSB through overclocking. You must install the
FSB 1333 MHz Core
TM
2 CPU with DDR2 533 (or above) memory module(s).
(Note 2) Use of a 1066/800 MHz FSB CPU is required if you wish to install DDR2 667 MHz memory.
Only for GA-945GCMX-S2.
Only for GA-945GCM-S2 .