Материнские платы GIGABYTE GA 8I865GME 775 RH rev 3 9 - инструкция пользователя по применению, эксплуатации и установке на русском языке. Мы надеемся, она поможет вам решить возникшие у вас вопросы при эксплуатации техники.
Если остались вопросы, задайте их в комментариях после инструкции.
"Загружаем инструкцию", означает, что нужно подождать пока файл загрузится и можно будет его читать онлайн. Некоторые инструкции очень большие и время их появления зависит от вашей скорости интернета.

- 8 -
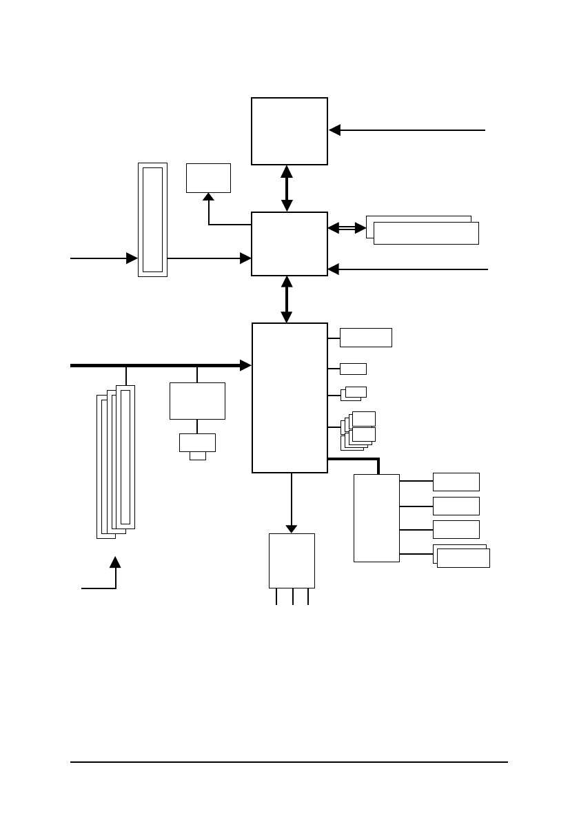
Block Diagram
Line-Out
MIC
AGP CLK
(66 MHz)
Line-In
PCI CLK
(33 MHz)
3 PCI
PCI Bus
Intel
82562G
RJ45
VGA
AGP 8X/4X
AC97 Link
AC97
CODEC
IT8718
F l o p p y
PS/2 KB/Mouse
LPT Port
ATA-33/66/100 IDE Channel
BIOS
2 SATA
8 USB Ports
LGA775
Processor
Host
Interface
Intel
®
865G
Intel
®
ICH5
Dual Channel Memory
CPU CLK+/-(200/133 MHz)
GMCH CLK (200/133 MHz)
DDR 400/333/266 MHz DIMM
COM Port