Материнские платы GIGABYTE GA 790XT USB3 rev 1 - инструкция пользователя по применению, эксплуатации и установке на русском языке. Мы надеемся, она поможет вам решить возникшие у вас вопросы при эксплуатации техники.
Если остались вопросы, задайте их в комментариях после инструкции.
"Загружаем инструкцию", означает, что нужно подождать пока файл загрузится и можно будет его читать онлайн. Некоторые инструкции очень большие и время их появления зависит от вашей скорости интернета.

- 8 -
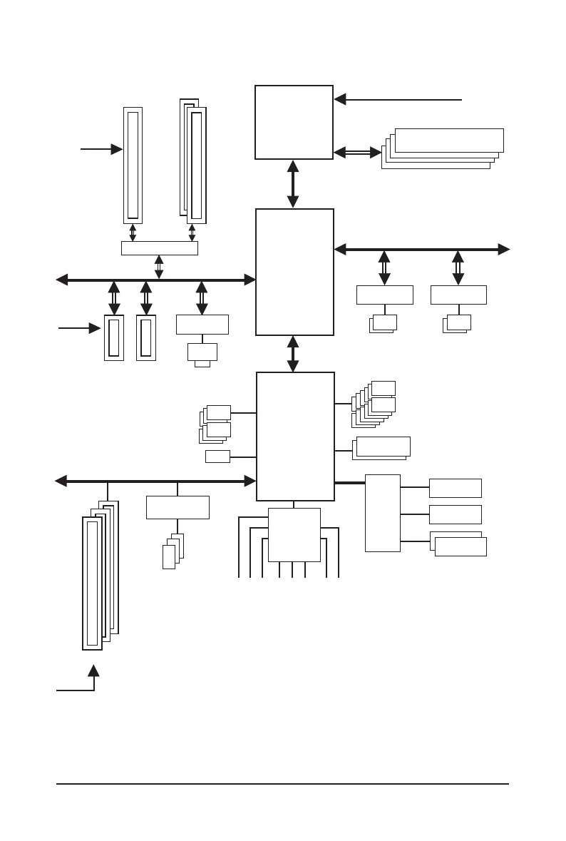
Block Diagram
(Note 1) For optimum performance, if only one PCI Express graphics card is to be installed, be sure to install it in the
PCIEX16 slot. The PCIEX8 slot shares bandwidth with the PCIEX16 slot. When PCIEX8 is populated with a PCI
Express graphics card, the PCIEX16 slot will operate at up to x8 mode.
(Note 2) To reach DDR3 1866 MHz or above, you must install two memory modules and install them in the DDR3_3 and
DDR3_4 memory sockets.
Hyper Transport 3.0
AMD 790X
AMD SB750
PCI Express Bus
CPU CLK+/- (200 MHz)
ATA-133/100/66/33 IDE Channel
Dual Channel Memory
Center/Subwoofer Speaker Out
Line Out
MIC
Line In
S/PDIF In S/PDIF Out
Side Speaker Out
Surround Speaker Out
CODEC
6 SATA 3Gb/s
PCIe CLK
(100 MHz)
PCIe CLK
(100 MHz)
x1
x1
2 PCI Express x1
PCI Bus
LAN
x1
RTL8111D
RJ45
TSB43AB23
3 IEEE 1394a
AM3 CPU
1 PCI Express x16
(Note 1)
or
2 PCI Express x8
(Note 1)
x16
Switch
3 PCI
PCI CLK
(33 MHz)
DDR3 1866 (O.C.)
(Note 2)
/
1333/1066 MHz
Floppy
COM Port
PCI Express Bus
IT8720
Dual BIOS
12 USB Ports
LPC
Bus
x1
x1
2 USB 3.0/2.0
2 SATA 3Gb/s
NEC
JMB362
PS/2 KB/Mouse