Материнские платы GIGABYTE GA 770T D3L rev 1 x - инструкция пользователя по применению, эксплуатации и установке на русском языке. Мы надеемся, она поможет вам решить возникшие у вас вопросы при эксплуатации техники.
Если остались вопросы, задайте их в комментариях после инструкции.
"Загружаем инструкцию", означает, что нужно подождать пока файл загрузится и можно будет его читать онлайн. Некоторые инструкции очень большие и время их появления зависит от вашей скорости интернета.

- 8 -
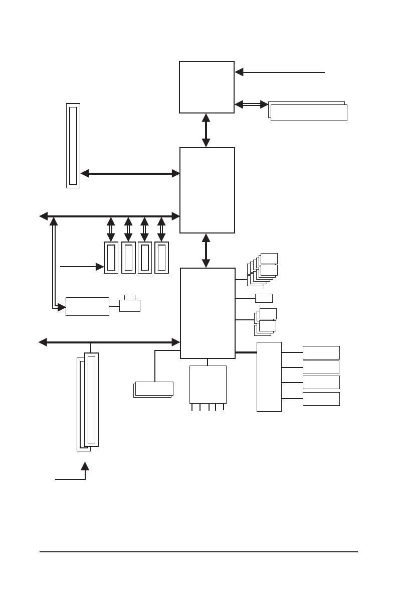
GA-770T-D3L Motherboard Block Diagram
Hyper Transport 3.0
AMD 770
PCIe CLK
(100 MHz)
PCI Express Bus
CPU CLK+/- (200 MHz)
4 PCI Express x1
PCIe CLK
(100 MHz)
1 PCI Express x16
x1
PCI Express x16
Dual Channel Memory
PS/2 KB or Mouse
Floppy
ATA-133/100/66/33 IDE Channel
COM Port
12 USB Ports
LPC
Bus
6 SATA 3Gb/s
LPT Port
S/PDIF In S/PDIF Out
2 PCI
PCI Bus
PCI CLK
(33 MHz)
Realtek
RTL8111C/D
LAN
RJ45
x1 x1 x1
iTE
IT8720
Line-Out (Front Speaker Out)
MIC (Center/Subwoofer Speaker Out)
Line-In (Rear Speaker Out)
AMD SB710
CODEC
Dual BIOS
AM3 CPU
DDR3 1666 (O.C.)/1333/1066 MHz