Материнские платы GIGABYTE GA 73VM S2 rev 1 0 - инструкция пользователя по применению, эксплуатации и установке на русском языке. Мы надеемся, она поможет вам решить возникшие у вас вопросы при эксплуатации техники.
Если остались вопросы, задайте их в комментариях после инструкции.
"Загружаем инструкцию", означает, что нужно подождать пока файл загрузится и можно будет его читать онлайн. Некоторые инструкции очень большие и время их появления зависит от вашей скорости интернета.

- 8 -
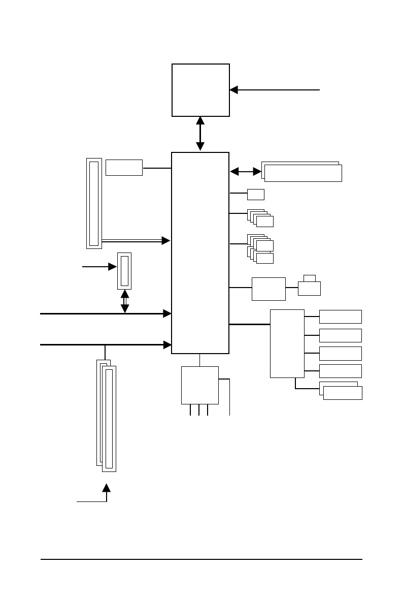
Block Diagram
LGA775
Processor
4 SATA 3Gb/s
LPC BUS
8 USB Ports
2 PCI
PCI Bus
LPT Port
BIOS
F l o p p y
COM Port
PS/2 KB/Mouse
IT8718
Host
Interface
DDR2
800/667/533 MHz
1 PCI Express x1
PCI Express Bus
PCIe CLK
(100 MHz)
x 1
CPU CLK+/-
(333/266/200 MHz)
NVIDIA
®
GeForce 7050/
nForce 610i
ATA-133/100/66/33
IDE Channel
LAN
RJ45
R T L
8201N
D-Sub
PCIe CLK
(100 MHz)
PCI Express x16
Line-Out(Front Speaker Out)
MIC(Center/Subwoofer Speaker Out)
Line-In(Rear Speaker Out)
SPDIF Out
CODEC
PCI CLK
(33 MHz)