MasterYard MasterYard MH 12G - Инструкция по эксплуатации

MasterYard MasterYard MH 12G

Обогреватель MasterYard MasterYard MH 12G - инструкция пользователя по применению, эксплуатации и установке на русском языке. Мы надеемся, она поможет вам решить возникшие у вас вопросы при эксплуатации техники.

Если остались дополнительные вопросы — свяжитесь с нами через контактную форму.

1 Страница 1
2 Страница 2
3 Страница 3
4 Страница 4
5 Страница 5
6 Страница 6
7 Страница 7
8 Страница 8
Страница: / 8

Содержание:

  • Страница 2 – ОПАСНО; Газовые
  • Страница 4 – Рис; Подсоединение; Средняя; аблица
  • Страница 5 – OFF; Шланг
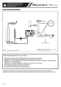
  • Страница 6 – Стр; Белый; КОНТРОЛЬНЫЙ; РЕЛЕ; Схема
  • Страница 7 – Список; Наименование
  • Страница 8 – Устранение
Загрузка инструкции

Руководство по эксплуатации

газовых тепловых нагревателей

ВАЖНАЯ

ИНФОРМАЦИЯ

:

перед

началом

сборки

,

пуска

и

эксплуатацией

нагревателя

необходимо

ознакомиться

с

данным

руководством

.

Неправильная

эксплуатация

может

привести

к

несчастному

случаю

.

Технические

характеристики

Распаковка
Общий

вид

Обращение

с

пропаном

Техника

безопасности

Эксплуатация
Поиск

утечки

Запуск
Хранение
Схема

электрооборудования

Список

запасных

частей

Подетальный

чертеж

Устранение

неисправностей

2
2
2
2
3-4
4-5
5
5
5
6
7
7
8

..........................

........................................................
........................................................

...................................

.....................................

...................................................

.....................................................

................................................................

...........................................................

..........................

..................................

......................................

...........................

СОДЕРЖАНИЕ

Запрещается

эксплуатировать

оборудование

,

не

ознако

-

мившись

и

усвоив

инструкции

руководства

.

Их

несоблю

-

дение

может

привести

к

несчастному

случаю

.

К

эксплуа

-

тации

нагревателя

разрешается

допускать

только

лиц

,

усвоивших

правила

и

инструкции

.

При

возникновении

каких

-

либо

вопросов

обращайтесь

к

производителю

.

Оборудование

не

предназначено

для

использования

в

жилых

помещениях

и

местах

без

достаточной

вентиля

-

ции

.

Запрещается

хранить

баллоны

с

пропаном

внутри

помещений

.

ВНИМАНИЕ

ОПАСНО

Сохраните

руководство

по

эксплуатации

"Загрузка инструкции" означает, что нужно подождать пока файл загрузится и можно будет его читать онлайн. Некоторые инструкции очень большие и время их появления зависит от вашей скорости интернета.

Краткое содержание

Страница 2 - ОПАСНО; Газовые

Распаковка Регулятор давления и шланг в сборе не должны подвергаться изменениям . Особенности - Портативность , устойчивость . Поставляется в собранном виде . - Защита от ветра и дождя . - Непрерывное искровое зажигание . - Система аварийного отключения . - Регулируемые характеристики питания ( кром...

Страница 4 - Рис; Подсоединение; Средняя; аблица

Техника безопасности ( продолжение ) Эксплуатация Стр . 4 ЗАРЯДКА БАЛЛОНА НИЗКОГО ДАВЛЕНИЯ - Закройте газовый клапан нагревателя и клапан баллона . - Клапаны баллонов низкого давления имеют левую резьбу старого образца . Для ослабления затяжки поверните его по часовой стрелке . - Выполните заправку ...

Страница 5 - OFF; Шланг

Эксплуатация ( продолжение ) Стр . 5 ХРАНЕНИЕ Перед постановкой на хранение следует отсоединить нагреватель от баллона . Храните баллон в безопасном , недоступном для детей месте . Закройте все места соеди - нений для защиты от повреждения . ОБНАРУЖЕНИЕ УТЕЧКИ - Для поиска утечки газа используйте мы...

Характеристики

Другие модели - Обогреватели MasterYard