Магнитолы Supra SWM-757NV - инструкция пользователя по применению, эксплуатации и установке на русском языке. Мы надеемся, она поможет вам решить возникшие у вас вопросы при эксплуатации техники.
Если остались вопросы, задайте их в комментариях после инструкции.
"Загружаем инструкцию", означает, что нужно подождать пока файл загрузится и можно будет его читать онлайн. Некоторые инструкции очень большие и время их появления зависит от вашей скорости интернета.

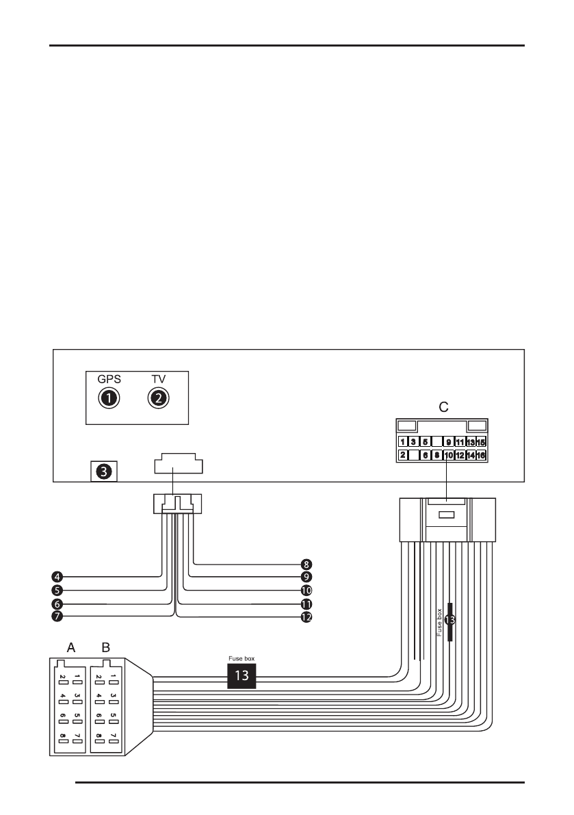
ПОДСОЕДИНЕНИЯ
Многие автомобили оборудованы ISO разъемами,
которые находятся за приборной панелью, что
делает выполнение подсоединений проще. Если в
вашем автомобиле отсутствует ISO разъем, реко-
мендуется приобрести его дополнительно, для это-
го проконсультируйтесь с дилером марки вашего
автомобиля.
Другие цепи для подсоединения находятся также в
приборной панели.
ВНИМАНИЕ:
Если подсоединения выполнены неправиль-
но, это может вызвать повреждение изде-
лия, в таком случае прибор не подлежит ре-
монту по гарантии.
Убедитесь, что провода питания подключены пра-
вильно. Неправильное подключение приведёт к
перегоранию предохранителя и/или поломке при-
бора.
При необходимости заменить предохранитель об-
ратитесь в авторизованный сервисный центр.
Чтобы активировать функцию просмотра видео,
коричневый провод PARKING (BREAKING) следует
подключить к выключателю индикаторной лампы
стояночного тормоза.
Не подавайте питающее напряжение на проигрыва-
тель до тех пор, пока не завершите все остальные
подключения.
Для подключения используйте динамики сопротив-
лением 4-8 Ом.
8