Магнитолы Supra SWD-606 - инструкция пользователя по применению, эксплуатации и установке на русском языке. Мы надеемся, она поможет вам решить возникшие у вас вопросы при эксплуатации техники.
Если остались вопросы, задайте их в комментариях после инструкции.
"Загружаем инструкцию", означает, что нужно подождать пока файл загрузится и можно будет его читать онлайн. Некоторые инструкции очень большие и время их появления зависит от вашей скорости интернета.

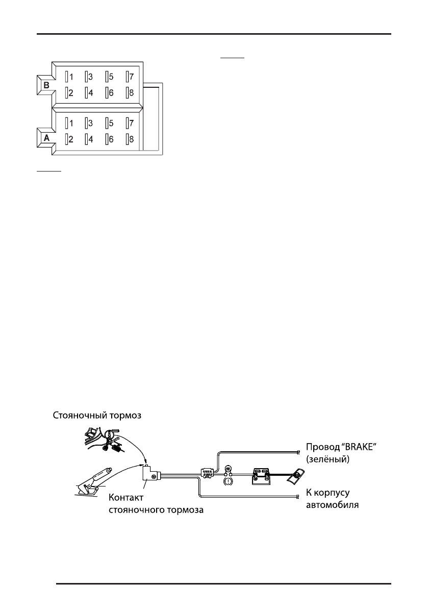
ПОДКЛЮЧЕНИЯ
ISO разъём:
Пред
охрани
тель
Часть А
А1: Нет подключений
А2: Нет подключений
А3: Нет подключений
А4: Аккумулятор (+) Желтый
А5: Антенна (Синий)
А6: Нет подключений
А7: +12 В Зажигание (Красный)
А8: Масса (-) (Черный)
Часть В
В1: Тыловой правый громкоговоритель (+)
В2: Тыловой правый громкоговоритель (-)
В3: Фронтальный правый громкоговоритель (+)
В4: Фронтальный правый громкоговоритель (-)
В5: Фронтальный левый громкоговоритель (+)
В6: Фронтальный левый громкоговоритель (-)
В7: Тыловой левый громкоговоритель (+)
В8: Тыловой левый громкоговоритель (-)
8
Подключение провода к стояночному тормозу
В целях безопасности просмотр видео возможен, только если зеленый провод подключен к контакту сто-
яночного тормоза и если задействован стояночный тормоз. Если же стояночный тормоз не задействован,
на дисплее появится сообщение «PLEASE STOP WATCHING VIDEO PLAYER». Это сделано специально для вашей
безопасности, чтобы предотвратить водителем просмотр видео во время вождения; опция не влияет на
видеовыход устройства.