Магнитолы Supra SWD-6006NV - инструкция пользователя по применению, эксплуатации и установке на русском языке. Мы надеемся, она поможет вам решить возникшие у вас вопросы при эксплуатации техники.
Если остались вопросы, задайте их в комментариях после инструкции.
"Загружаем инструкцию", означает, что нужно подождать пока файл загрузится и можно будет его читать онлайн. Некоторые инструкции очень большие и время их появления зависит от вашей скорости интернета.

ПОДКЛЮЧЕНИЯ
7
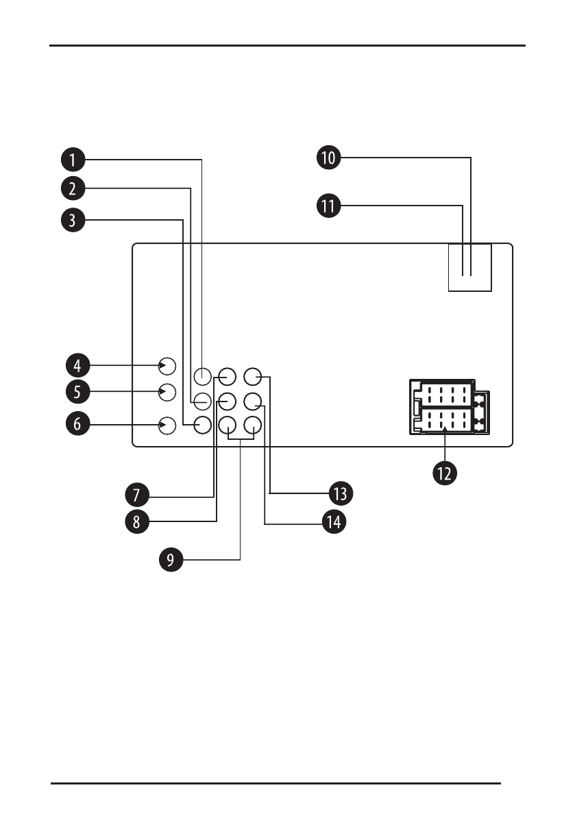
1. Аудиовход для подключения
внешнего источника
2. Аудиовход для подключения
внешнего источника
3. Видеовход для подключения
внешнего источника
4. Разъём для подключения
телевизионной антенны
5. Разъём для подключения GPS-антенны
6. Разъём для подключения радиоантенны
7. Аудио выход RCA
8. Аудио выход RCA
9. Видео выход
10. К стояночному тормозу (Зелёный)
11. Задний ход (Белый)
12. ISO разъём
13. Аудио выход для подключения сабвуфера
14. К камере заднего вида
М
ногие
автоМобили
оборудованы
ISO
разъёМаМи
,
которые
на
-
ходятся
за
приборной
панелью
,
что
упрощает
подключение
. е
сли
в
в
ашеМ
автоМобиле
отсутствует
ISO
разъёМ
,
рекоМендуется
приобрести
его
дополнительно
,
для
этого
проконсультируйтесь
с
в
ашиМ
дилероМ
.
ВНИМАНИЕ: Е
слИ
подключЕНИя
ВыполНЕНы
НЕпрАВИль
-
Но
,
это
МожЕт
ВызВАть
поВрЕждЕНИЕ
ИздЕлИя
,
В
тАкоМ
слу
-
чАЕ
прИбор
НЕ
подлЕжИт
рЕМоНту
по
гАрАНтИИ
.