Магнитолы Supra SCD-407U - инструкция пользователя по применению, эксплуатации и установке на русском языке. Мы надеемся, она поможет вам решить возникшие у вас вопросы при эксплуатации техники.
Если остались вопросы, задайте их в комментариях после инструкции.
"Загружаем инструкцию", означает, что нужно подождать пока файл загрузится и можно будет его читать онлайн. Некоторые инструкции очень большие и время их появления зависит от вашей скорости интернета.
Загружаем инструкцию

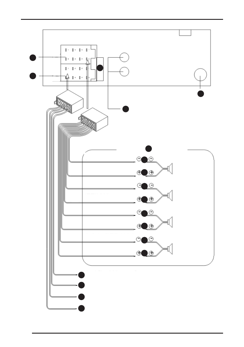
ПОДСОЕДИНЕНИЯ
10
6
1
5
4
3
2
7
8
9
10
11
12
13
14
15
16
17
18
Содержание
- 2 СОДЕРЖАНИЕ
- 3 МЕРЫ ПРЕДОСТОРОЖНОСТИ
- 4 ЗАМЕЧАНИЯ ПО РАБОТЕ С ДИСКАМИ
- 5 ПОРЯДОК УСТАНОВКИ И ИЗВЛЕЧЕНИЯ РЕСИВЕРА
- 9 ПОДСОЕДИНЕНИЯ
- 14 ОСНОВНЫЕ ОПЕРАЦИИ
- 15 НАСТРОЙКА ПАРАМЕТРОВ ЗВУКА
- 16 УПРАВЛЕНИЕ РАДИОПРИЕМНИКОМ
- 17 ВОСПРОИЗВЕДЕНИЕ ДИСКОВ CD/MP3
- 20 ВОЗМОЖНЫЕ НЕПОЛАДКИ И СПОСОБЫ ИХ УСТРАНЕНИЯ
- 21 БЕЗОПАСНАЯ УТИЛИЗАЦИЯ
- 22 ТЕХНИЧЕСКИЕ ХАРАКТЕРИСТИКИ
- 23 СПИСОК СЕРВИСНЫХ ЦЕНТРОВ