Магнитолы Soundmax SM-CDM1038 - инструкция пользователя по применению, эксплуатации и установке на русском языке. Мы надеемся, она поможет вам решить возникшие у вас вопросы при эксплуатации техники.
Если остались вопросы, задайте их в комментариях после инструкции.
"Загружаем инструкцию", означает, что нужно подождать пока файл загрузится и можно будет его читать онлайн. Некоторые инструкции очень большие и время их появления зависит от вашей скорости интернета.

8
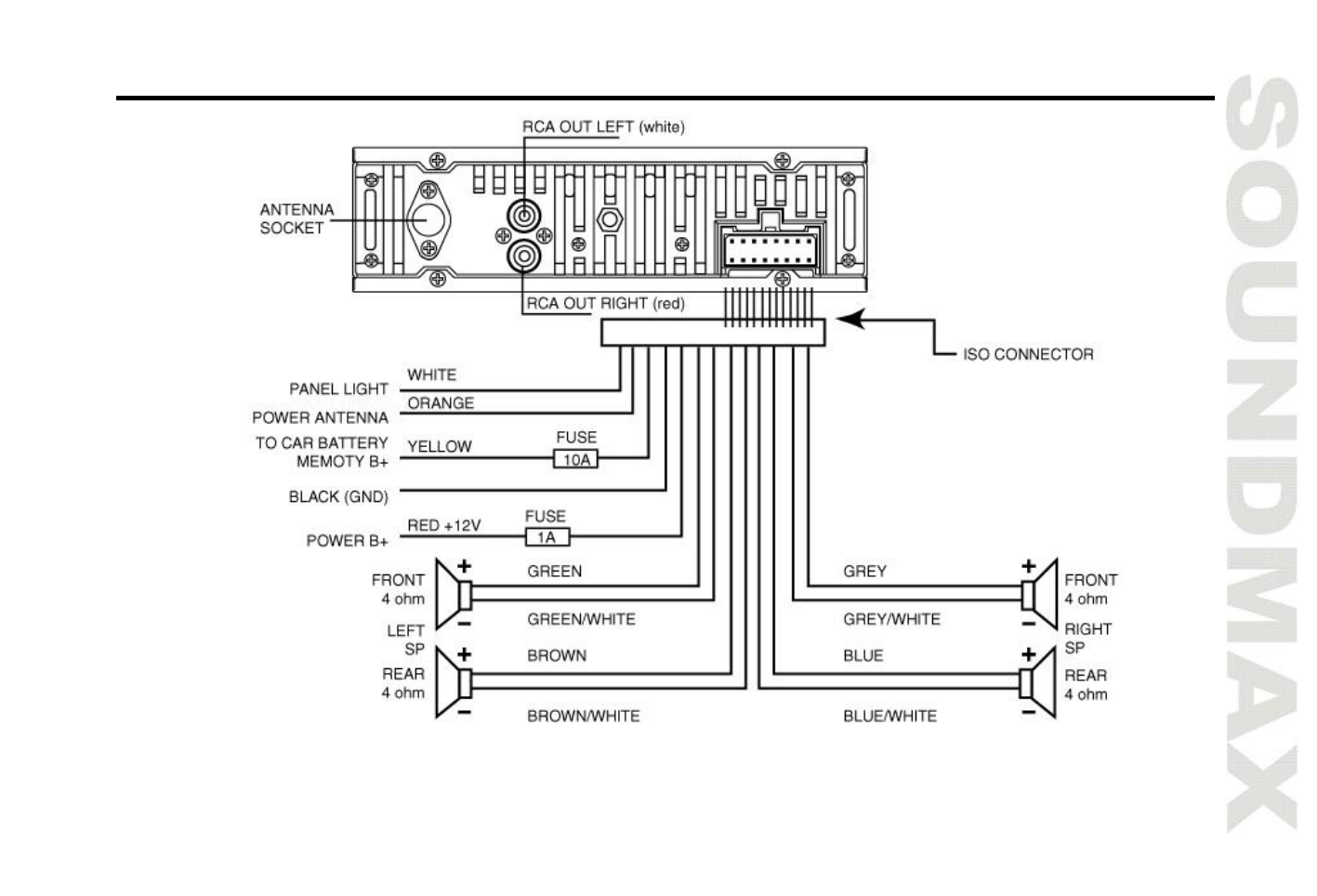
Electrical connections
Notes:
In spite of having any kinds of speaker system, must use 4 ohms impedance of speaker to reduce the
distortion during high volume level.
Prohibit to make the conductors of auto antenna and ground touch with each other.