Магнитолы Soundmax SM-CCR3053F - инструкция пользователя по применению, эксплуатации и установке на русском языке. Мы надеемся, она поможет вам решить возникшие у вас вопросы при эксплуатации техники.
Если остались вопросы, задайте их в комментариях после инструкции.
"Загружаем инструкцию", означает, что нужно подождать пока файл загрузится и можно будет его читать онлайн. Некоторые инструкции очень большие и время их появления зависит от вашей скорости интернета.
Загружаем инструкцию

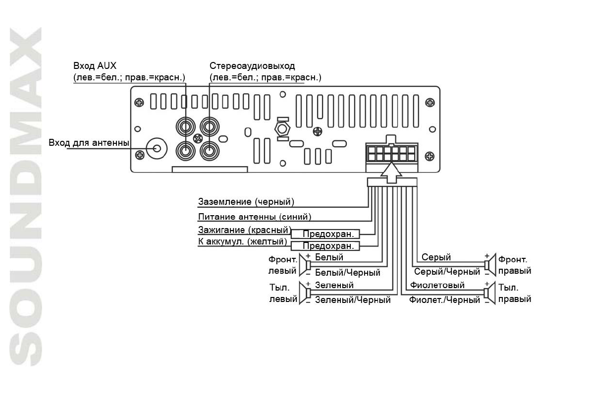
Схема подключения
Примечания:
Провод питания антенны предназначен для подачи питания на антенну и для удаленного
управления дополнительным усилителем.
20
Содержание
- 16 Меры предосторожности; привести к выходу устройства из строя.
- 17 Комплект поставки
- 18 Установка/Подключение; Общая информация; устройство будет подвергаться сильной вибрации.; Установка устройства в приборную панель автомобиля «спереди»; Приборная панель автомобиля
- 19 Снятие устройства
- 20 Схема подключения; управления дополнительным усилителем.
- 21 Элементы управления; Передняя панель; RESET
- 22 Общие операции
- 23 воспроизведения низких частот.
- 24 Операции с радио
- 25 Операции с USB/картами памяти SD; Загрузка карт памяти SD
- 26 Повтор; в режим нормального воспроизведения.; Воспроизведение в произвольном порядке; вернуться в режим нормального воспроизведения.; Переход на 10 треков
- 27 Руководство по устранению неисправностей; Неисправность
- 28 Технические характеристики; Общие