Магнитолы Sony DSX-S100 - инструкция пользователя по применению, эксплуатации и установке на русском языке. Мы надеемся, она поможет вам решить возникшие у вас вопросы при эксплуатации техники.
Если остались вопросы, задайте их в комментариях после инструкции.
"Загружаем инструкцию", означает, что нужно подождать пока файл загрузится и можно будет его читать онлайн. Некоторые инструкции очень большие и время их появления зависит от вашей скорости интернета.

8
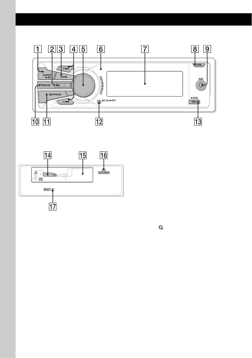
Розміщення елементів керування та основні операції
Основний пристрій
Знята передня панель
У цьому розділі вказано розміщення
елементів керування та описано основні
операції.
Для отримання докладнішої інформації
див. відповідні сторінки.
A
Кнопка SOURCE/OFF
Натисніть, щоб увімкнути живлення
або змінити джерело (радіоприймач/
USB/AUX).
Натисніть і утримуйте протягом
1 секунди, щоб вимкнути живлення.
Натисніть і утримуйте довше 2 секунд,
щоб вимкнути живлення, після чого
вимкнеться дисплей.
B
Кнопка
(BROWSE)
Для виведення списку (радіоприймач);
вхід у режим Quick-BrowZer (USB).
C
Кнопка PAUSE
Припинення відтворення. Для
скасування натисніть повторно.
D
Кнопки +
>
/–
.
Радіоприймач
:
Автоматичне настроювання
радіостанцій (натисніть); пошук
радіостанції вручну (натисніть і
утримуйте).
USB
:
Пропускання композицій (натисніть);
безперервне пропускання композицій
(натисніть, а потім через 1 секунду
натисніть знову та утримуйте);
переміщення вперед або назад на 1
композицію (натисніть і утримуйте).
Содержание
- 2 ЦИФРОВОЙ РЕСИВЕР; Сделано в Таиланде
- 3 до
- 4 Содержание
- 6 Начало работы; Сброс параметров; Отмена режима DEMO; Установка часов; Отобразится экран настройки.
- 7 Снятие передней панели; Предупредительный звуковой; Нажмите и удерживайте нажатой; Установка передней панели
- 8 Расположение органов управления и основные операции; Основное устройство; Со снятой передней панелью
- 10 Поиск композиции; Поиск композиции по названию; Поиск с пропуском элементов
- 11 Нажмите кнопку
- 12 Радиоприемник; Сохранение и прием; Предупреждение; Автоматическое сохранение —; Сохранение вручную; сохраненных в памяти
- 13 RDS; Обзор; Индикация на дисплее; Настройка AF и TA; Сохранение станций RDS с; Выбор
- 14 Прослушивание одной; Функция местной привязки; Выбор PTY; Тип программ; Установка CT
- 15 Устройства USB; Воспроизведение
- 16 Извлечение устройства USB; Для изменения индикации на дисплее; Повторное воспроизведение
- 17 Через 3 секунды настройка завершается.; iPod; Воспроизведение iPod; Передняя панель откроется.; DEVICE
- 18 Извлечение iPod; Остановите воспроизведение iPod.
- 19 Режим Resuming; Воспроизведение в случайной
- 20 Другие функции; Изменение настроек; Подстройка характеристик; SUB; Регулировка громкости сабвуфера.
- 21 Настройка кривой эквалайзера; Настройка параметров
- 22 Использование; Дополнительное; Подсоединение переносного; Уменьшите громкость на аппарате.; – “ON”: для настройки только на станции
- 23 Настройка уровня громкости; Пульт дистанционного; на
- 24 Дополнительная информация; Меры предосторожности; Порядок воспроизведения; Если передняя панель отсоединена; Сведения об iPod; Уход за аппаратом; Замена литиевой батарейки
- 25 Замена
- 26 Извлечение устройства; Снимите защитную манжету.; Технические; Тюнер; FM; Проигрыватель USB; Общая информация
- 27 Поиск и устранение; продолжение на следующей странице
- 28 Прием радиостанций
- 29 Воспроизведение музыки с












