Магнитолы Samsung SC-6450-RU - инструкция пользователя по применению, эксплуатации и установке на русском языке. Мы надеемся, она поможет вам решить возникшие у вас вопросы при эксплуатации техники.
Если остались вопросы, задайте их в комментариях после инструкции.
"Загружаем инструкцию", означает, что нужно подождать пока файл загрузится и можно будет его читать онлайн. Некоторые инструкции очень большие и время их появления зависит от вашей скорости интернета.

4
Меры
предосторожности
•
Не
прокладывайте
соединительные
провода
вблизи
деталей
автомобиля
,
которые
нагреваются
во
время
его
движения
.
•
Надежно
закрепляйте
разъемы
,
чтобы
они
были
зафиксированы
надлежащим
образом
.
Ненадежное
соединение
может
вызвать
шум
или
помехи
в
работе
магнитолы
.
Эта
автомагнитола
не
предназначена
для
использования
шасси
автомобиля
в
качестве
электрической
возвратной
цепи
от
акустической
системы
к
магнитоле
.
Для
соединения
между
собой
каждой
из
акустических
систем
и
магнитолы
всегда
необходимо
использовать
два
соединительных
провода
.
4
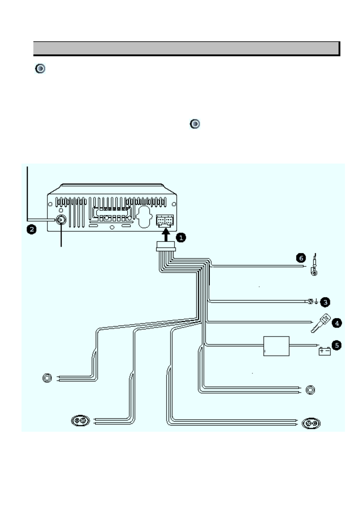
Подключение
4
акустических
систем
Используйте
акустические
системы
с
сопротивлением
4-8
Ом
.
См
.
приведенную
ниже
схему
соединений
.
Примечание
:
Не
меняйте
полярность
соединителей
акустических
систем
.
Сигнальный
провод
антенны
Разъем
антенны
К
антенне
с
электроприводом
ЖЕЛТЫЙ
ЧЕРНЫЙ
КРАСНЫЙ
ОРАНЖЕВЫЙ
ЛЕВЫЙ
ФРОНТАЛЬНЫЙ
Коробка
фильтра
Предохранитель
в
цепи
(10
А
)
ЛФ
"+"
ЗЕЛЕНЫЙ
ЛФ
"–"
ЗЕЛЕНЫЙ
/
ЧЕРНЫЙ
ПРАВЫЙ
ФРОНТАЛЬНЫЙ
ПФ
"+"
СИНИЙ
ПФ
"–"
СИНИЙ
/
ЧЕРНЫЙ
ЛЕВЫЙ
ТЫЛОВОЙ
ЛТ
"+"
БЕЛЫЙ
ЛТ
"–"
БЕЛЫЙ
/
ЧЕРНЫЙ
ПРАВЫЙ
ТЫЛОВОЙ
ПТ
"+"
СЕРЫЙ
ПТ
"-"
СЕРЫЙ
/
ЧЕРНЫЙ