Магнитолы Prology MDH-345U - инструкция пользователя по применению, эксплуатации и установке на русском языке. Мы надеемся, она поможет вам решить возникшие у вас вопросы при эксплуатации техники.
Если остались вопросы, задайте их в комментариях после инструкции.
"Загружаем инструкцию", означает, что нужно подождать пока файл загрузится и можно будет его читать онлайн. Некоторые инструкции очень большие и время их появления зависит от вашей скорости интернета.
Загружаем инструкцию

Prology MDH-345U © Saturn Marketing, Ltd.
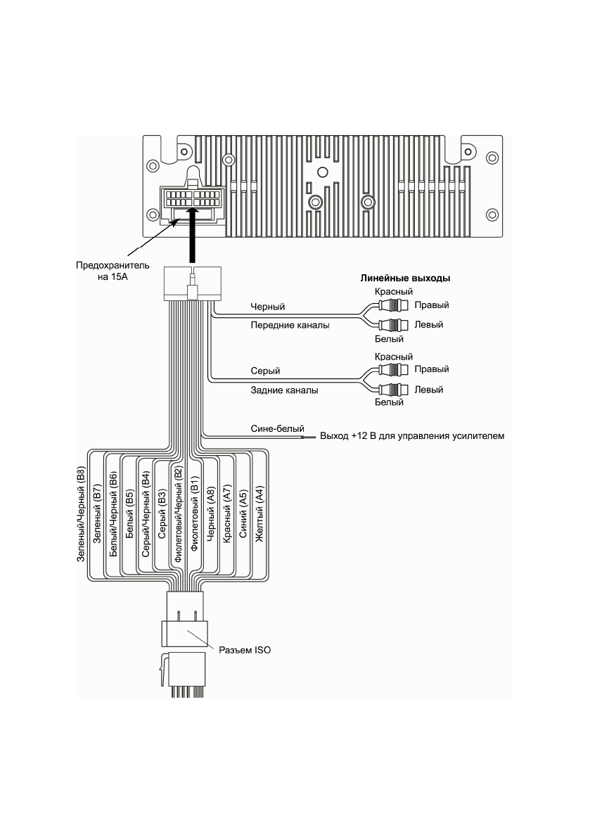
17
Схема подключения проводов DVD-ресивера
Назначение проводов основного 20-контактного разъема
Содержание
- 3 Комплект поставки
- 4 Основные технические характеристики; Общие
- 5 Для безопасного и эффективного использования устройства
- 7 Для безопасного управления автомобилем:
- 8 Воспроизводимые диски; Данный проигрыватель может воспроизводить следующие диски
- 9 kbps; Номер региона (номер регионального ограничения)
- 10 Для управления воспроизведением и навигации по; Меры предосторожности при обращении с дисками
- 11 Хотя в магазинах в качестве принадлежности диска продается; Гарантии поставщика; на пульт дистанционного управления, элементы питания (бата-
- 12 Установка устройства
- 13 Процедура установки
- 14 Удаление DVD-ресивера; декоративную; Второй вариант установки DVD-ресивера; ние
- 15 При установке DVD-ресивера по второму методу кожух, декоратив-; Отсоединение передней панели; Нажмите на кнопку освобождения передней панели:; Установка передней панели на место
- 17 Схема подключения проводов DVD-ресивера; Назначение проводов основного 20-контактного разъема
- 18 Неверное подключение DVD-ресивера может привести; Расположение и назначение контактов разъема ISO
- 20 Элементы управления и их функции
- 21 Pause
- 24 Использование пульта дистанционного управления; Установка батареек в пульт дистанционного управления
- 25 Общие операции; Подключение карты памяти SD/MMC
- 28 Меню специальных настроек DVD-ресивера
- 29 Local и Distant; . Если задние динамики выключены, то регулировка; VOL PGM; ON
- 30 Управление радиоприемником; MODE
- 31 Сканирование предварительно настроенных радиостанций
- 32 Загрузка компакт-дисков; OK; Временная остановка воспроизведения
- 33 Переход к следующей или предыдущей части (треку); Примечание; Детальное описание функций проигрывателя дисков; Информация о воспроизведении; OSD
- 34 CD; Меню диска; TITLE
- 36 Повторное воспроизведение
- 37 Выбор языка звукового сопровождения
- 38 GOTO; Просмотр JPEG файлов; SUBTITLE; klxw
- 39 Основные операции по изменению настроек устройства
- 40 Язык меню DVD; Меню настроек экрана; Экран ТВ
- 41 Меню аудионастроек
- 42 Сжатие динамического диапазона включено.; Меню ограничения доступа
- 44 Эксплуатационные ограничения и текущий ремонт; Симптом