Магнитолы Pioneer MEH-P9000R - инструкция пользователя по применению, эксплуатации и установке на русском языке. Мы надеемся, она поможет вам решить возникшие у вас вопросы при эксплуатации техники.
Если остались вопросы, задайте их в комментариях после инструкции.
"Загружаем инструкцию", означает, что нужно подождать пока файл загрузится и можно будет его читать онлайн. Некоторые инструкции очень большие и время их появления зависит от вашей скорости интернета.

15
BC
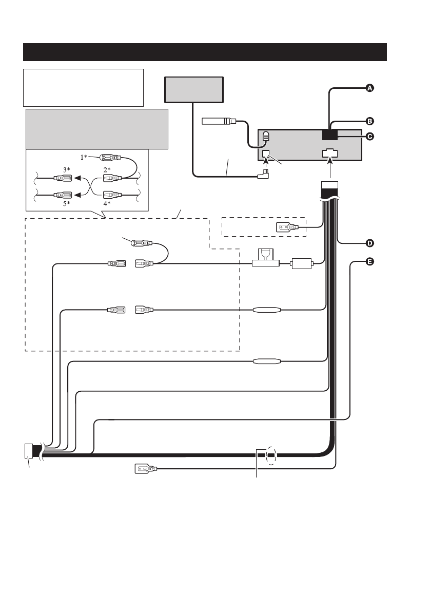
Ñõåìà ïîäêëþ÷åíèÿ
Ïðîèãðûâàòåëü
Ìàëòè ÊÄ (ïðî-
äàåòñÿ îòäåëüíî)
Êàáåëü IP-BUS
Âõîä IP-BUS
(ñèíèé)
Ïðèìå÷àíèå:
 çàâèñèìîñòè îò òèïà àâòîìîáèëÿ, ôóíêöèè
3* è 5* ìîãóò ðàçëè÷àòüñÿ.  ýòîì ñëó÷àå ïîä-
êëþ÷èòå 2* ê 5*, à 4* ê 3*.
Ãíåçäî àíòåííû
Ýòî óñòðîéñòâî
Ïîäêëþ÷èòå êîí-
òàêòû îäíîãî öâå-
òà äðóã ê äðóãó.
Êîëïàê (1* )
Åñëè ýòîò ðàçúåì íå èñïîëü-
çóåòñÿ, íå óäàëÿéòå êîëïàê.
Æåëòûé (3*)
Ðåçåðâ (èëè Äî-
ïîëíèòåëüíî)
Æåëòûé (2*)
Ê ðàçúåìó, íà êîòîðûé ïèòàíèå ïî-
äàåòñÿ ïîñòîÿííî, íåçàâèñèìî îò ïî-
ëîæåíèÿ êëþ÷à çàæèãàíèÿ.
Îòñåê äëÿ
ïðåäîõðàíèòåëÿ
Êðàñíûé (5*)
Äîïîëíèòåëüíî
(èëè Ðåçåðâ)
Êðàñíûé (4*)
Ê ýëåêòðè÷åñêîìó ðàçúåìó, óïðàâëÿåìî-
ìó êëþ÷îì çàæèãàíèÿ (12  ïîñòîÿííîãî
íàïðÿæåíèÿ) âêëþ÷åíèå/âûêëþ÷åíèå.
Îðàíæåâûé
Ê ðàçúåìó ïåðåêëþ÷àòåëÿ ïîäñâåòêè
×åðíûé (çåìëÿ)
Ê ìåòàëëè÷åñêîìó êóçîâó àâòîìîáèëÿ.
Ñèíèé/áåëûé
Ê ðàçúåìó óïðàâëåíèÿ àâòîíîìíîé àíòåííû. (Ìàêñèìóì
300 ìÀ 12  ïîñòîÿííîãî òîêà.)
Ðàçúåì ISO
Ïðèìå÷àíèå:
 íåêîòîðûõ àâòîìîáèëÿõ
ðàçúåì ISO ìîæåò áûòü ðàç-
äåëåí íàäâîå.  ýòîì ñëó÷àå
ïîäêëþ÷èòå îáà ðàçúåìà.
Æåëòûé/÷åðíûé
Åñëè Âû ïîëüçóåòåñü ñîòîâûì
òåëåôîíîì, ïîäêëþ÷èòå åãî ê
êîíòàêòó Audio Mute (ïðèãëó-
øåíèå çâóêà) íà ñîòîâîì òåëå-
ôîíå. Åñëè Âû ýòîãî íå ñäå-
ëàåòå, íå ïîäêëþ÷àéòå êîí-
òàêò Audio Mute.
Êîíòàêòû ãðîìêîãîâîðèòåëåé
Áåëûé: Ïåðåäíèé ëåâûé
3
Áåëûé/÷åðíûé: Ïåðåäíèé ëåâûé
#
Ñåðûé: Ïåðåäíèé ïðàâûé
3
Ñåðûé/÷åðíûé: Ïåðåäíèé ïðàâûé
#
Çåëåíûé: Çàäíèé ëåâûé
3
Çåëåíûé/×åðíûé: Çàäíèé ëåâûé
#
Ôèîëåòîâûé: Çàäíèé ïðàâûé
3
Ôèîëåòîâûé/÷åðíûé: Çàäíèé ïðàâûé
#
Îáðàòèòåñü ê ðàçäåëó Óñòà-
íîâêà Ñèãíàëèçàöèè RFP.
Ñîïðîòèâëåíèå
ïðåäîõðàíèòåëÿ
Ñîïðîòèâëåíèå
ïðåäîõðàíèòåëÿ
Áåëûé/æåëòûé
Ïðîâîäêà ýòîãî óñòðîéñòâà
îêðàøåíà â ñîîòâåòñòâèè ñ
íîâûì ñòàíäàðòîì.